GM Service Manual Online
For 1990-2009 cars only
Makes
🢒
Chevrolet
🢒
2005
🢒
Equinox
🢒
Vehicle Control Systems
🢒
Vehicle DTC Information
🢒 Driver Seat Schematics
Figure
1:
Power Seat
Master Electrical Component List
Power Seats System Description and Operation
Control Module References
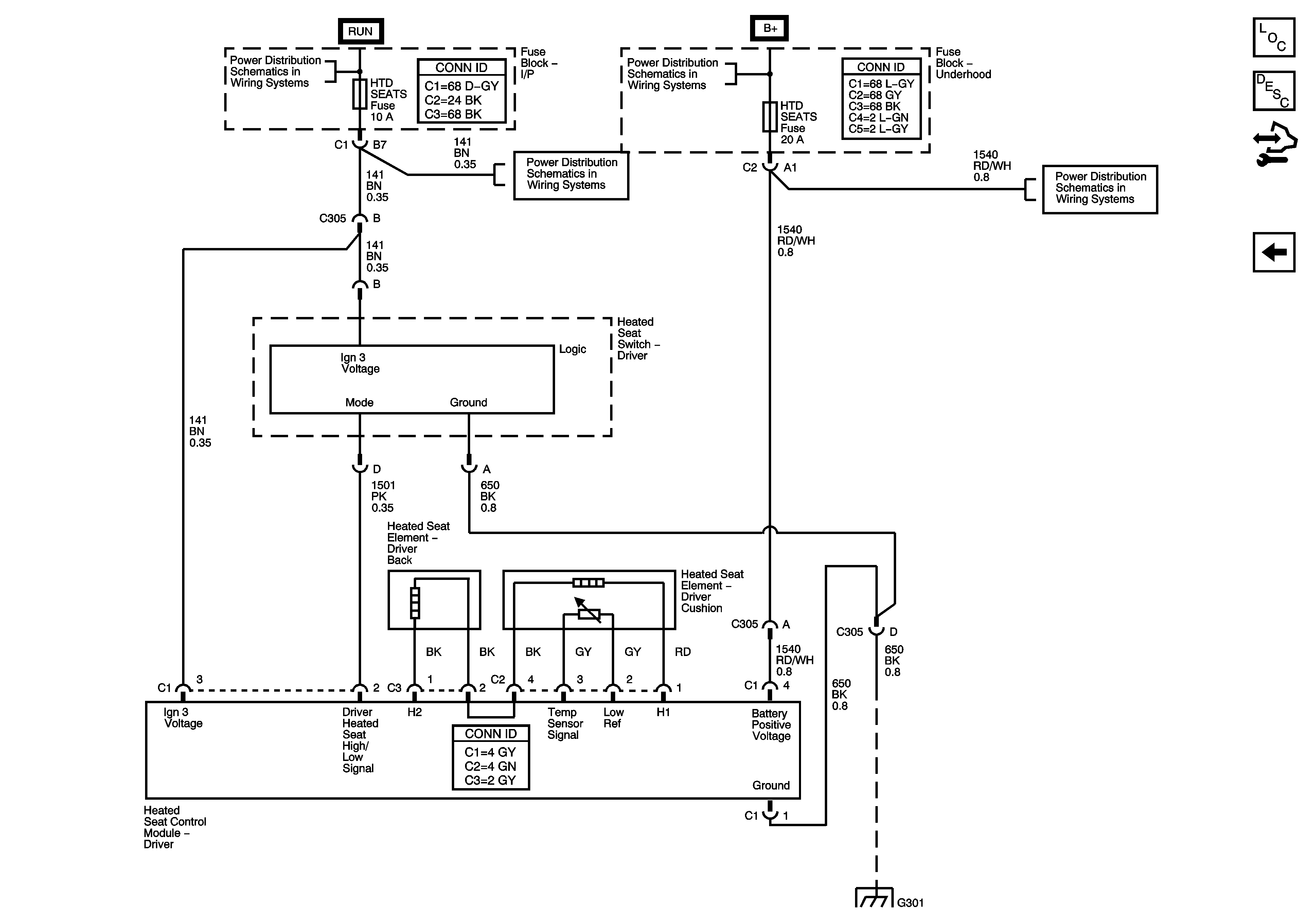
Heated Seat
B+ Bussing
G301
Figure
2:
Heated Seat
Master Electrical Component List
Heated Seats Description and Operation
Control Module References
Power Seat
B+ Bussing
Ignition Circuits
TURN, BCM, RADIO(IGN), HVAC, and HTD SEATS Fuses
LH HDLP, RH HDLP, HTD SEATS, BRAKE, PREM AUD, BATT FEED Fuses, and PWR SEATS CB
G301