GM Service Manual Online
For 1990-2009 cars only
Makes
🢒
Chevrolet
🢒
2005
🢒
Equinox
🢒
Body
🢒
Seats
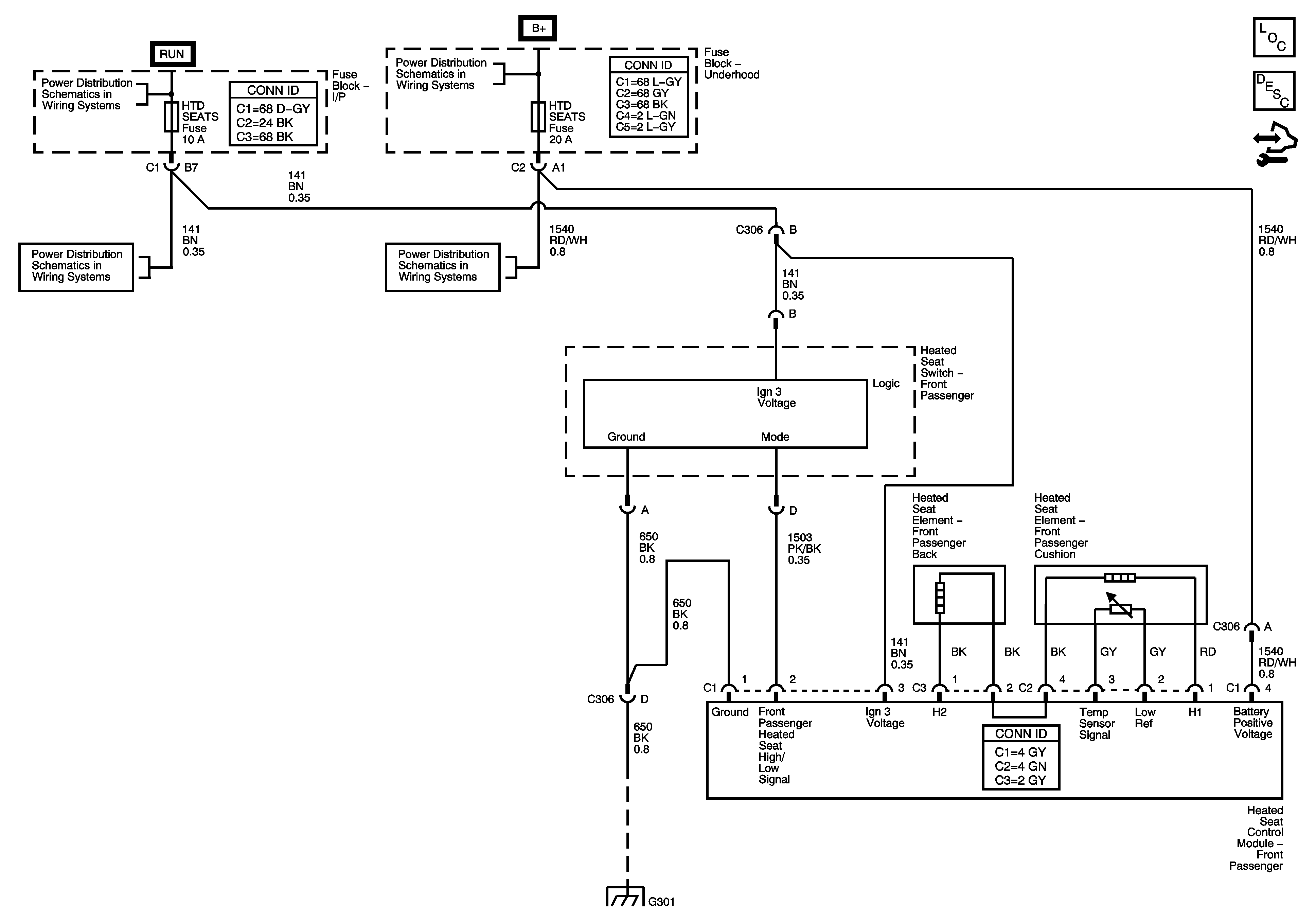
🢒 Passenger Seat Schematics
Master Electrical Component List
Heated Seats Description and Operation
Control Module References
B+ Bussing
Ignition Circuits
TURN, BCM, RADIO(IGN), HVAC, and HTD SEATS Fuses
LH HDLP, RH HDLP, HTD SEATS, BRAKE, PREM AUD, BATT FEED Fuses, and PWR SEATS CB
G301