GM Service Manual Online
For 1990-2009 cars only
Makes
🢒
Chevrolet
🢒
2005
🢒
Equinox
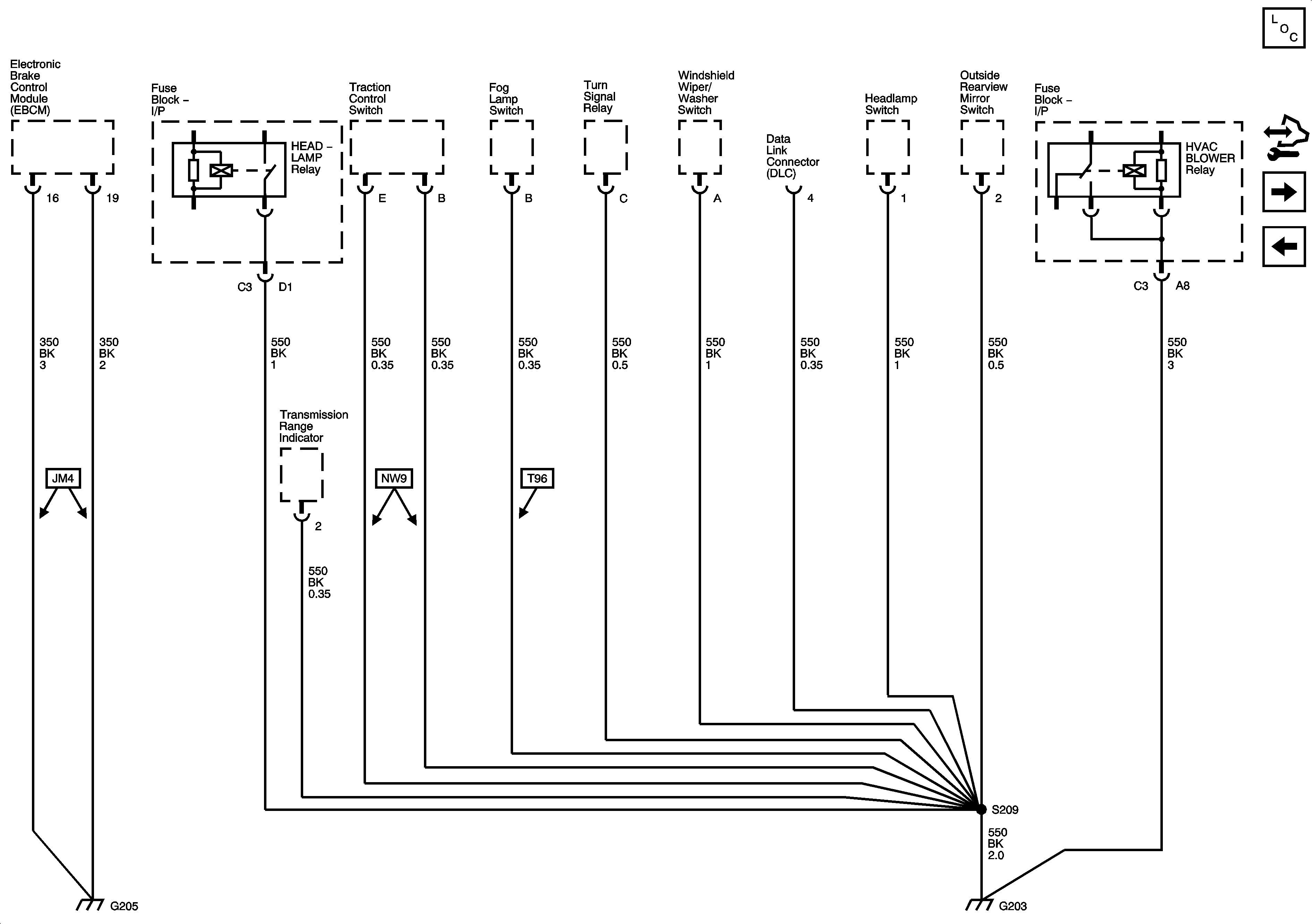
🢒 G203 and G205
G203 and G205
G203 and G205
Master Electrical Component List
Control Module References
G201
G301