GM Service Manual Online
For 1990-2009 cars only
Makes
🢒
Chevrolet
🢒
2005
🢒
Equinox
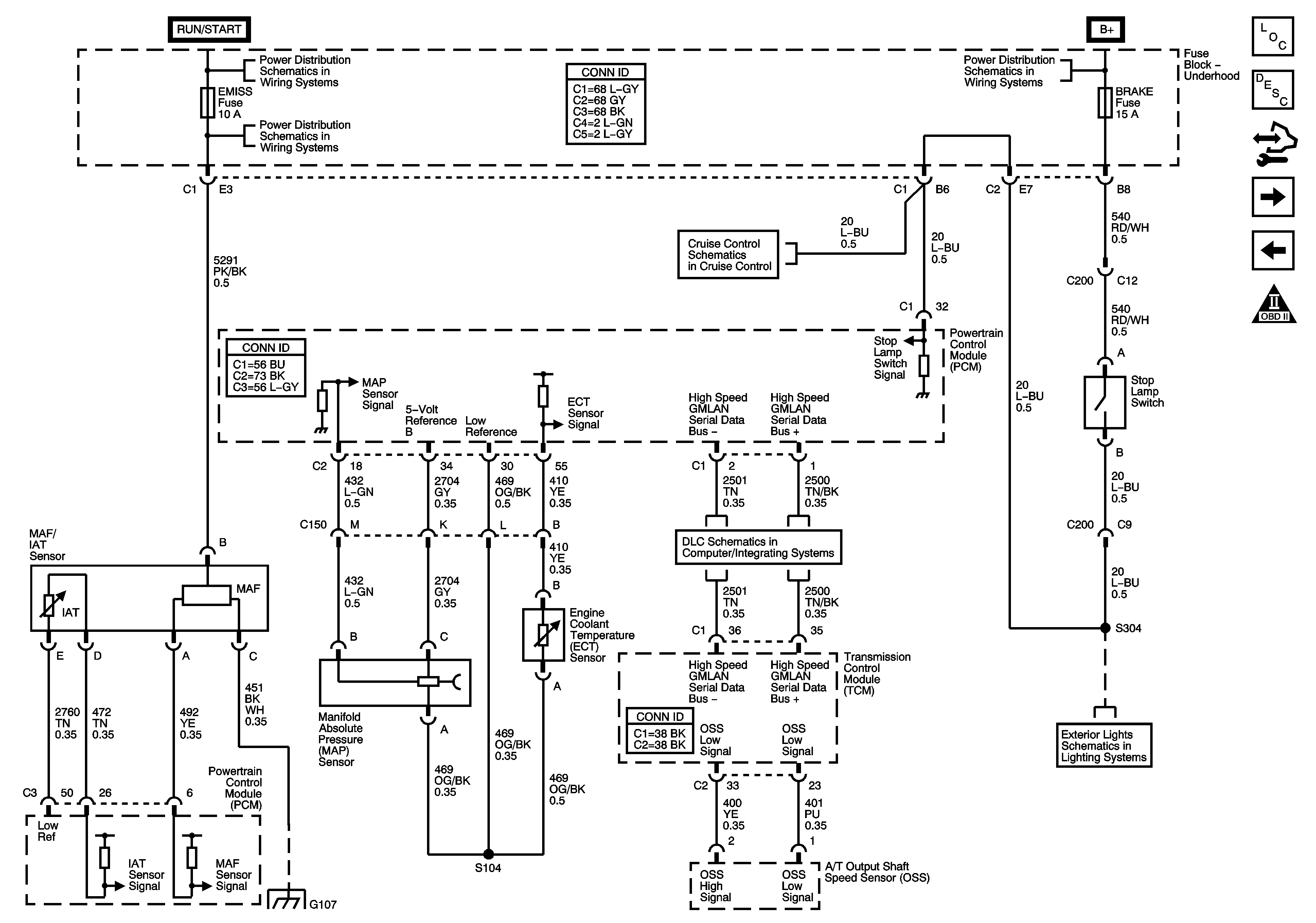
🢒 Engine Data Sensors - MAF/IAT, Pressure, Temperature, and the Stop Lamp Switch
Engine Data Sensors - MAF/IAT, Pressure, Temperature, and the Stop Lamp Switch
Engine Data Sensors - MAF/IAT, Pressure, Temperature, and the Stop Lamp Switch
Master Electrical Component List
Powertrain Control Module Description
Control Module References
Engine Data Sensors - Oxygen Sensors
Low References
OBD II Symbol Description Notice
B+ Bussing
Ignition Circuits
ENG IGN, INJ, EMISS, and ETC Fuses
Cruise Control Schematic
Stop Lamps
Data Link Communication Schematic
G103, G105, G107, G109, and G207
Engine Controls Schematic Icons