GM Service Manual Online
For 1990-2009 cars only
Makes
🢒
Chevrolet
🢒
2005
🢒
Equinox
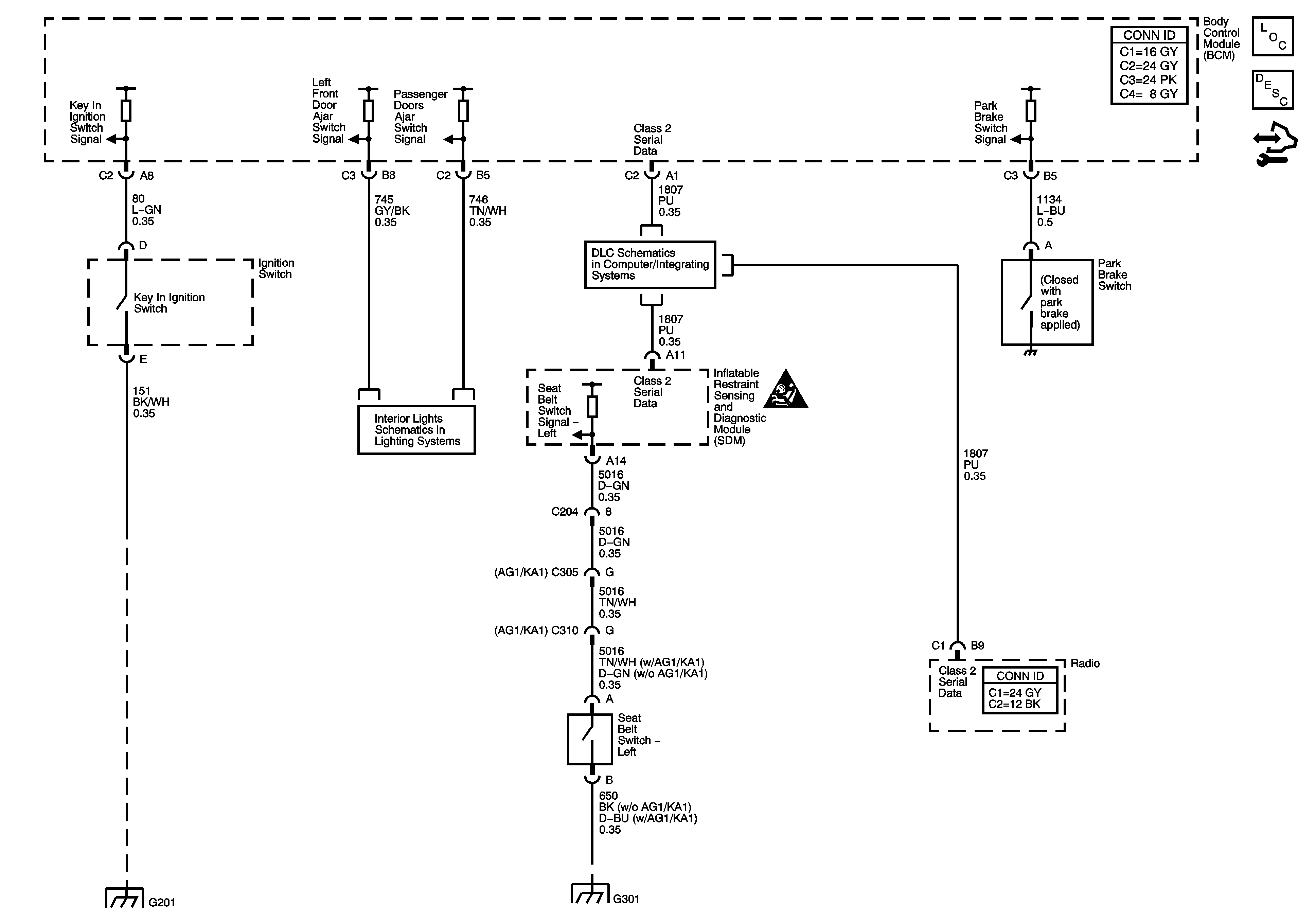
🢒 Audible Warning Schematic
Audible Warning Schematic
Master Electrical Component List
Air Temperature Description and Operation
Control Module References
Data Link Communication Schematic
Interior Lighting Schematic
G201
G301
SIR Caution for Zoning