GM Service Manual Online
For 1990-2009 cars only
Makes
🢒
Chevrolet
🢒
1985
🢒
Evaluator
🢒
Brakes
🢒
Antilock Brake System
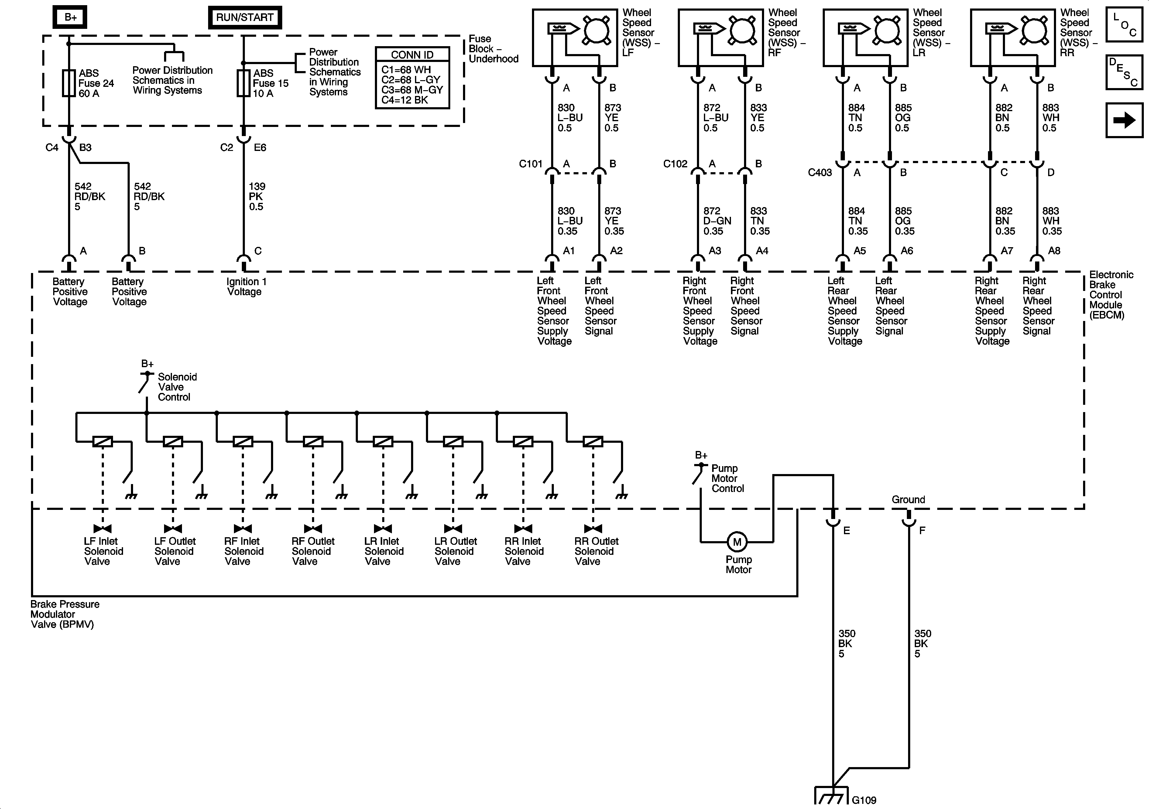
🢒 Antilock Brake System Schematics
Ground G304 and G305
Power Distribution (Run Crank Relay Feeds)
Power Distribution (PCM BATT, ABS, EPS, ICBM Batt1, ICBM Batt2 Fuses)
Ground G109
Master Electrical Component List
ABS Description and Operation
Antilock Brake System Schematic Icons