GM Service Manual Online
For 1990-2009 cars only
Makes
🢒
Chevrolet
🢒
1985
🢒
Evaluator
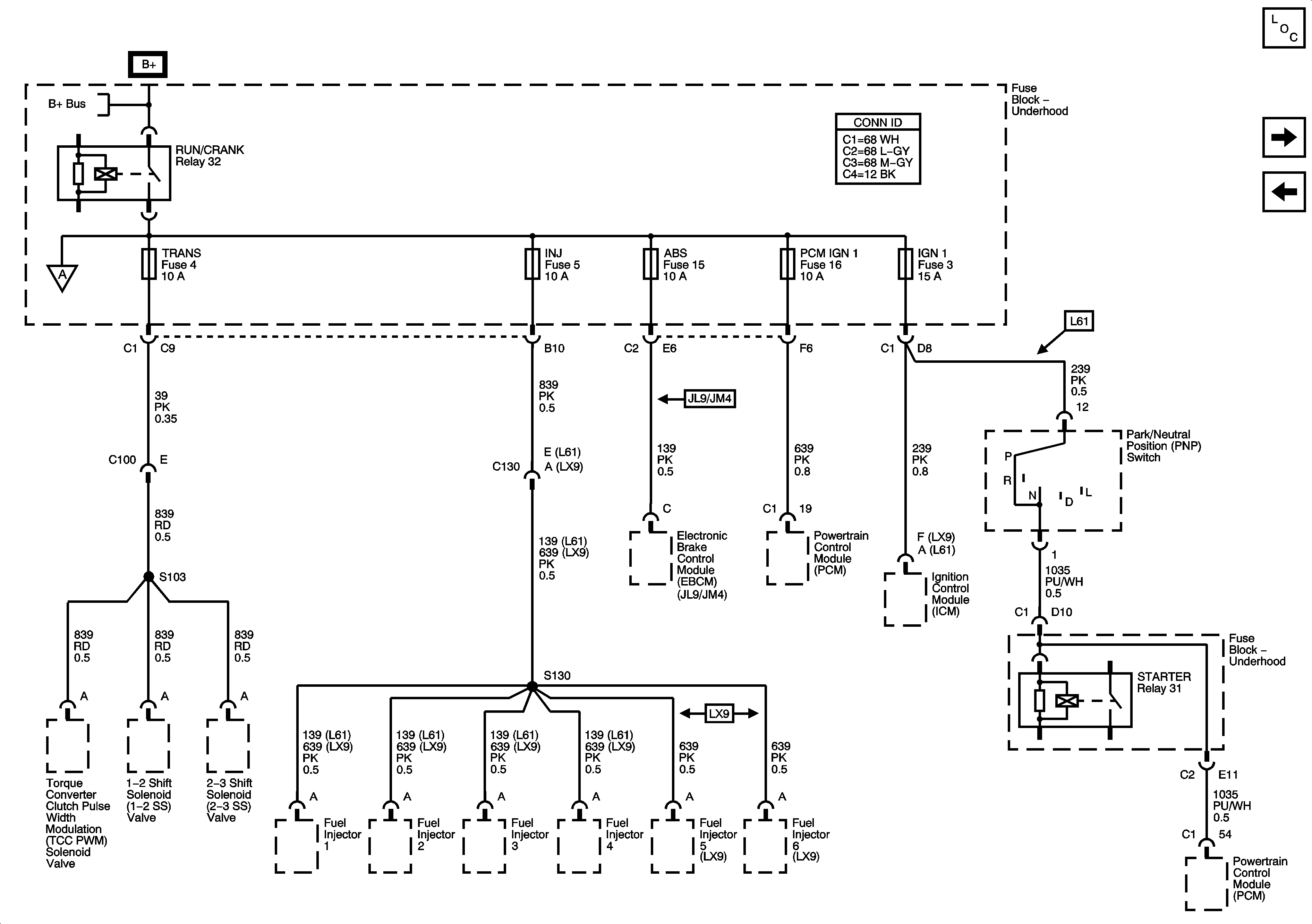
🢒 Power Distribution (Run Crank Relay Feeds)
Power Distribution (Run Crank Relay Feeds)
Run/Crank ICBM, Transmission, Injectors, ABS, PCM IGN, IGN Fuses
Master Electrical Component List
Power Distribution (AIR, A/C Clutch, ECT IGN, ERLS#1 Fuses)
Power Distribution (Headlamp Fuses)
Power Distribution (B+ Bussing)