GM Service Manual Online
For 1990-2009 cars only
Makes
🢒
Chevrolet
🢒
1985
🢒
Evaluator
🢒 Power Distribution (Underhood Junction Block - ICBM Batt Fuse feeds)
Power Distribution (Underhood Junction Block - ICBM Batt Fuse feeds)
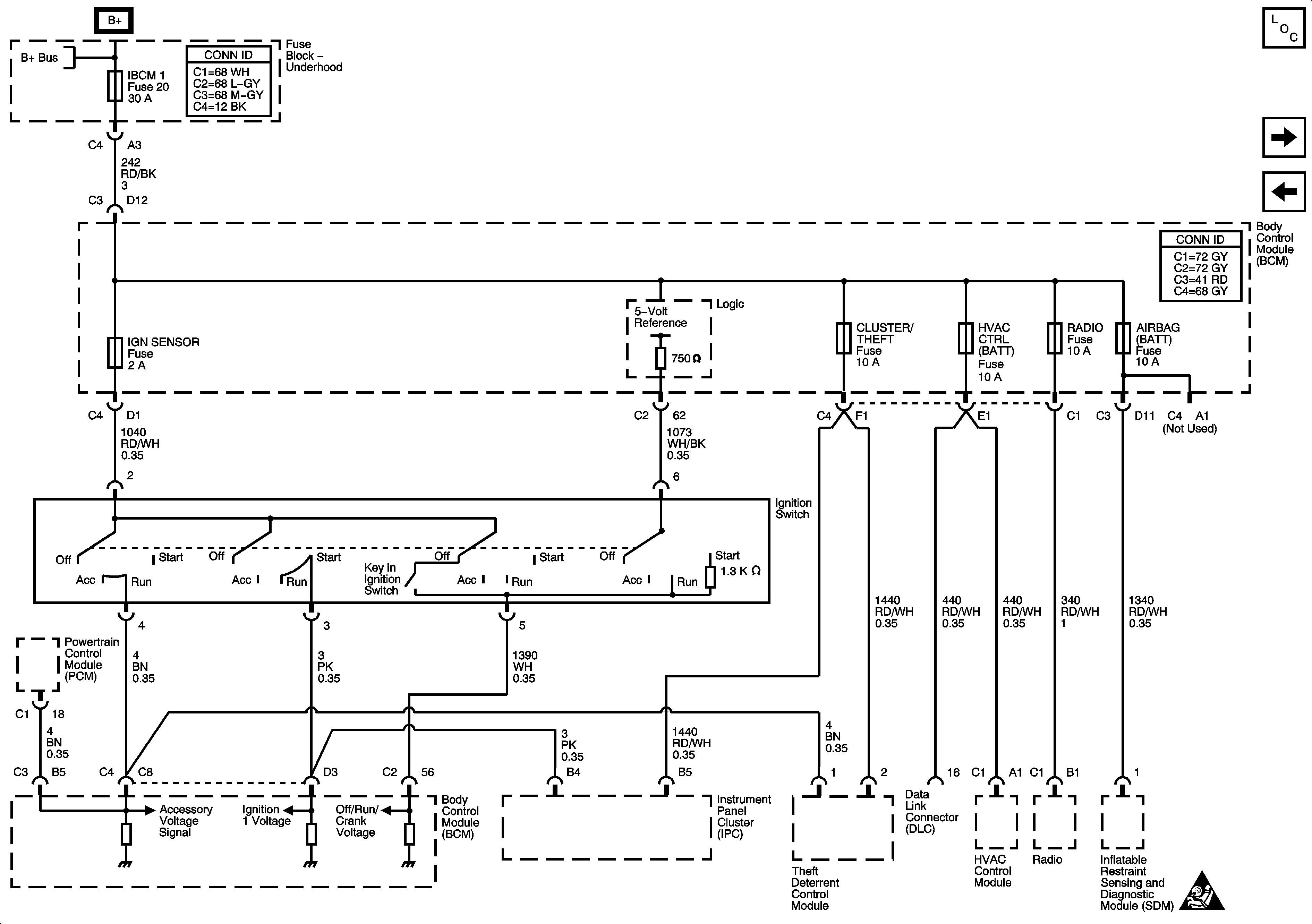
Underhood Junction Block -- IBCM Batt 1, BCM -- Radio/RFA, Ignition Sensor, HVAC BATT, Cluster/Theft, Air Bag Batt Fuses
Master Electrical Component List
Power Distribution (Int Lights, PWR Mirror, Pedal, OnStar Fuses)
Power Distribution (B+ Bussing)