GM Service Manual Online
For 1990-2009 cars only
Makes
🢒
Chevrolet
🢒
1997
🢒
Express
🢒
Transmission/Transaxle
🢒
Automatic Transmission - 4L60-E
🢒 Automatic Transmission Controls Schematics
Figure
1:
PWR and VSS
Automatic Transmission Components
OBD II Symbol Description Notice
Information Sensors 5.7L, 7.4L
Solenoid, TCC and Stoplamp Controls
Figure
2:
Solenoid, TCC and Stoplamp Controls
Automatic Transmission Components
OBD II Symbol Description Notice
Information Sensors 5.7L, 7.4L
Sensor Controls
Sensor Controls 5.0L/5.7L
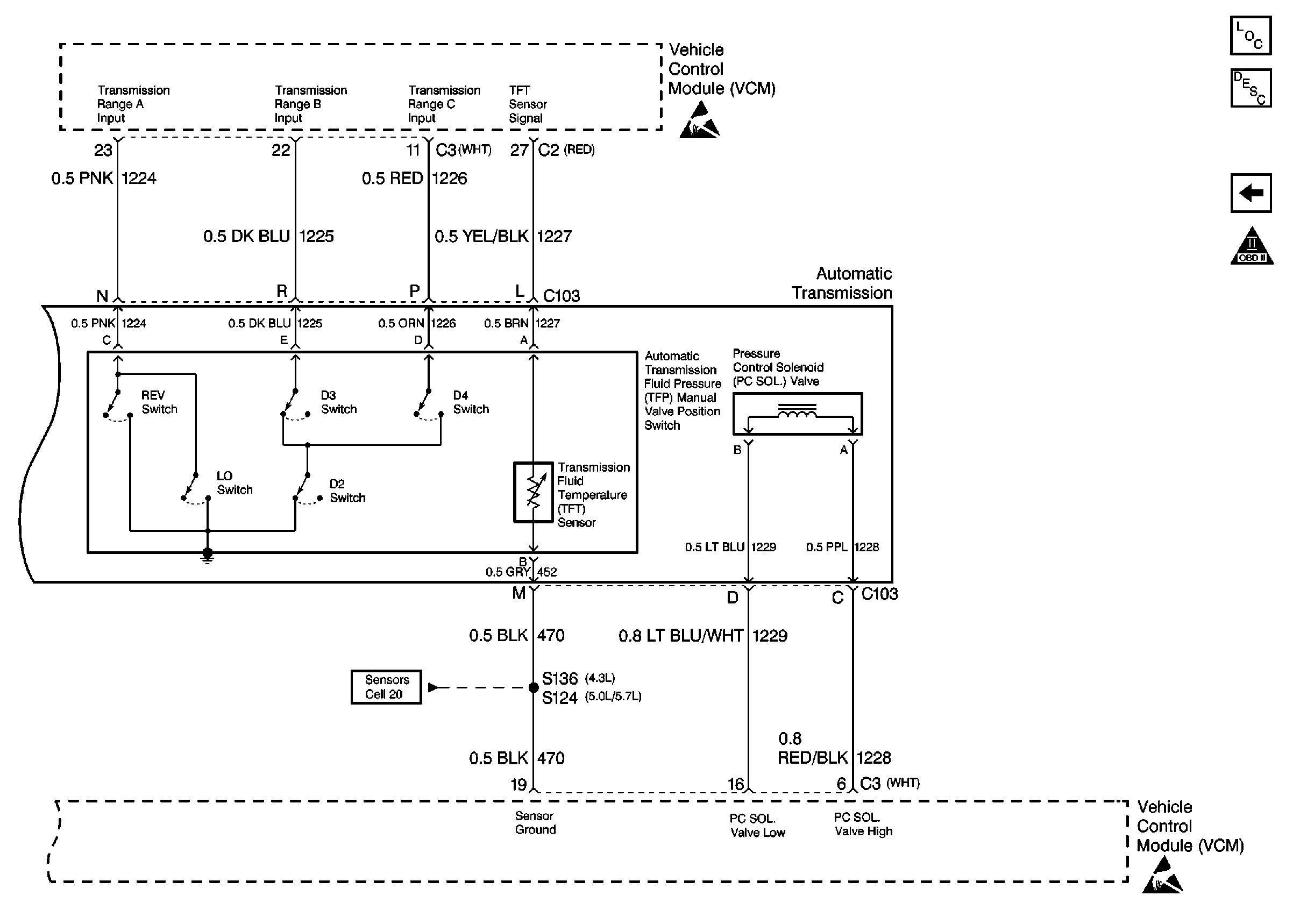
Figure
3:
Switch, Sensor and GND Controls
Automatic Transmission Components
OBD II Symbol Description Notice
Information Sensors 5.7L, 7.4L
PWR and VSS