GM Service Manual Online
For 1990-2009 cars only
Makes
🢒
Chevrolet
🢒
1997
🢒
Express
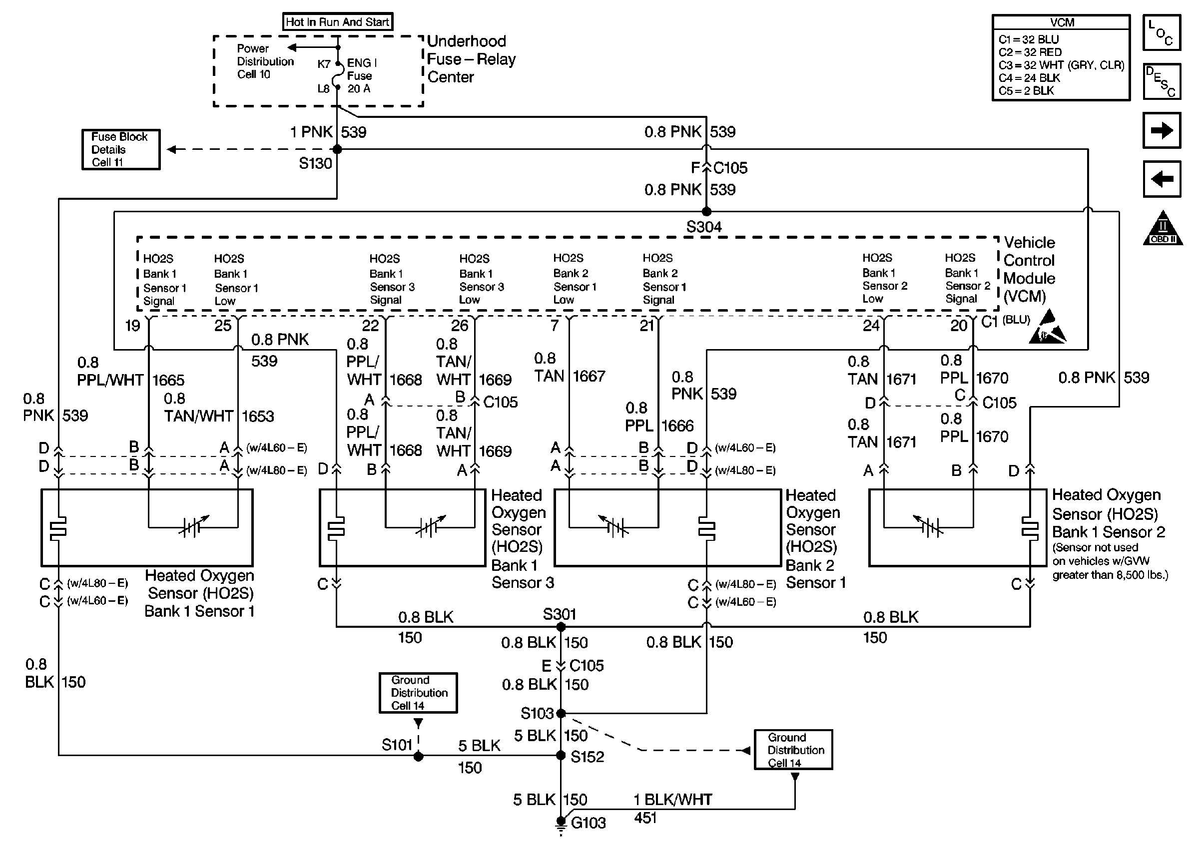
🢒 Oxygen Sensor Controls
Oxygen Sensor Controls
Oxygen Sensor Controls
Engine Controls Components
Information Sensors 4.3L, 5.0L
VSS and Cruise Controls
EGR and EVAP Controls
OBD II Symbol Description Notice