GM Service Manual Online
For 1990-2009 cars only
Makes
🢒
Chevrolet
🢒
1997
🢒
Express
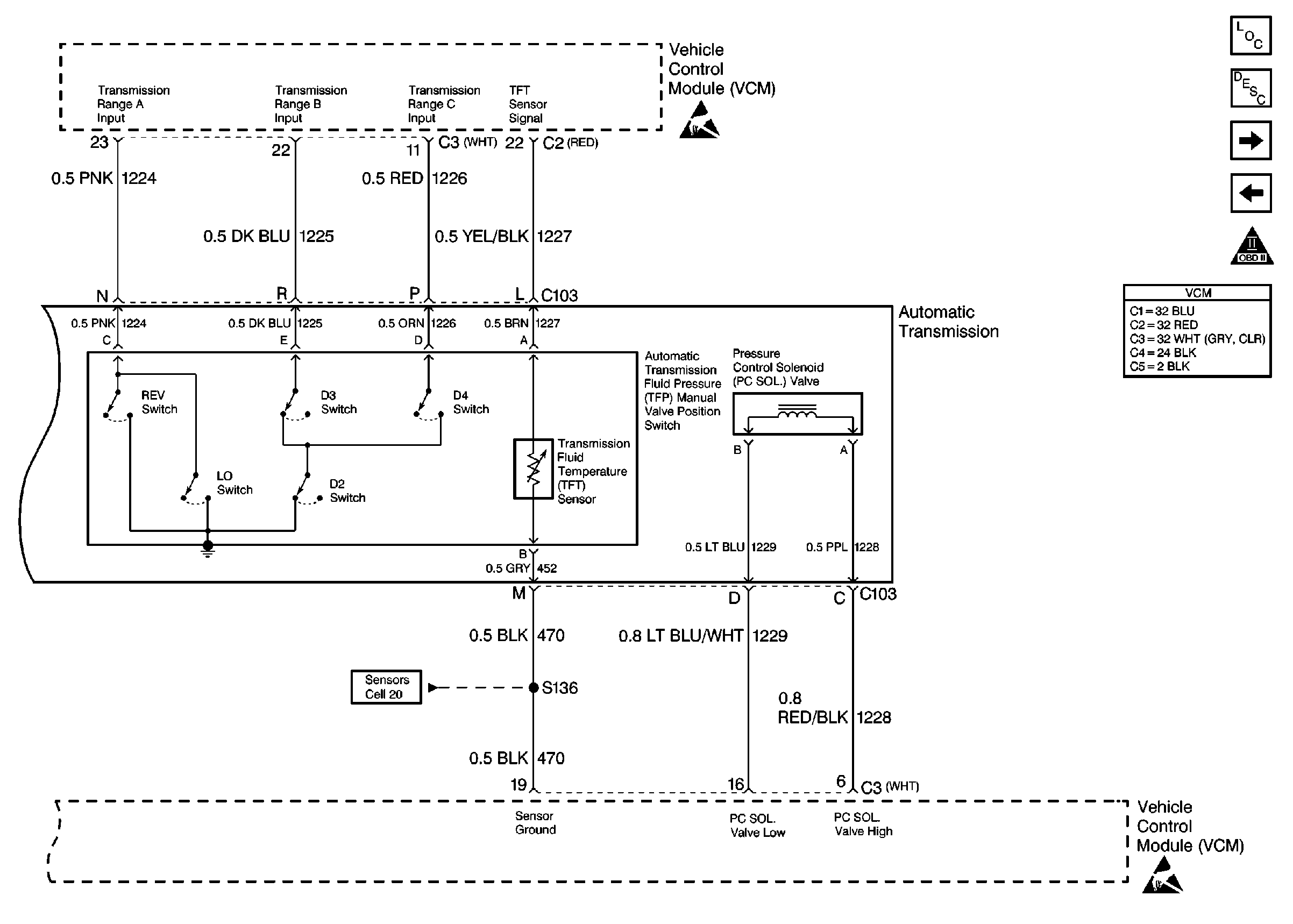
🢒 4L60-E Transmission Switch Controls
4L60-E Transmission Switch Controls
4L60-E Transmission Switch Controls
Engine Controls Components
Information Sensors 4.3L, 5.0L
4L80-E Transmission Solenoid Controls
4L60-E Transmission Controls
OBD II Symbol Description Notice
Sensor Controls