GM Service Manual Online
For 1990-2009 cars only

DTC P0741 TCC System Stuck Off Diesel


Object Number: 69936  Size: MF
Automatic Transmission Components Diesel Engines
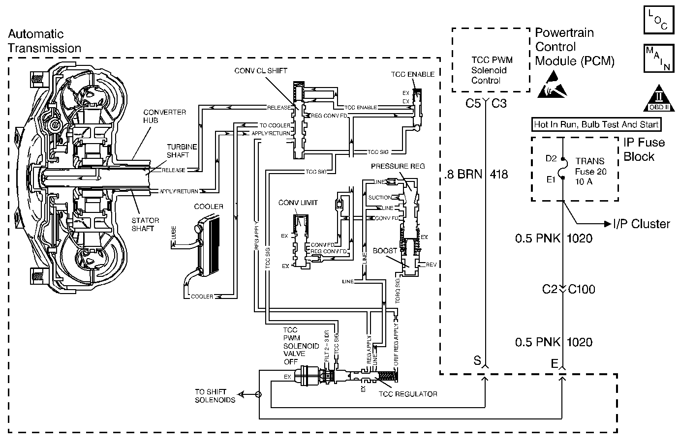
Automatic Transmission Controls Schematics Diesel Engines
OBD II Symbol Description Notice
Handling ESD Sensitive Parts Notice

Circuit Description

The Powertrain Control Module (PCM) energizes the Torque Converter Clutch Pulse Width Modulation Solenoid Valve (TCC PWM Sol. Valve) by creating a ground path on circuit 418. When the PCM grounds (energizes) the TCC PWM Sol. Valve, the TCC PWM Sol. Valve stops the converter signal oil from exhausting. This causes the converter signal oil pressure to increase and shift the TCC Shift Valve. The TCC PWM Sol. Valve will de-energize when the PCM no longer provides a ground path. When the TCC PWM Sol. Valve is de-energized, the TCC PWM Sol. Valve exhausts fluid and releases the TCC.

If the PCM detects high torque converter slip when the TCC is commanded ON, then DTC P0741 sets. DTC P0741 is a type A DTC.

Conditions for Setting the DTC

  1. No OSS Sensor DTCs P0722 or P0723.
  2. No A/T ISS Sensor DTCs P0716 or P0717.
  3. No TCC PWM Sol. Valve DTCs P0742 or P1860.
  4. No TFP Val. Position Sw. DTC P1810.
  5. The TCC PWM Sol. Valve is commanded in 2nd or 3rd gear for greater than 0.6 seconds.
  6. The engine must be running more than 475 RPM for at least 7 seconds.
  7. The TCC is applied for greater than 0.6 seconds.
  8. The gear ratio must indicate 2nd or 3rd gear.
  9. The APP Angle is 15-99%.
  10. The TFP Val. Position Sw. must be in D4, D3, or D2 and has not changed state in greater than 2 seconds.
  11. The TFT must be -10 to +150°C (14-302°F).
  12. The TCC slip speed is greater than 65 RPM for 4 seconds.
  13. All conditions must be met for a total of 2 occurrences.

Action Taken When the DTC Sets

    • The PCM inhibits the TCC.
    • The PCM inhibits 4th gear.
    • The PCM illuminates the Malfunction Indicator Lamp (MIL).

Conditions for Clearing the MIL/DTC

  1. The PCM turns OFF the MIL after three consecutive ignition cycles without a failure reported.
  2. A scan tool can clear the DTC from the PCM history. The PCM clears the DTC from the PCM history if the vehicle completes 40 warm-up cycles without a failure reported.
  3. The PCM cancels the DTC default actions when the fault no longer exists and the ignition is OFF long enough in order to power down the PCM

Diagnostic Aids

    • Inspect the wiring for poor electrical connections at the PCM Inspect the wiring for poor electrical connections at the transmission 20-way connector. Look for the following problems:
       - A bent terminal
       - A backed out terminal
       - A damaged terminal
       - Poor terminal tension
       - A chafed wire
       - A broken wire inside the insulation
    • First diagnose and clear any engine DTCs or APP Sensor codes that are present. Then inspect for any transmission DTCs that may have reset.

P0741

Step

Action

Value(s)

Yes

No

1

Was the Powertrain On-Board Diagnostic (OBD) System Check performed?

--

Go to Step 2

Go to Powertrain On Board Diagnostic (OBD) System Check

2

  1. Install the Scan Tool ®.
  2. With the engine OFF, turn the ignition switch to the RUN position.
  3. Important: Before clearing the DTCs, use the scan tool in order to record the Freeze Frame and Failure Records for reference. The Clear Info function will erase the data.

  4. Drive the vehicle in D3 in 3rd gear.
  5. Record the data using snapshot mode.

Is the TCC snapshot data greater than the specified value when the TCC PWM Sol. Valve is commanded ON (greater than 95%) for greater than 2 seconds?

65 RPM

Go to Step 3

Go to Diagnostic Aids

3

Inspect for a mechanically stuck OFF TCC PWM Sol. Valve.

Refer to Torque Converter Clutch Diagnosis in this section.

Did you find a problem?

--

Go to Step 5

Go to Step 4

4

  1. Inspect for a mechanically stuck OFF Torque Converter.
  2. Inspect the TCC for a damaged exhaust orifice.
  3. Inspect the Torque Converter for possible damage.
  4. Inspect for a converter apply shift valve stuck in the OFF (release) position.
  5. Inspect for a misaligned or damaged valve body gasket.
  6. Inspect for a restricted apply or release passage.
  7. Refer to On-Vehicle Service.

Did you find and correct a problem?

--

Go to Step 5

--

5

In order to verify your repair, perform the following procedure:

  1. Select DTC.
  2. Select Clear Info.
  3. Operate the vehicle under the following conditions:
  4. • Drive the vehicle in D3 with steady acceleration and the TP Angle over 10%.
    •  The PCM must see a TCC slip of less than 65 RPM for 1 seconds.
  5. Select Specific DTC and enter DTC P0741.

Has the test run and passed?

--

System OK

Begin the diagnosis again. Go to Step 1

DTC P0741 TCC System Stuck Off Gas


Object Number: 69951  Size: MF
Automatic Transmission Components Gas Engines
Automatic Transmission Controls Schematics Gas Engines
OBD II Symbol Description Notice
Handling ESD Sensitive Parts Notice

Circuit Description

Important: DTC P0741 inspects for high Torque Converter Clutch (TCC) slip in 2nd and 3rd gear only. The transmission must be in hot mode or experiencing a wide open throttle maneuver in order for the TCC apply to occur in 2nd and 3rd gear.

The Vehicle Control Module (VCM) energizes the Torque Converter Clutch Pulse Width Modulated Solenoid Valve (TCC PWM Sol. Valve) by creating a ground path on circuit 418. When the VCM grounds (energizes) the TCC PWM Sol. Valve, the TCC PWM Sol. Valve stops the converter signal oil from exhausting. This causes the converter signal oil pressure to increase and shift the TCC valve. The TCC PWM Sol. Valve will de-energize when the VCM no longer provides a ground path. When the TCC PWM Sol. Valve is de-energized, the TCC PWM Sol. Valve exhausts fluid and releases the TCC.

If the VCM detects high torque converter slip when the TCC is commanded ON, then DTC P0741 sets. DTC P0741 is a type D DTC. For California emissions vehicles DTC P0741 is a type B DTC.

Conditions for Setting the DTC

  1. No Throttle Position (TP) Sensor DTCs P0121 or P0122.
  2. No OSS DTC P0502.
  3. No A/T ISS Sensor DTCs P0716 or P0717.
  4. No TCC DTCs P0742 or P1860.
  5. No TFP Val. Position Sw. DTC P1810.
  6. The engine must be running for at least 7 seconds.
  7. The gear ratio must indicate 2nd, 3rd, or 4th gear.
  8. The Throttle Position is 10-80%.
  9. The TFP Val. Position Sw. must be in D4, D3, or D2.
  10. The transmission fluid temperature (TFT) must be -20 to +150°C (-4 to +302°F).
  11. The TCC Slip Speed is greater than 65 RPM for 4 seconds.
  12. All conditions must be met for a total of 2 occurrences.

Action Taken When the DTC Sets

    • The VCM inhibits the TCC.
    • The VCM inhibits 4th gear.
    • The VCM illuminates the Malfunction Indicator Lamp (MIL) for California emissions vehicles.

Conditions for Clearing the DTC

  1. For California emissions, the VCM turns OFF the MIL after three consecutive ignition cycles without a failure reported.
  2. A scan tool can clear the DTC from the VCM history. The VCM clears the DTC from the VCM history if the vehicle completes 40 warm-up cycles without a failure reported.
  3. The VCM cancels the DTC default actions when the fault no longer exists and the ignition is OFF long enough in order to power down the VCM.

Diagnostic Aids

    • Inspect the wiring for poor electrical connections at the VCM. Inspect the wiring for poor electrical connections at the transmission 20-way connector. Look for the following problems:
       - A bent terminal
       - A backed out terminal
       - A damaged terminal
       - Poor terminal tension
       - A chafed wire
       - A broken wire inside the insulation
    • First diagnose and clear any engine DTCs or TP Sensor codes that are present. Then inspect for any transmission DTCs that may have reset.

P0741

Step

Action

Value(s)

Yes

No

1

Was the Powertrain On-Board Diagnostic (OBD) System Check performed?

--

Go to Step 2

Go to:

Powertrain On Board Diagnostic (OBD) System Check (4.3L)

Powertrain On Board Diagnostic (OBD) System Check (5.7L and 7.4L)

2

  1. Install the Scan Tool ®.
  2. Important: Before clearing the DTCs, use the scan tool in order to record the Freeze Frame and Failure Records for reference. The Clear Info function will erase the data.

  3. Drive the vehicle in D3 in 3rd gear.
  4. Record the data using snapshot mode.

Is the TCC snapshot data greater than the specified value when the TCC Duty Cycle is commanded greater than 95% for greater than 4 seconds?

65 RPM

Go to Step 3

Go to Diagnostic Aids

3

The TCC PWM Sol. Valve is mechanically stuck OFF.

Refer to Torque Converter Clutch Diagnosis in this section.

Did you find a problem?

--

Go to Step 5

Go to Step 4

4

  1. Inspect for a mechanically stuck OFF Torque Converter.
  2. Inspect the TCC for a damaged exhaust orifice.
  3. Inspect the Torque Converter for possible damage.
  4. Inspect for the converter apply valve being stuck in the off (release) position.
  5. Inspect for a misaligned or damaged valve body gasket.
  6. Inspect for a restricted apply or release passage.
  7. Refer to On-Vehicle Service.

Did you find and correct a problem?

--

Go to Step 5

--

5

In order to verify your repair, perform the following procedure:

  1. Select DTC.
  2. Select Clear Info.
  3. Operate the vehicle under the following conditions:
  4. • Drive the vehicle in D3 with steady acceleration and TP over 12%.
    •  The VCM must see a TCC slip of less than 20 RPM for 1 second.
    • Select Specific DTC.
    • Enter DTC P0741.

Has the test run and passed?

--

System OK

Begin the diagnosis again. Go to Step 1