GM Service Manual Online
For 1990-2009 cars only
Figure 1:

Cell 22: PWR, GND and DLC


Object Number: 341114  Size: FS
Engine Controls Components
Information Sensors/Switches Description
Cell 22: Glow Plug Controls Federal Emissions
Cell 10: HTD MIR, HAZARD, PWR ACCY, STOP, PWR AUX, CIG LTR, RADIO-B, CTSY, PARK LPS, DRL, SECURITY STRG, ILLUM Fuses
Cell 10: Battery, Battery Junction Block, Auxiliary Battery, AUX A, AUX B, BLOWER, IGN-B, IGN-A, ABS, BATT, LIGHTING, ECM-B, HORN, A/C Fuses, Inline Fuse 30 A (Diesel Engines)
Cell 11: ECM-B, HORN, A/C Fuses
Cell 11: FUEL SOL, IGN-E, RR BLOWER Fuses
Cell 11: GAUGES Fuse
Cell 11: STOP, PWR AUX, CIG LTR, RADIO-B, HTD MIR, HAZARD Fuses
Powertrain Control Module Connector End Views
Handling ESD Sensitive Parts Notice
Handling ESD Sensitive Parts Notice
Handling ESD Sensitive Parts Notice
Cell 14: G103 (6.5L)
Cell 14: G101, G102 (6.5L)
Figure 2:

Cell 22: Glow Plug Controls Federal Emissions


Object Number: 341117  Size: FS
Engine Controls Components
Information Sensors/Switches Description
Cell 22: Fuel Pump Controls
Cell 22: PWR, GND and DLC
Cell 10: Battery, Battery Junction Block, Auxiliary Battery, AUX A, AUX B, BLOWER, IGN-B, IGN-A, ABS, BATT, LIGHTING, ECM-B, HORN, A/C Fuses, Inline Fuse 30 A (Diesel Engines)
Cell 10: Battery, Battery Junction Block, Auxiliary Battery, AUX A, AUX B, BLOWER, IGN-B, IGN-A, ABS, BATT, LIGHTING, ECM-B, HORN, A/C Fuses, Inline Fuse 30 A (Diesel Engines)
Cell 10: FUEL SOL, IGN-E, ECM-I, ENG-I, GAUGES, AIR BAGS, TURN B/U Fuses
Cell 11: GAUGES Fuse
Cell 11: FUEL SOL, IGN-E, RR BLOWER Fuses
Powertrain Control Module Connector End Views
Handling ESD Sensitive Parts Notice
Handling ESD Sensitive Parts Notice
Cell 14: G103 (6.5L)
Cell 81: GAUGES Fuse, WATER-IN-FUEL Indicator Sensor, G103
Figure 3:

Cell 22: Fuel Pump Controls


Object Number: 341122  Size: FS
Engine Controls Components
Information Sensors/Switches Description
Cell 22: Fuel Controls
Cell 22: Glow Plug Controls Federal Emissions
Cell 10: Battery, Battery Junction Block, Auxiliary Battery, AUX A, AUX B, BLOWER, IGN-B, IGN-A, ABS, BATT, LIGHTING, ECM-B, HORN, A/C Fuses, Inline Fuse 30 A (Diesel Engines)
Cell 11: ECM-B, HORN, A/C Fuses
Powertrain Control Module Connector End Views
Handling ESD Sensitive Parts Notice
Cell 14: G103 (6.5L)
Figure 4:

Cell 22: Fuel Controls


Object Number: 341123  Size: FS
Engine Controls Components
Information Sensors/Switches Description
Cell 22: Fuel Temperature Controls
Cell 22: Fuel Pump Controls
Cell 10: Battery, Battery Junction Block, Auxiliary Battery, AUX A, AUX B, BLOWER, IGN-B, IGN-A, ABS, BATT, LIGHTING, ECM-B, HORN, A/C Fuses, Inline Fuse 30 A (Diesel Engines)
Cell 10: FUEL SOL, IGN-E, ECM-I, ENG-I, GAUGES, AIR BAGS, TURN B/U Fuses
Cell 11: FUEL SOL, IGN-E, RR BLOWER Fuses
Cell 81: GAUGES Fuse, WATER-IN-FUEL Indicator Sensor, G103
Powertrain Control Module Connector End Views
Handling ESD Sensitive Parts Notice
Handling ESD Sensitive Parts Notice
Cell 14: G103 (6.5L)
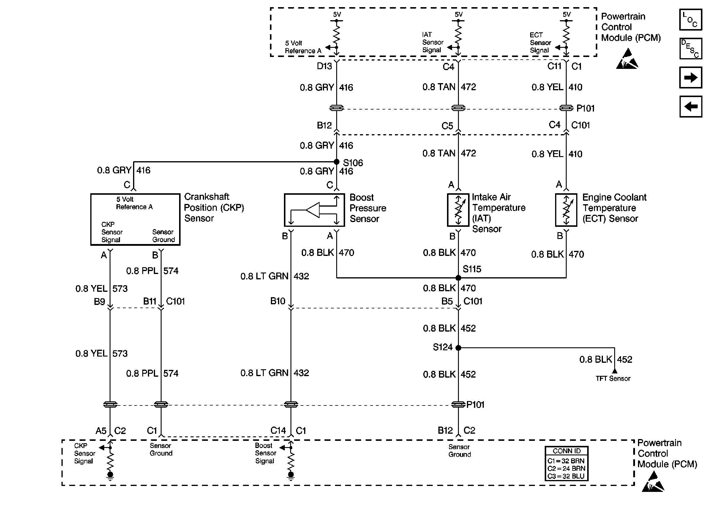
Figure 5:

Cell 22: Fuel Temperature Controls


Object Number: 341125  Size: FS
Engine Controls Components
Information Sensors/Switches Description
Cell 22: Sensor Controls
Cell 22: Fuel Controls
Powertrain Control Module Connector End Views
Handling ESD Sensitive Parts Notice
Handling ESD Sensitive Parts Notice
Figure 6:

Cell 22: Sensor Controls


Object Number: 341126  Size: FS
Engine Controls Components
Information Sensors/Switches Description
Cell 22: Wastegate Controls
Cell 22: Fuel Temperature Controls
Cell 22: 4L80-E Switch and ISS Controls
Powertrain Control Module Connector End Views
Handling ESD Sensitive Parts Notice
Handling ESD Sensitive Parts Notice
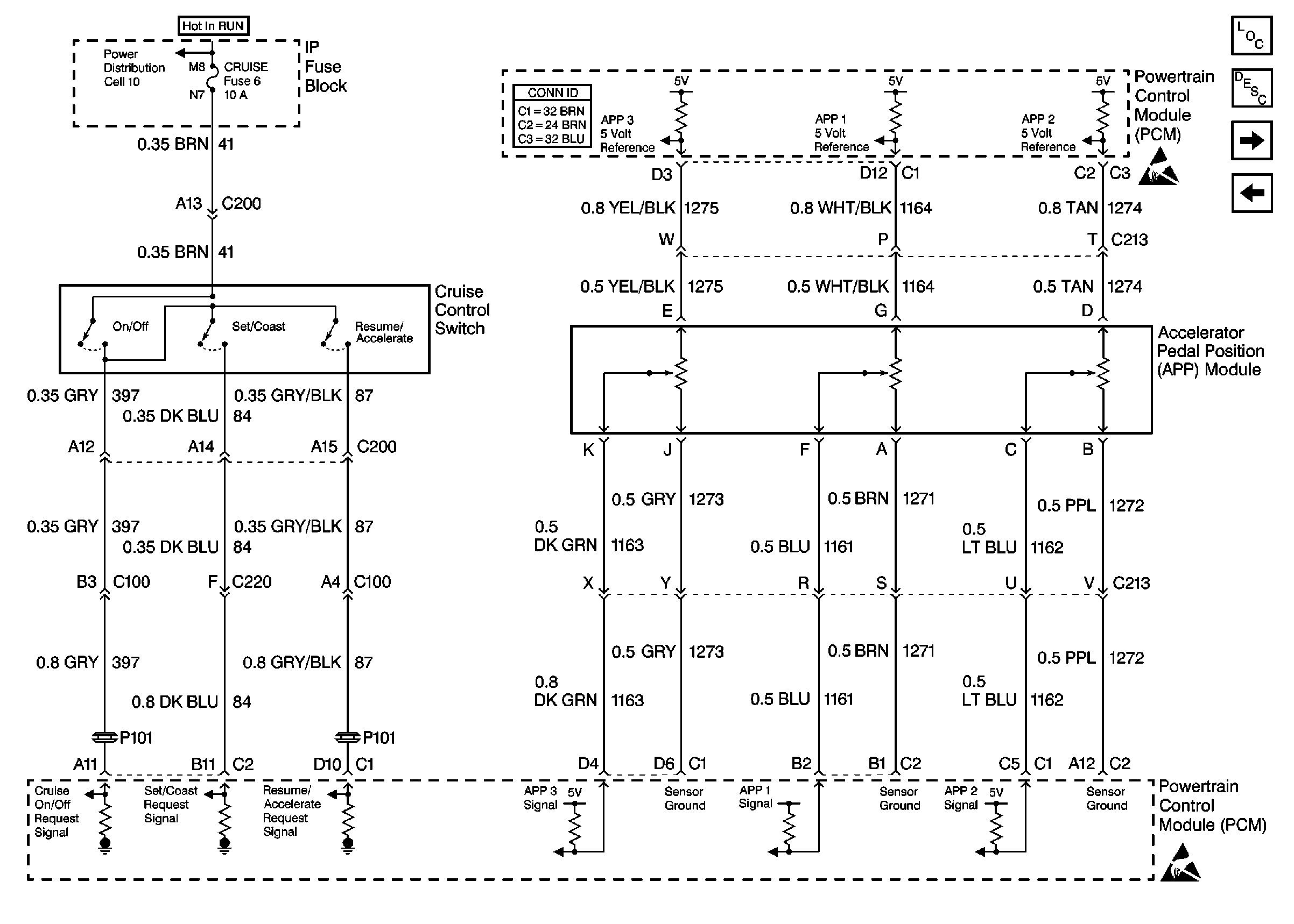
Figure 7:

Cell 22: Wastegate Controls


Object Number: 414505  Size: FS
Engine Controls Components
Information Sensors/Switches Description
Cell 22: Cruise Controls
Cell 22: Sensor Controls
Cell 10: Battery, Battery Junction Block, Auxiliary Battery, AUX A, AUX B, BLOWER, IGN-B, IGN-A, ABS, BATT, LIGHTING, ECM-B, HORN, A/C Fuses, Inline Fuse 30 A (Diesel Engines)
Cell 11: FUEL SOL, IGN-E, RR BLOWER Fuses
Powertrain Control Module Connector End Views
Handling ESD Sensitive Parts Notice
Figure 8:

Cell 22: Cruise Controls


Object Number: 341128  Size: FS
Engine Controls Components
Information Sensors/Switches Description
Cell 22: VSS Controls
Cell 22: Wastegate Controls
Cell 10: Ignition Switch, RR BLOWER, RR HVAC, BRAKE, HTR AC, CRUISE, RADIO, WIPER, PWR WDO, TRANS, CRANK Fuses
Powertrain Control Module Connector End Views
Handling ESD Sensitive Parts Notice
Handling ESD Sensitive Parts Notice
Figure 9:

Cell 22: VSS Controls


Object Number: 341132  Size: FS
Engine Controls Components
Information Sensors/Switches Description
Cell 22: 4L80-E Solenoid Controls
Cell 22: Cruise Controls
Cell 10: FUEL SOL, IGN-E, ECM-I, ENG-I, GAUGES, AIR BAGS, TURN B/U Fuses
Cell 11: GAUGES Fuse
Powertrain Control Module Connector End Views
Handling ESD Sensitive Parts Notice
Handling ESD Sensitive Parts Notice
Handling ESD Sensitive Parts Notice
Handling ESD Sensitive Parts Notice
Engine Controls Schematic Icons
Cell 14: G103 (6.5L)
Cell 14: G103 (6.5L)
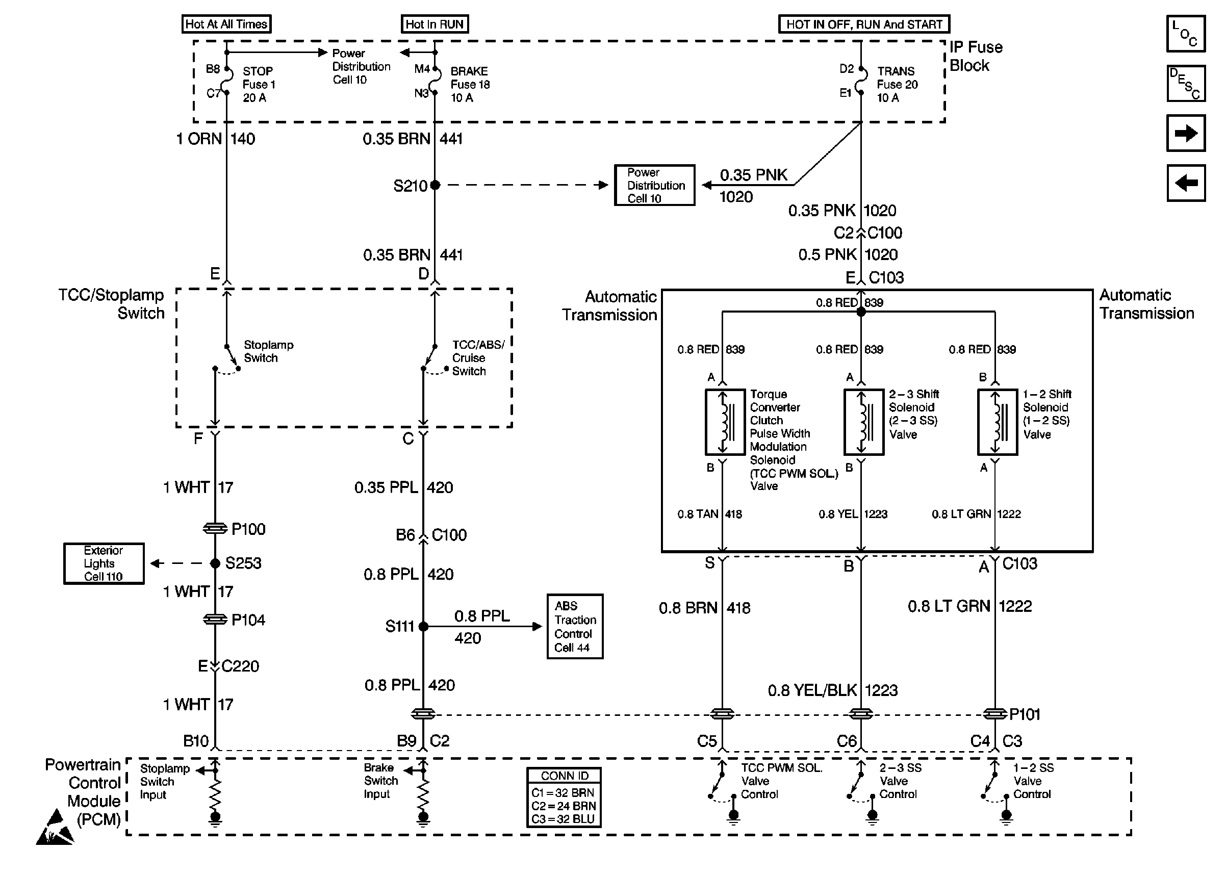
Figure 10:

Cell 22: 4L80-E Solenoid Controls


Object Number: 341134  Size: FS
Engine Controls Components
Information Sensors/Switches Description
Cell 22: 4L80-E Switch and ISS Controls
Cell 22: VSS Controls
Cell 10: Ignition Switch, RR BLOWER, RR HVAC, BRAKE, HTR AC, CRUISE, RADIO, WIPER, PWR WDO, TRANS, CRANK Fuses
Cell 11: TURN B/U and TRANS Fuses
Cell 110: PARK LPS, TURN B/U, HAZARD, STOP Fuses
Cell 44: IP, PCM, EBCM, and VSS (Diesel)
Powertrain Control Module Connector End Views
Handling ESD Sensitive Parts Notice
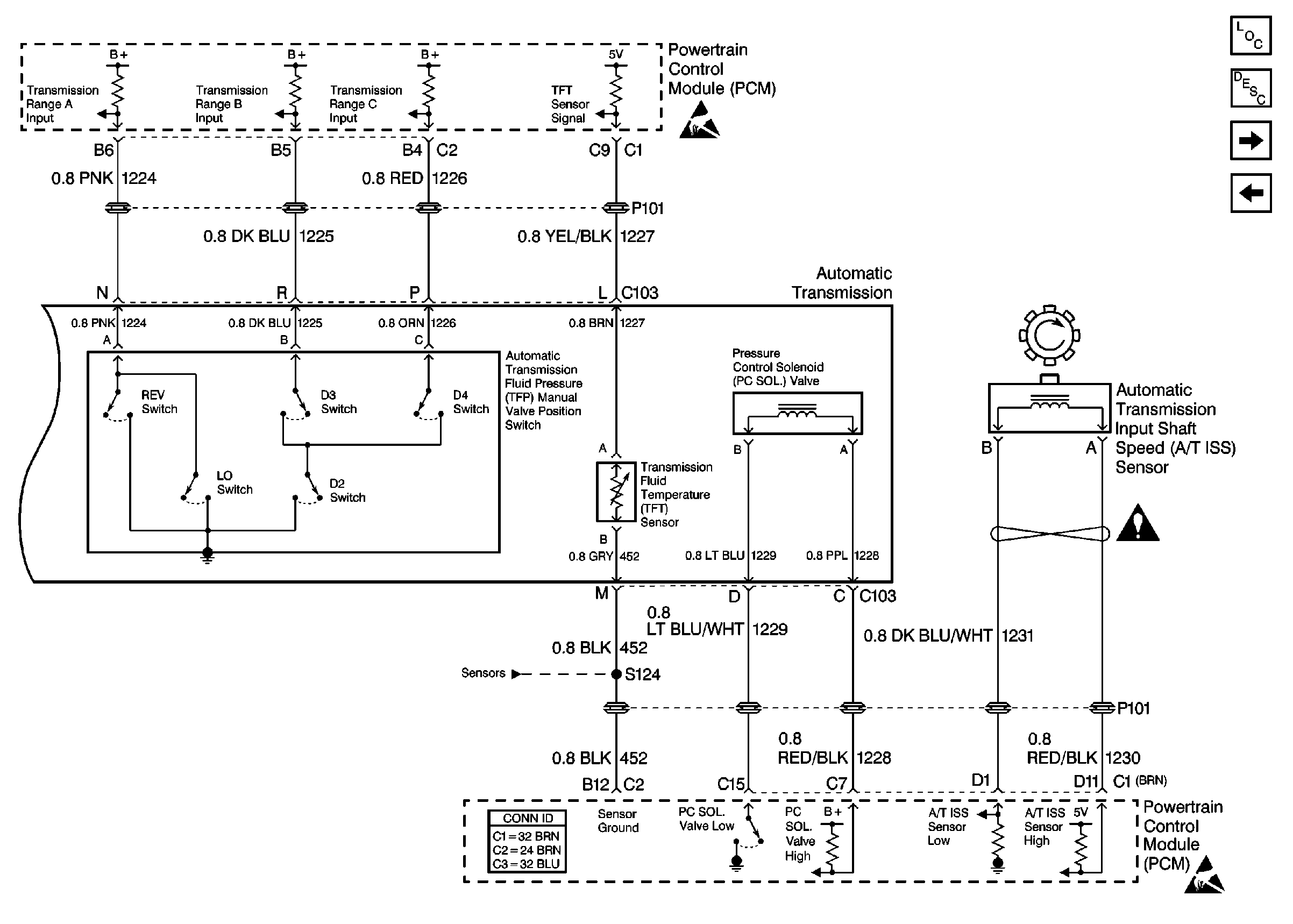
Figure 11:

Cell 22: 4L80-E Switch and ISS Controls


Object Number: 341136  Size: FS
Engine Controls Components
Information Sensors/Switches Description
Cell 22: A/C Controls
Cell 22: 4L80-E Solenoid Controls
Cell 22: Sensor Controls
Powertrain Control Module Connector End Views
Handling ESD Sensitive Parts Notice
Handling ESD Sensitive Parts Notice
Engine Controls Schematic Icons
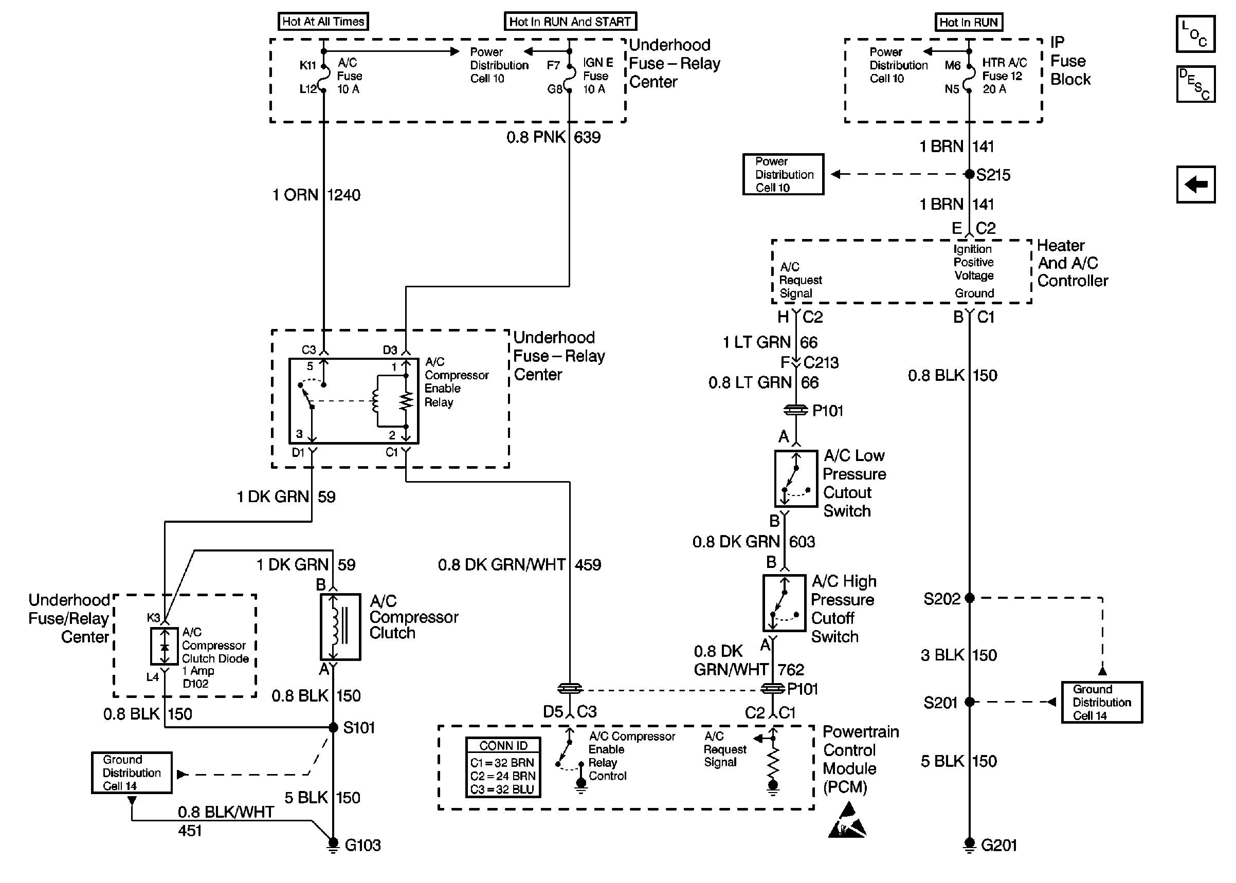
Figure 12:

Cell 22: A/C Controls


Object Number: 341137  Size: FS
Engine Controls Components
Information Sensors/Switches Description
Cell 22: 4L80-E Switch and ISS Controls
Cell 10: Ignition Switch, RR BLOWER, RR HVAC, BRAKE, HTR AC, CRUISE, RADIO, WIPER, PWR WDO, TRANS, CRANK Fuses
Cell 10: Battery, Battery Junction Block, Auxiliary Battery, AUX A, AUX B, BLOWER, IGN-B, IGN-A, ABS, BATT, LIGHTING, ECM-B, HORN, A/C Fuses, Inline Fuse 30 A (Diesel Engines)
Cell 11: CRANK, CRUISE, HTR-A/C, BRAKE Fuses
Powertrain Control Module Connector End Views
Handling ESD Sensitive Parts Notice
Cell 14: G201
Cell 14: G103 (6.5L)