GM Service Manual Online
For 1990-2009 cars only
Makes
🢒
Chevrolet
🢒
1999
🢒
Express
🢒
Body and Accessories
🢒
Lighting Systems
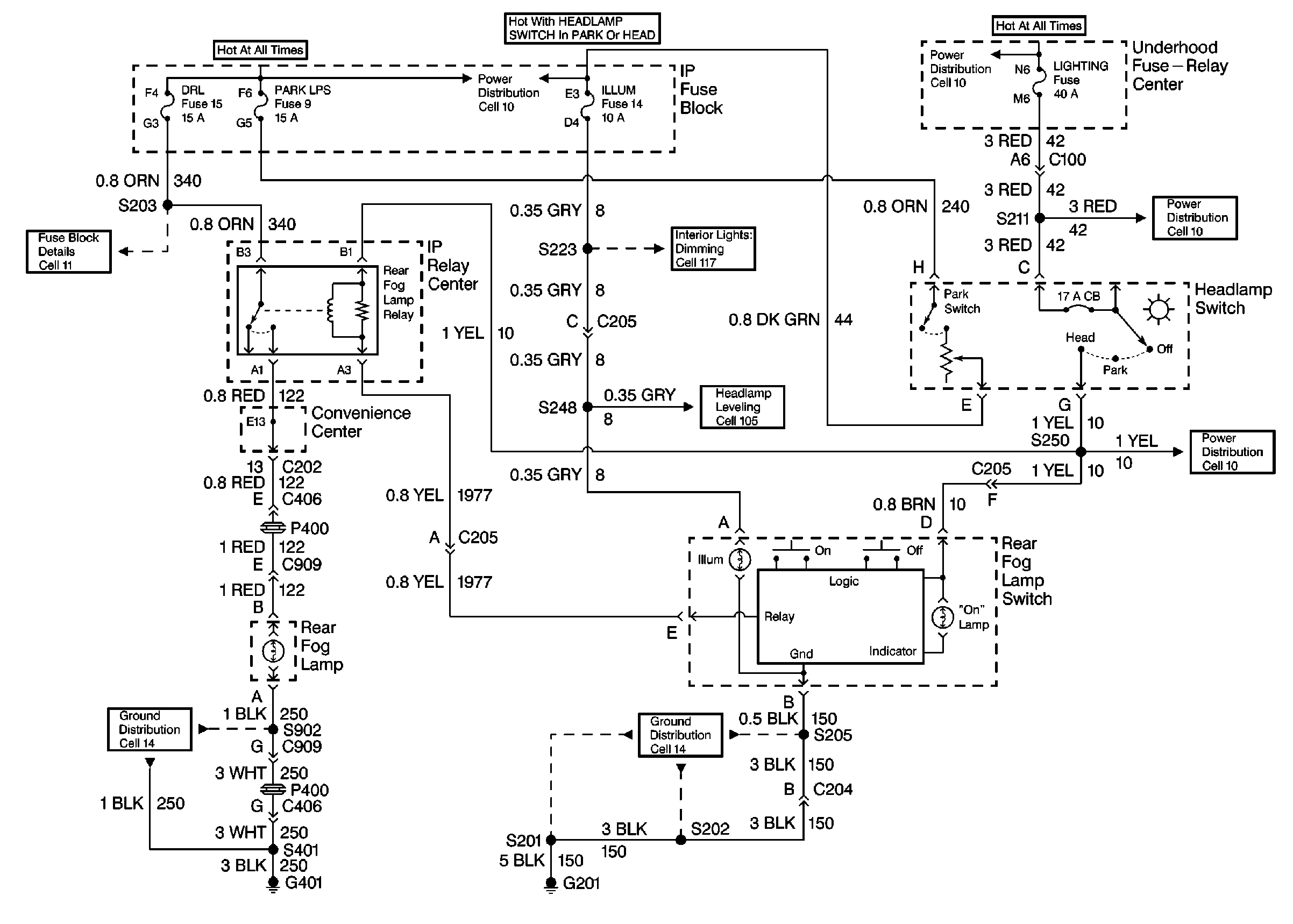
🢒 Fog Lights Schematics
Fog Lights Schematics Export
Cell 103
Lighting Systems Components Export
Fog Lights Circuit Description
Power Distribution Schematics Export
Power Distribution Schematics Export
Fuse Block Schematics Export
Interior Lights Dimming Schematics
Power Distribution Schematics Export
Power Distribution Schematics Export
Ground Distribution Schematics Export
Ground Distribution Schematics Export
Headlight Leveling Schematics