GM Service Manual Online
For 1990-2009 cars only
Makes
🢒
Chevrolet
🢒
1999
🢒
Express
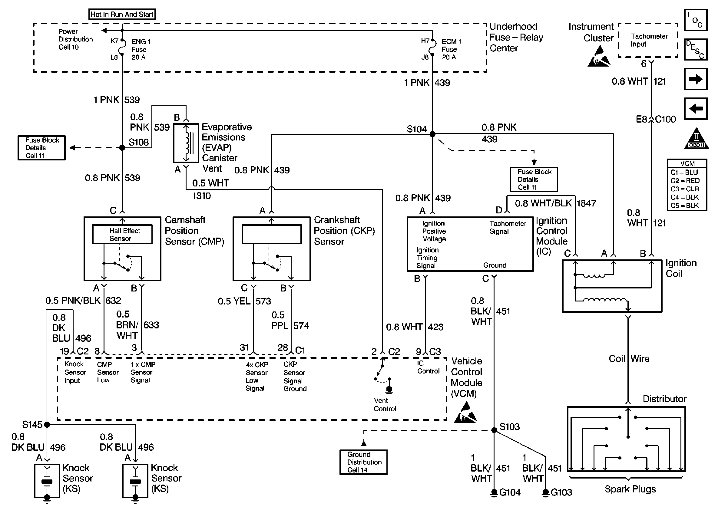
🢒 CKP, CMP, Knock Sensors and Ignition Controls
CKP, CMP, Knock Sensors and Ignition Controls
Engine Sensors
Engine Controls Components
Information Sensors/Switches Description
Engine Sensors (L29)
Power, Ground, MIL and DLC
OBDII Symbol Description Notice