GM Service Manual Online
For 1990-2009 cars only
Makes
🢒
Chevrolet
🢒
1999
🢒
Express
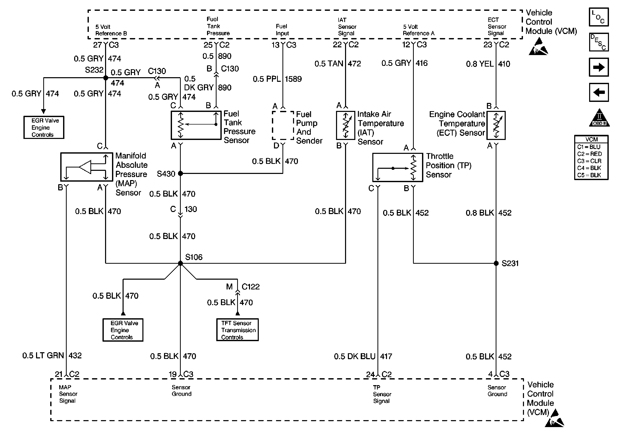
🢒 Engine Sensors (L29)
Engine Sensors (L29)
Engine Sensors
Engine Controls Components
Information Sensors/Switches Description
Fuel Pump Controls
CKP, CMP, Knock Sensors and Ignition Controls
OBDII Symbol Description Notice