GM Service Manual Online
For 1990-2009 cars only
Makes
🢒
Chevrolet
🢒
1999
🢒
Express
🢒 Cell 132: Door Lock Actuators
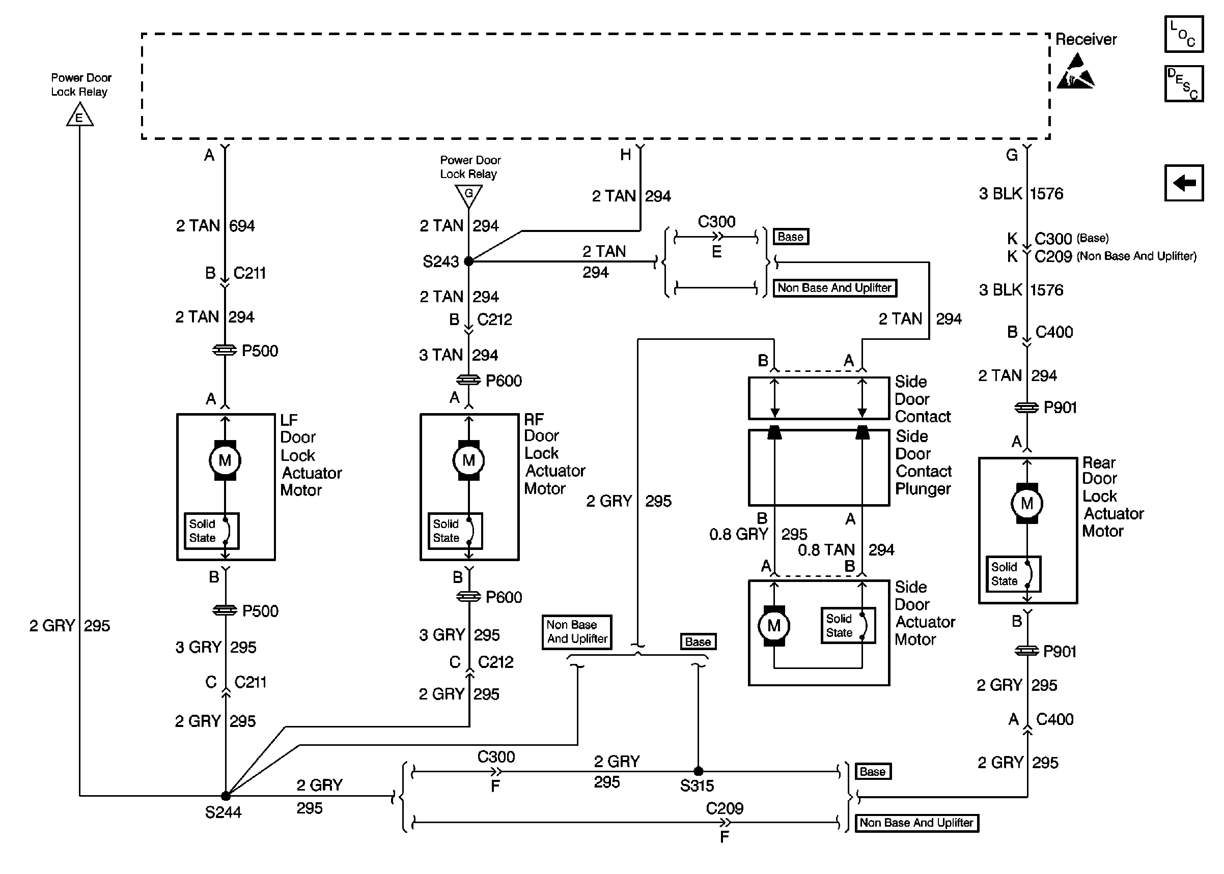
Cell 132: Door Lock Actuators
Cell 132: Door Lock Actuators
Keyless Entry Components
Keyless Entry System Circuit Description
Cell 132 Upfitter Provisions
Cell 132: Power Door Lock Relay
Cell 132: Power Door Lock Relay
Cell 132: Power Door Lock Relay
Cell 132: Power Door Lock Relay
Cell 132: Power Door Lock Relay
Cell 132: Power Door Lock Relay