GM Service Manual Online
For 1990-2009 cars only
Makes
🢒
Chevrolet
🢒
1999
🢒
Express
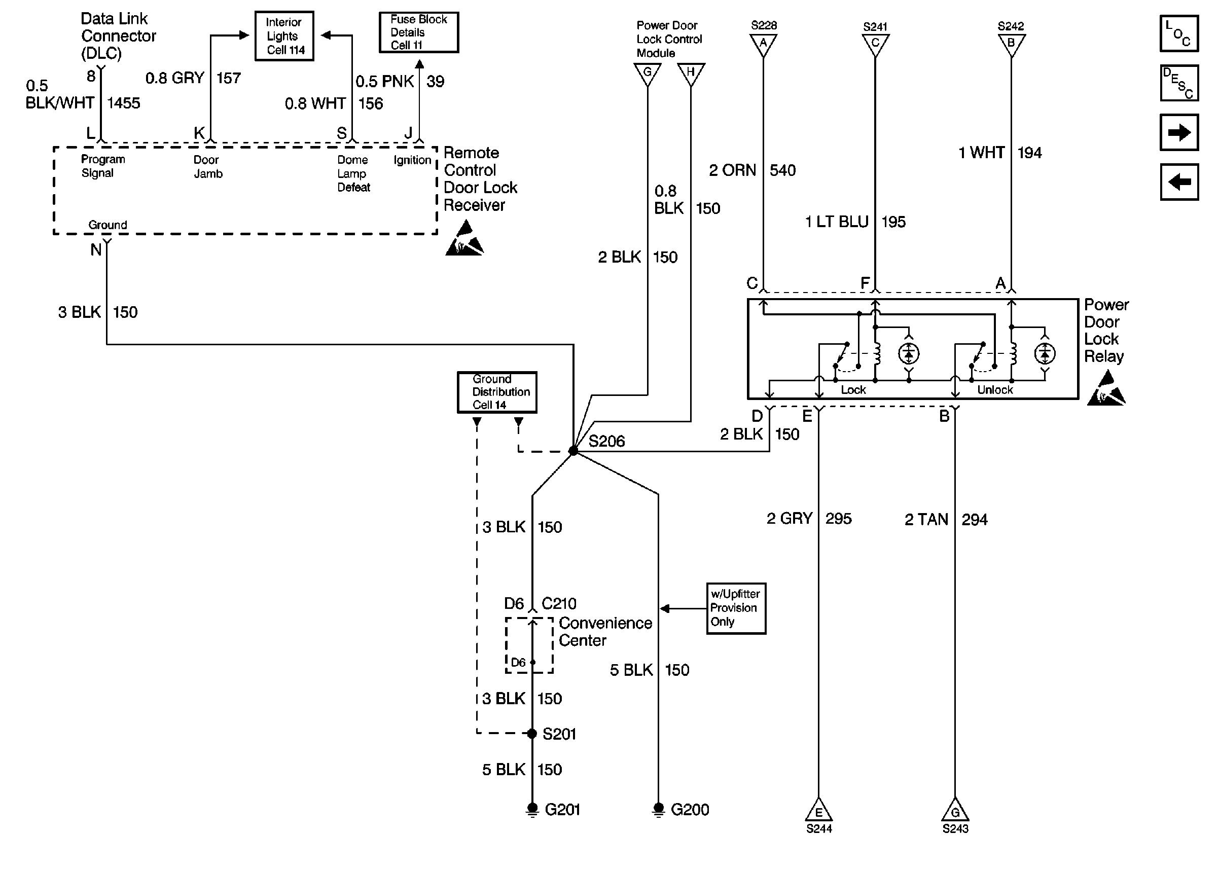
🢒 Cell 132: Power Door Lock Relay
Cell 132: Power Door Lock Relay
Cell 132: Power Door Lock Relay
Keyless Entry Components
Keyless Entry System Circuit Description
Cell 132: Door Lock Actuators
Cell 132: Power Door Lock Module
Cell 132: Keyless Entry
Cell 132: Keyless Entry
Cell 132: Keyless Entry
Cell 132: Keyless Entry
Interior Lights Schematics
Handling ESD Sensitive Parts Notice
Handling ESD Sensitive Parts Notice
Ground Distribution Schematics Domestic
Cell 132: Power Door Lock Module
Cell 132: Power Door Lock Module
Cell 132: Door Lock Actuators
Cell 132 Upfitter Provisions
Cell 132: Door Lock Actuators
Cell 132 Upfitter Provisions
Cell 132: Door Lock Actuators
Cell 132 Upfitter Provisions
Cell 132: Door Lock Actuators
Cell 132 Upfitter Provisions
Cell 132: Door Lock Actuators
Cell 132 Upfitter Provisions