GM Service Manual Online
For 1990-2009 cars only
Figure 1:

Fuses, MIL, PCM, DLC, G101, G103, G201


Object Number: 493271  Size: FS
Engine Controls Components
Powertrain Control Module Description
Glow Plug Controls-Federal Emissions
LIGHTING and BATT Fuses
Battery, Auxiliary Battery, and Underhood Fuse/Relay Center
ECM B, HORN, and A/C Fuses
ECM 1 and IGN E Fuses (6.5L)
GAUGES Fuse
STOP, PWR AUX, CIG LTR, and RADIO B Fuses
IGN A, IGN B Fuses, and Ignition Switch
IGN A, IGN B Fuses, and Ignition Switch
Handling ESD Sensitive Parts Notice
Handling ESD Sensitive Parts Notice
Handling ESD Sensitive Parts Notice
G103 (6.5L Engine)
G101 (Diesel Engine)
GAUGES Fuse, WATER-IN-FUEL Indicator Sensor, G103
Figure 2:

Glow Plug Controls--Federal Emissions


Object Number: 493273  Size: FS
Engine Controls Components
Powertrain Control Module Description
Glow Plug Controls - California Emissions
Fuses, MIL, PCM, DLC, G101, G103, G201
Battery, Auxiliary Battery, and Underhood Fuse/Relay Center
IGN A, IGN B Fuses, and Ignition Switch
IGN A, IGN B Fuses, and Ignition Switch
GAUGES Fuse
ECM 1 and IGN E Fuses (6.5L)
ECM 1 and IGN E Fuses (6.5L)
Handling ESD Sensitive Parts Notice
Handling ESD Sensitive Parts Notice
G103 (6.5L Engine)
GAUGES Fuse, WATER-IN-FUEL Indicator Sensor, G103
Figure 3:

Glow Plug Controls--California Emissions


Object Number: 528498  Size: FS
Engine Controls Components
Powertrain Control Module Description
Fuel Pump Controls
Glow Plug Controls-Federal Emissions
Battery, Auxiliary Battery, and Underhood Fuse/Relay Center
IGN A, IGN B Fuses, and Ignition Switch
IGN A, IGN B Fuses, and Ignition Switch
GAUGES Fuse
ECM 1 and IGN E Fuses (6.5L)
ECM 1 and IGN E Fuses (6.5L)
GAUGES Fuse, WATER-IN-FUEL Indicator Sensor, G103
Handling ESD Sensitive Parts Notice
Handling ESD Sensitive Parts Notice
G103 (6.5L Engine)
Figure 4:

Fuel Pump Controls


Object Number: 493276  Size: FS
Engine Controls Components
Powertrain Control Module Description
Fuel Solenoid Controls, Water-in-fuel Sensor
Glow Plug Controls - California Emissions
Battery, Auxiliary Battery, and Underhood Fuse/Relay Center
ECM B, HORN, and A/C Fuses
Handling ESD Sensitive Parts Notice
G101 (Diesel Engine)
G103 (6.5L Engine)
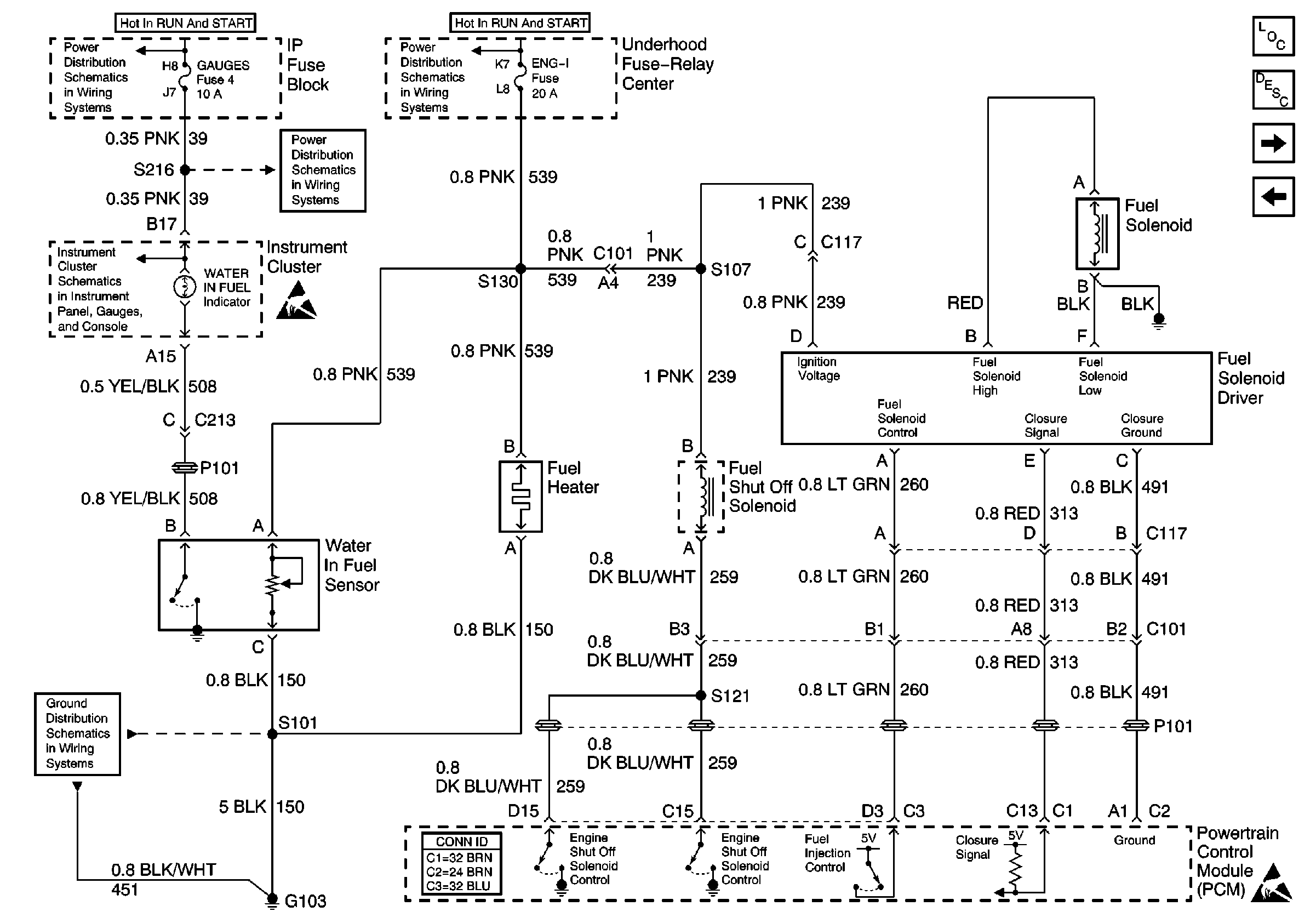
Figure 5:

Fuel Solenoid Controls, Water-in-fuel Sensor


Object Number: 493277  Size: FS
Engine Controls Components
Powertrain Control Module Description
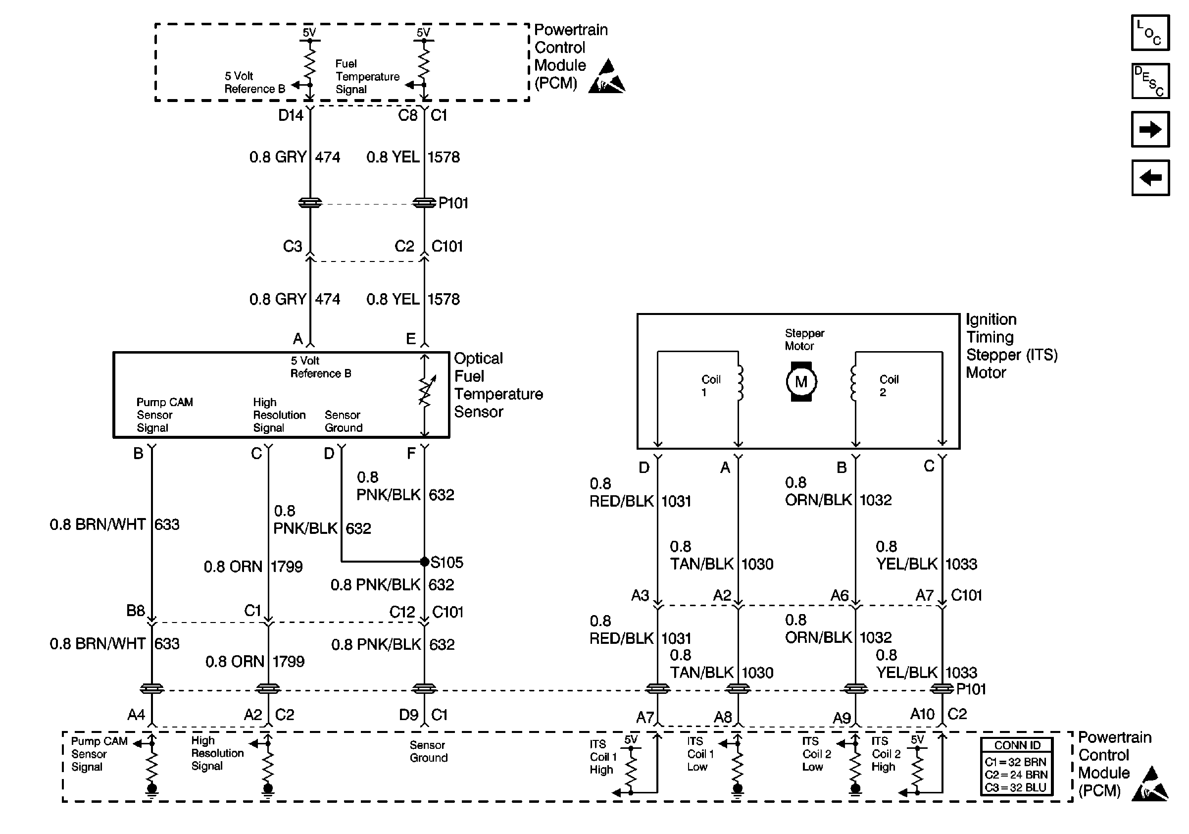
Fuel Temperature Controls, ITS Motor
Fuel Pump Controls
IGN A, IGN B Fuses, and Ignition Switch
IGN A, IGN B Fuses, and Ignition Switch
GAUGES Fuse
GAUGES Fuse, WATER-IN-FUEL Indicator Sensor, G103
Handling ESD Sensitive Parts Notice
Handling ESD Sensitive Parts Notice
G103 (6.5L Engine)
Figure 6:

Fuel Temperature Controls, ITS Motor


Object Number: 493279  Size: FS
Engine Controls Components
Powertrain Control Module Description
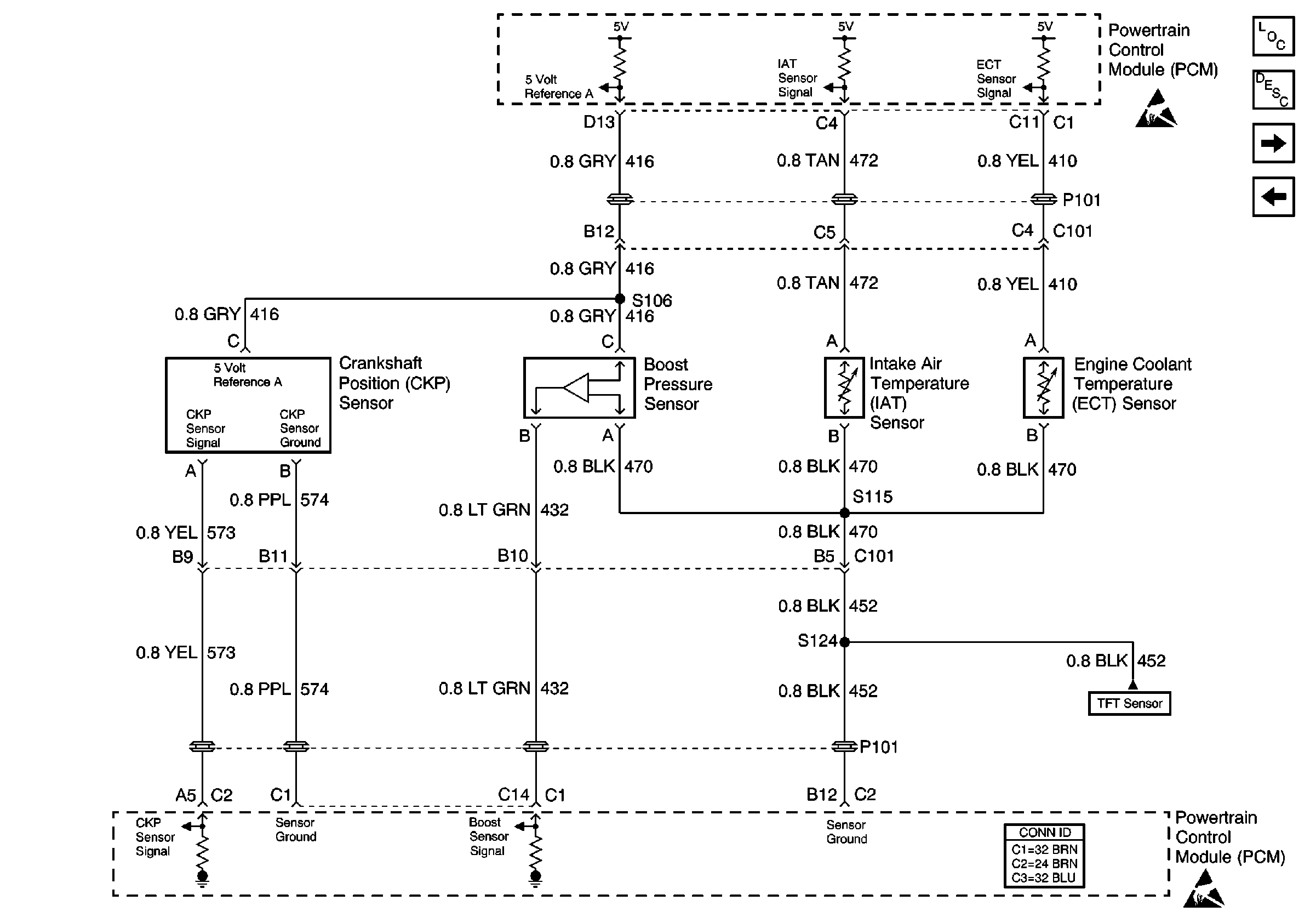
Sensor Controls: CKP, Boost Pressure Sensor, IAT, ECT
Fuel Solenoid Controls, Water-in-fuel Sensor
Handling ESD Sensitive Parts Notice
Handling ESD Sensitive Parts Notice
Figure 7:

Sensor Controls: CKP, Boost Pressure Sensor, IAT, ECT


Object Number: 493280  Size: FS
Engine Controls Components
Powertrain Control Module Description
Wastegate Controls
Fuel Temperature Controls, ITS Motor
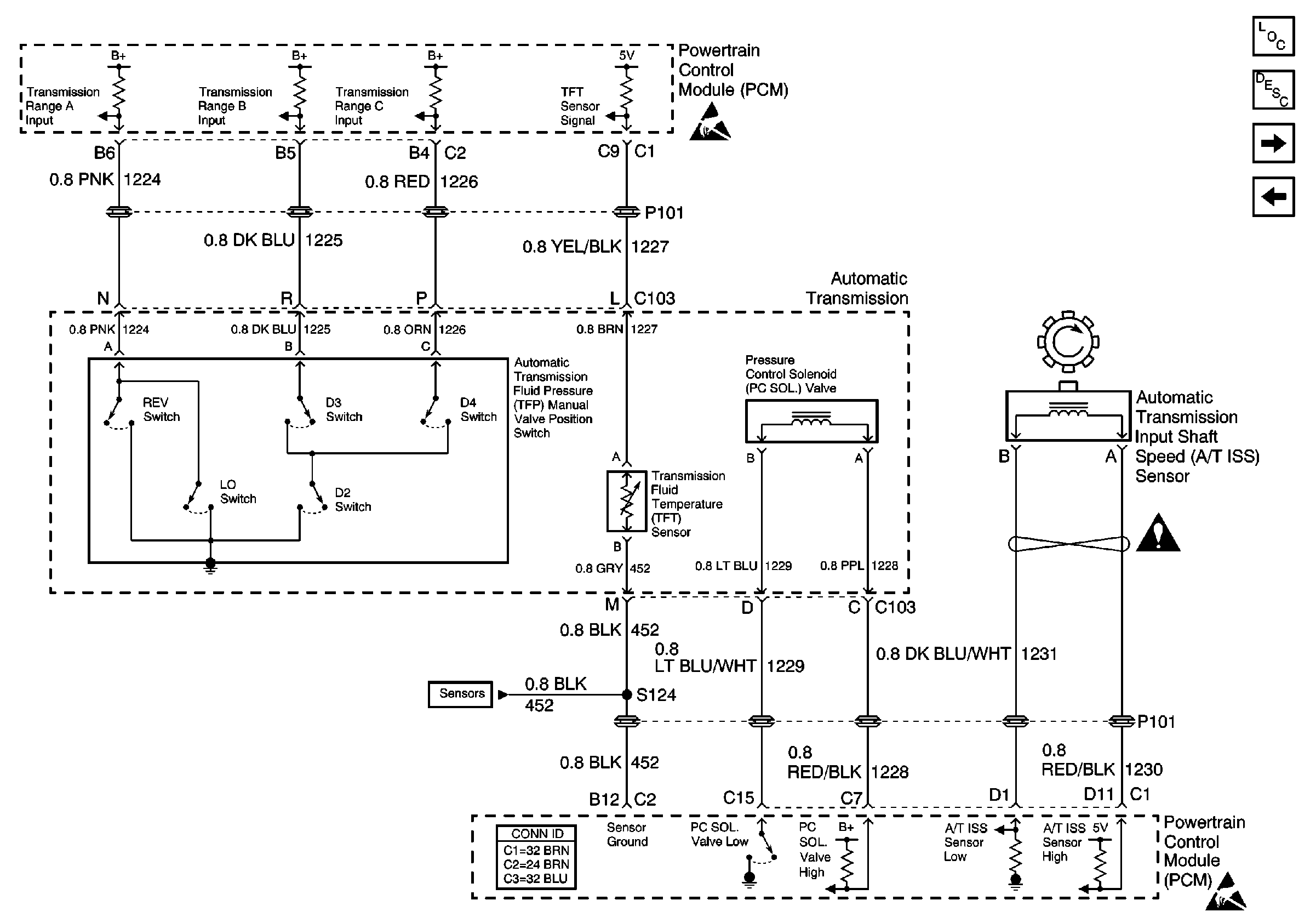
4L80-E Switch and ISS Controls
Handling ESD Sensitive Parts Notice
Handling ESD Sensitive Parts Notice
Figure 8:

Wastegate Controls


Object Number: 493281  Size: FS
Engine Controls Components
Powertrain Control Module Description
Cruise Control, APP Module
Sensor Controls: CKP, Boost Pressure Sensor, IAT, ECT
IGN A, IGN B Fuses, and Ignition Switch
ECM 1 and IGN E Fuses (6.5L)
Handling ESD Sensitive Parts Notice
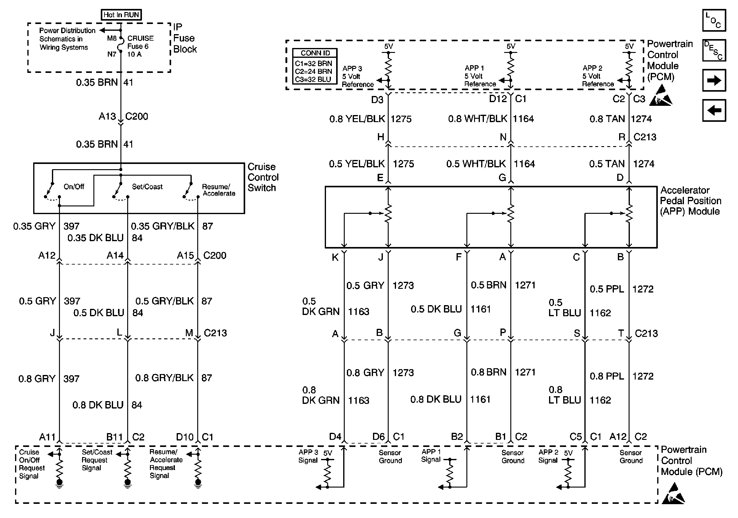
Figure 9:

Cruise Control, APP Module


Object Number: 493287  Size: FS
Engine Controls Components
Powertrain Control Module Description
VSS Controls
Wastegate Controls
IGN A, IGN B Fuses, and Ignition Switch
Handling ESD Sensitive Parts Notice
Handling ESD Sensitive Parts Notice
Figure 10:

VSS Controls


Object Number: 493289  Size: FS
Engine Controls Components
Powertrain Control Module Description
4L80-E Solenoid Controls
Cruise Control, APP Module
IGN A, IGN B Fuses, and Ignition Switch
GAUGES Fuse
Handling ESD Sensitive Parts Notice
Handling ESD Sensitive Parts Notice
Handling ESD Sensitive Parts Notice
Handling ESD Sensitive Parts Notice
Engine Controls Schematic Icons
G101 (Diesel Engine)
G101 (Diesel Engine)
Figure 11:

4L80-E Solenoid Controls


Object Number: 493290  Size: FS
Engine Controls Components
Powertrain Control Module Description
4L80-E Switch and ISS Controls
VSS Controls
LIGHTING and BATT Fuses
IGN A, IGN B Fuses, and Ignition Switch
IGN A, IGN B Fuses, and Ignition Switch
CRUISE, HTR A/C, and BRAKE Fuses
RADIO 1, WIPER, TRANS, and CRANK Fuses
ABS System Schematics (IP, VCM, EBCM, and VSS)
Handling ESD Sensitive Parts Notice
PARK LPS, TURN B/U, HAZARD, STOP Fuses
Figure 12:

4L80-E Switch and ISS Controls


Object Number: 493291  Size: FS
Engine Controls Components
Powertrain Control Module Description
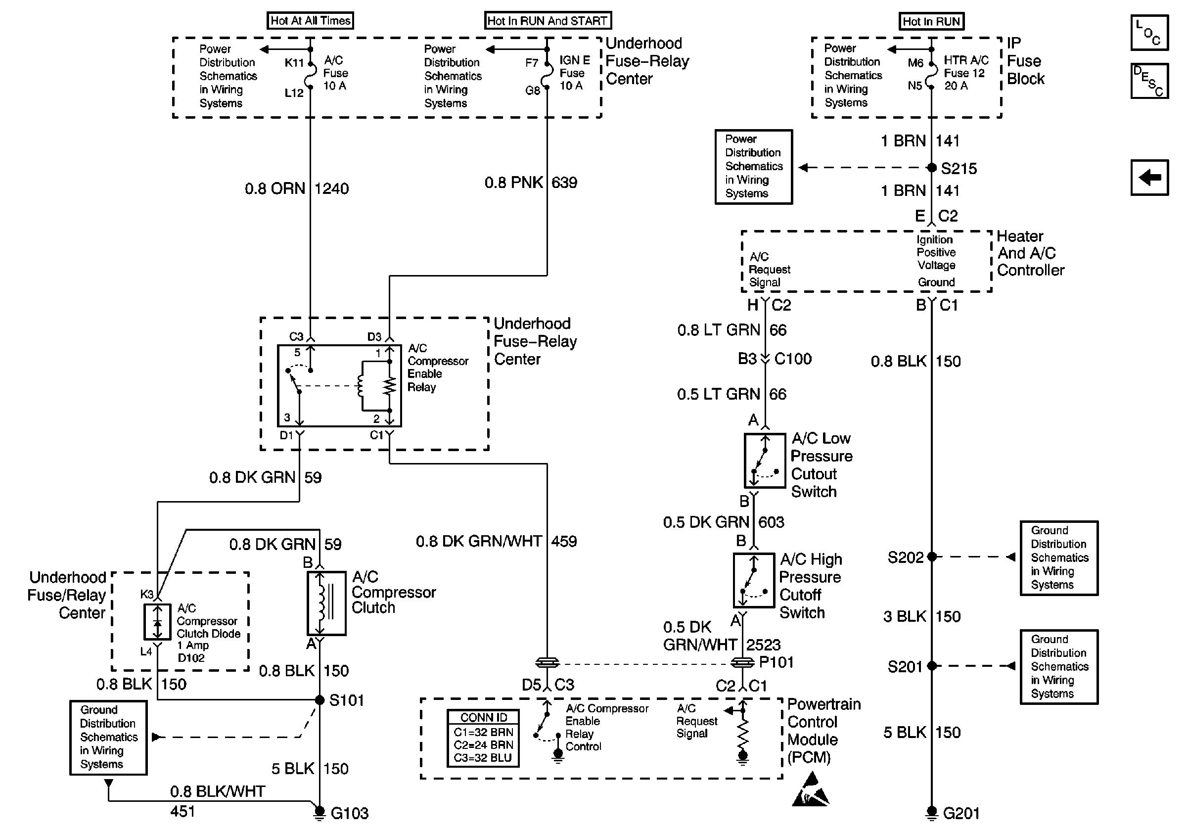
A/C Controls
4L80-E Solenoid Controls
Sensor Controls: CKP, Boost Pressure Sensor, IAT, ECT
Handling ESD Sensitive Parts Notice
Handling ESD Sensitive Parts Notice
Engine Controls Schematic Icons
Figure 13:

A/C Controls


Object Number: 493293  Size: FS
Engine Controls Components
Powertrain Control Module Description
4L80-E Switch and ISS Controls
IGN A, IGN B Fuses, and Ignition Switch
IGN A, IGN B Fuses, and Ignition Switch
Battery, Auxiliary Battery, and Underhood Fuse/Relay Center
CRUISE, HTR A/C, and BRAKE Fuses
Handling ESD Sensitive Parts Notice
Components through S202 and S205 to G201
G201
G103 (6.5L Engine)