GM Service Manual Online
For 1990-2009 cars only
Makes
🢒
Chevrolet
🢒
2000
🢒
Express
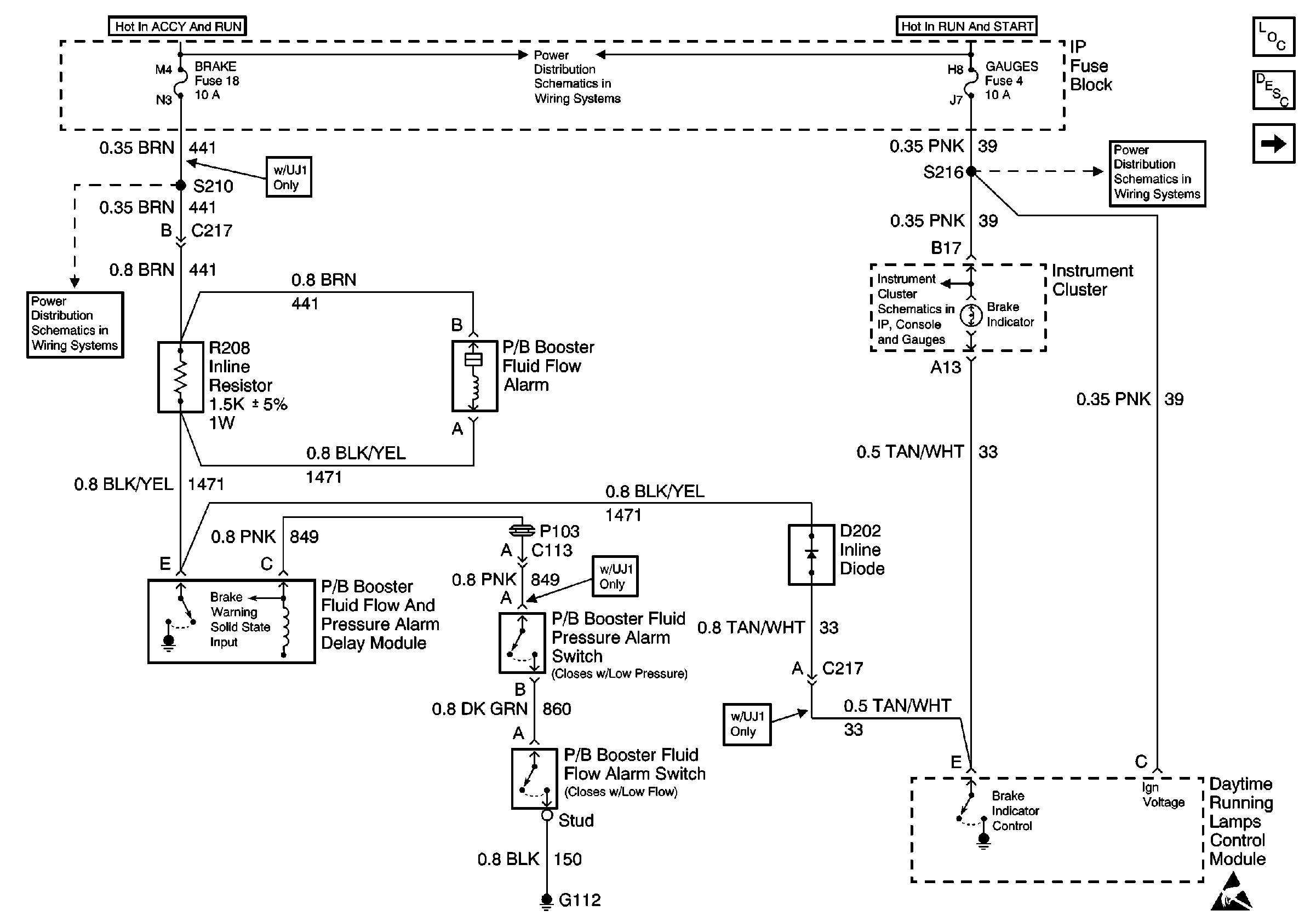
🢒 PWR, Switch and Alarm Delay Module
PWR, Switch and Alarm Delay Module
PWR, Switch and Alarm Delay Module
Hydraulic Brakes Components
Brake Warning System Circuit Description
PWR, GND and DRL Module
Cell 41: PWR, GND and DRL Module
GAUGES Fuse
CRUISE, HTR A/C, and BRAKE Fuses
IGN A, IGN B Fuses, and Ignition Switch
GAUGES Fuse, WATER-IN-FUEL Indicator Sensor, G103
Handling ESD Sensitive Parts Notice
Handling ESD Sensitive Parts Notice
Handling ESD Sensitive Parts Notice