GM Service Manual Online
For 1990-2009 cars only
Makes
🢒
Chevrolet
🢒
2000
🢒
Express
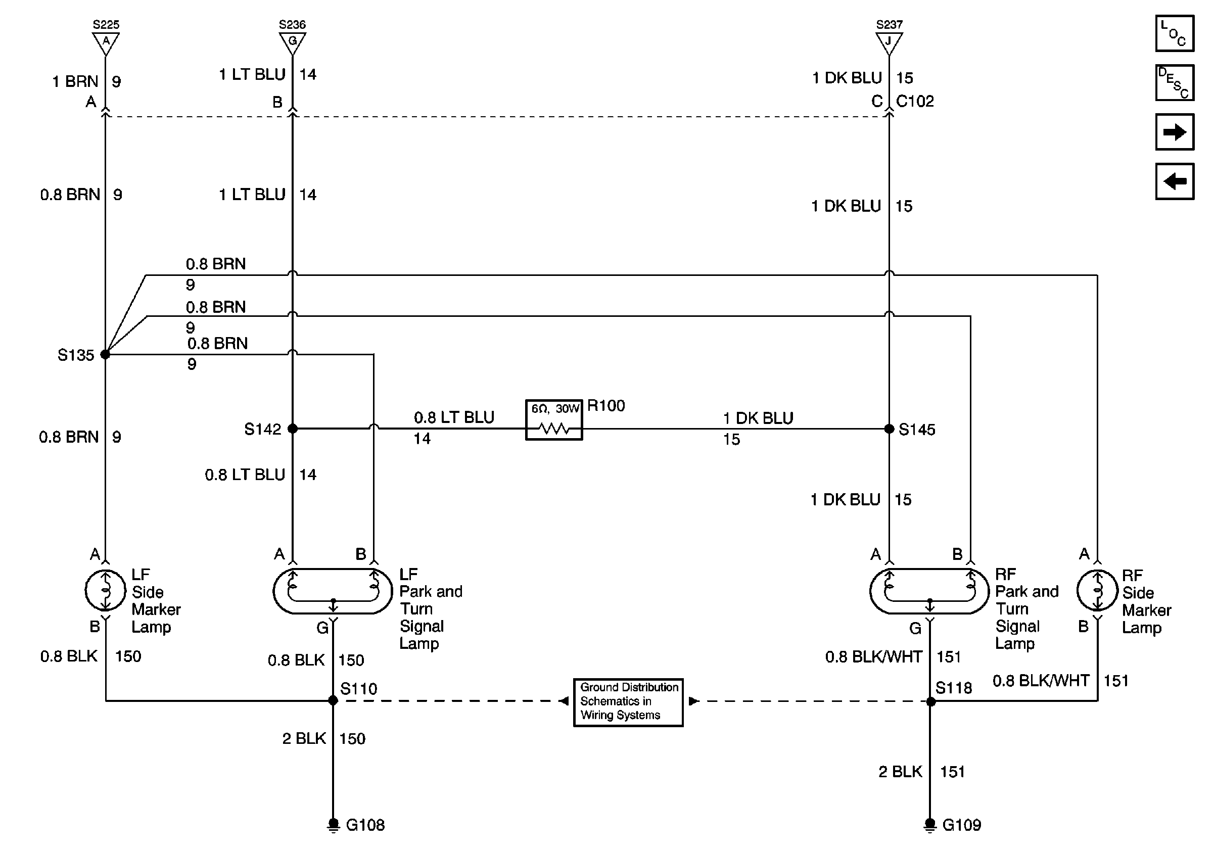
🢒 Front Side Marker Lamps, Front Park and Turn Signal Lamps
Front Side Marker Lamps, Front Park and Turn Signal Lamps
Front Side Marker Lamps, Front Park and Turn Signal Lamps
Lighting Systems Components
Exterior Lights Circuit Description Domestic
Front Side Marker Lamps, Front Park and Turn Signal Lamps (Composite)
Hazard Warning Switch, Turn/Hazard Lamp Flasher
PARK LPS, TURN B/U, HAZARD, STOP Fuses
Hazard Warning Switch, Turn/Hazard Lamp Flasher
Hazard Warning Switch, Turn/Hazard Lamp Flasher
G108 and G109 (Domestic)