GM Service Manual Online
For 1990-2009 cars only
Makes
🢒
Chevrolet
🢒
2000
🢒
Express
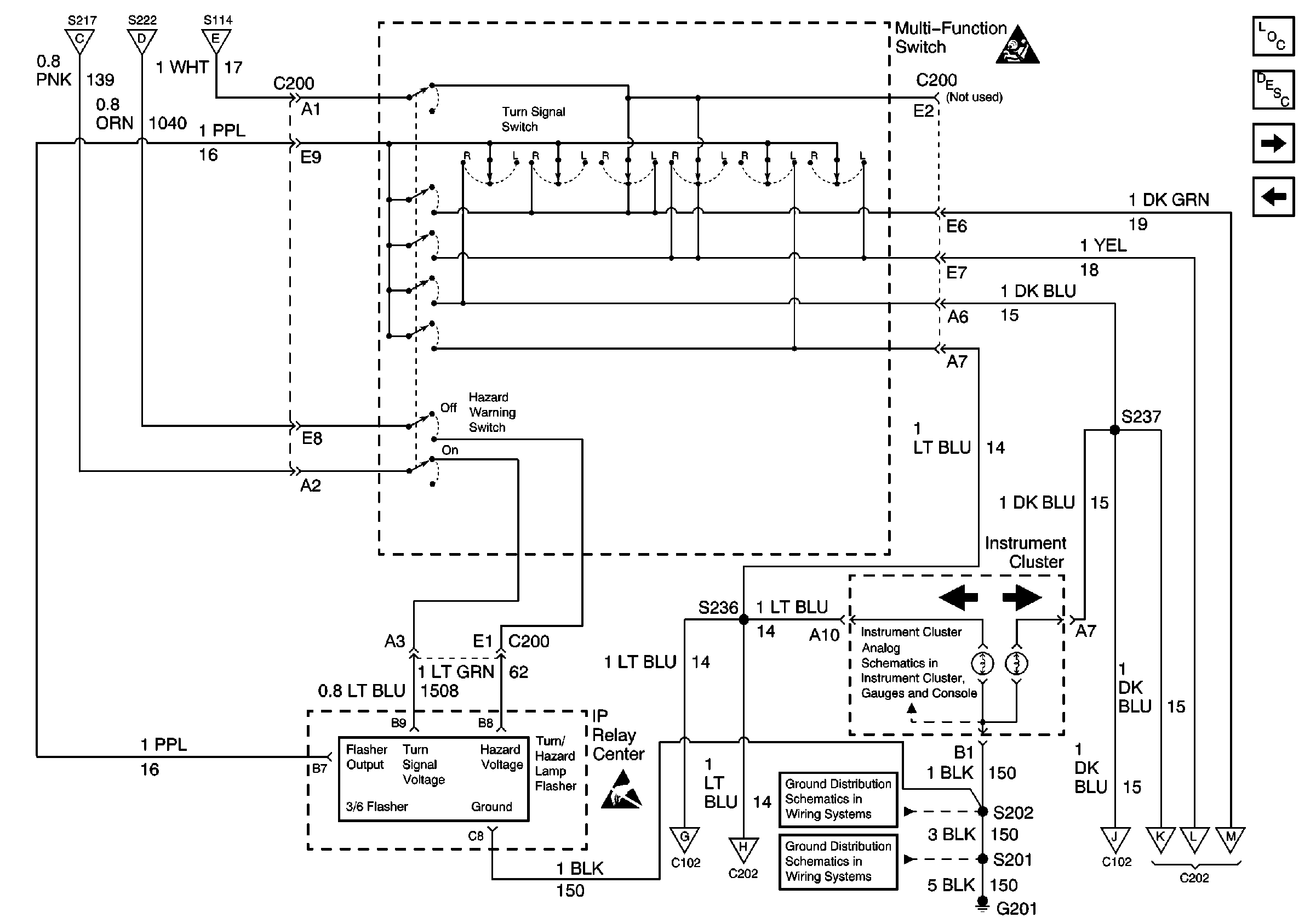
🢒 Hazard Warning Switch, Turn/Hazard Lamp Flasher
Hazard Warning Switch, Turn/Hazard Lamp Flasher
Hazard Warning Switch, Turn/Hazard Lamp Flasher
Lighting Systems Components
Exterior Lights Circuit Description Domestic
Front Side Marker Lamps, Front Park and Turn Signal Lamps
PARK LPS, TURN B/U, HAZARD, STOP Fuses
PARK LPS, TURN B/U, HAZARD, STOP Fuses
PARK LPS, TURN B/U, HAZARD, STOP Fuses
PARK LPS, TURN B/U, HAZARD, STOP Fuses
SIR Caution
Headlamp Switch, Instrument Cluster, Park/Neutral Position Switch
Components through S202 and S205 to G201
G201
Handling ESD Sensitive Parts Notice
Front Side Marker Lamps, Front Park and Turn Signal Lamps
Taillamps, Rear Park and Turn Signal Lamps, Center High Mounted Stoplamps, License Lamp
Front Side Marker Lamps, Front Park and Turn Signal Lamps
Taillamps, Rear Park and Turn Signal Lamps, Center High Mounted Stoplamps, License Lamp