GM Service Manual Online
For 1990-2009 cars only
Makes
🢒
Chevrolet
🢒
2000
🢒
Express
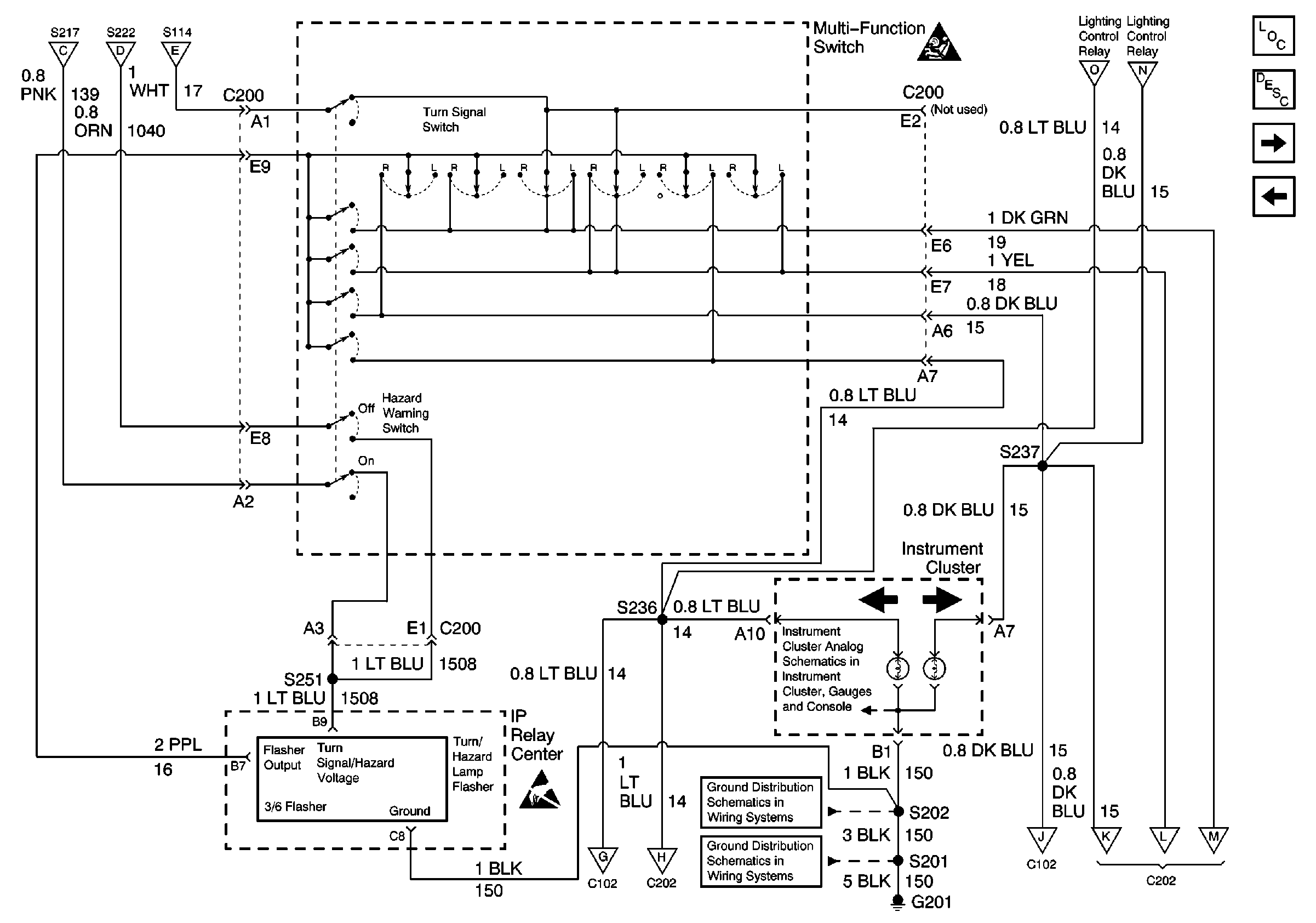
🢒 Turn/Hazard Lamp Flasher
Turn/Hazard Lamp Flasher
Turn/Hazard Lamp Flasher
Lighting Systems Components
Exterior Lights Circuit Description Export
Front Lamps
PARK LPS, TURN B/U, HAZARD, and STOP Fuses
PARK LPS, TURN B/U, HAZARD, and STOP Fuses
PARK LPS, TURN B/U, HAZARD, and STOP Fuses
PARK LPS, TURN B/U, HAZARD, and STOP Fuses
SIR Caution
Handling ESD Sensitive Parts Notice
Front Lamps
Rear Lamps
Headlamp Switch, Instrument Cluster, Park/Neutral Position Switch
Components through S202 and S205 to G201
G201
Front Lamps
Rear Lamps
Rear License Plate Lamps
Theft Deterrent Flasher