GM Service Manual Online
For 1990-2009 cars only
Makes
🢒
Chevrolet
🢒
2000
🢒
Express
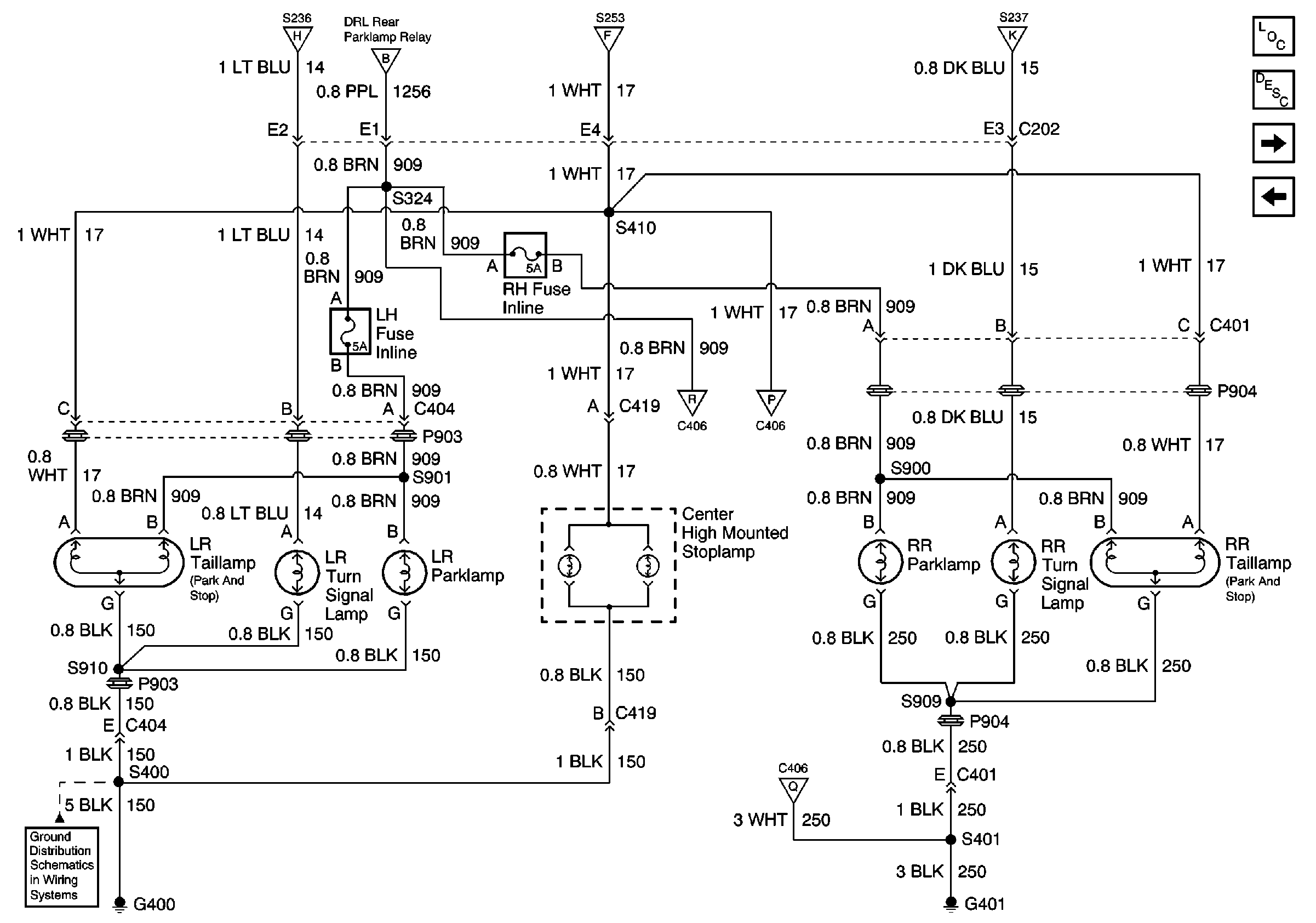
🢒 Rear Lamps
Rear Lamps
Rear Lamps
Lighting Systems Components
Exterior Lights Circuit Description Export
Rear License Plate Lamps
Front Lamps
Turn/Hazard Lamp Flasher
PARK LPS, TURN B/U, HAZARD, and STOP Fuses
PARK LPS, TURN B/U, HAZARD, and STOP Fuses
Turn/Hazard Lamp Flasher
Rear License Plate Lamps
Rear License Plate Lamps
G400
Rear License Plate Lamps