GM Service Manual Online
For 1990-2009 cars only
Makes
🢒
Chevrolet
🢒
2000
🢒
Express
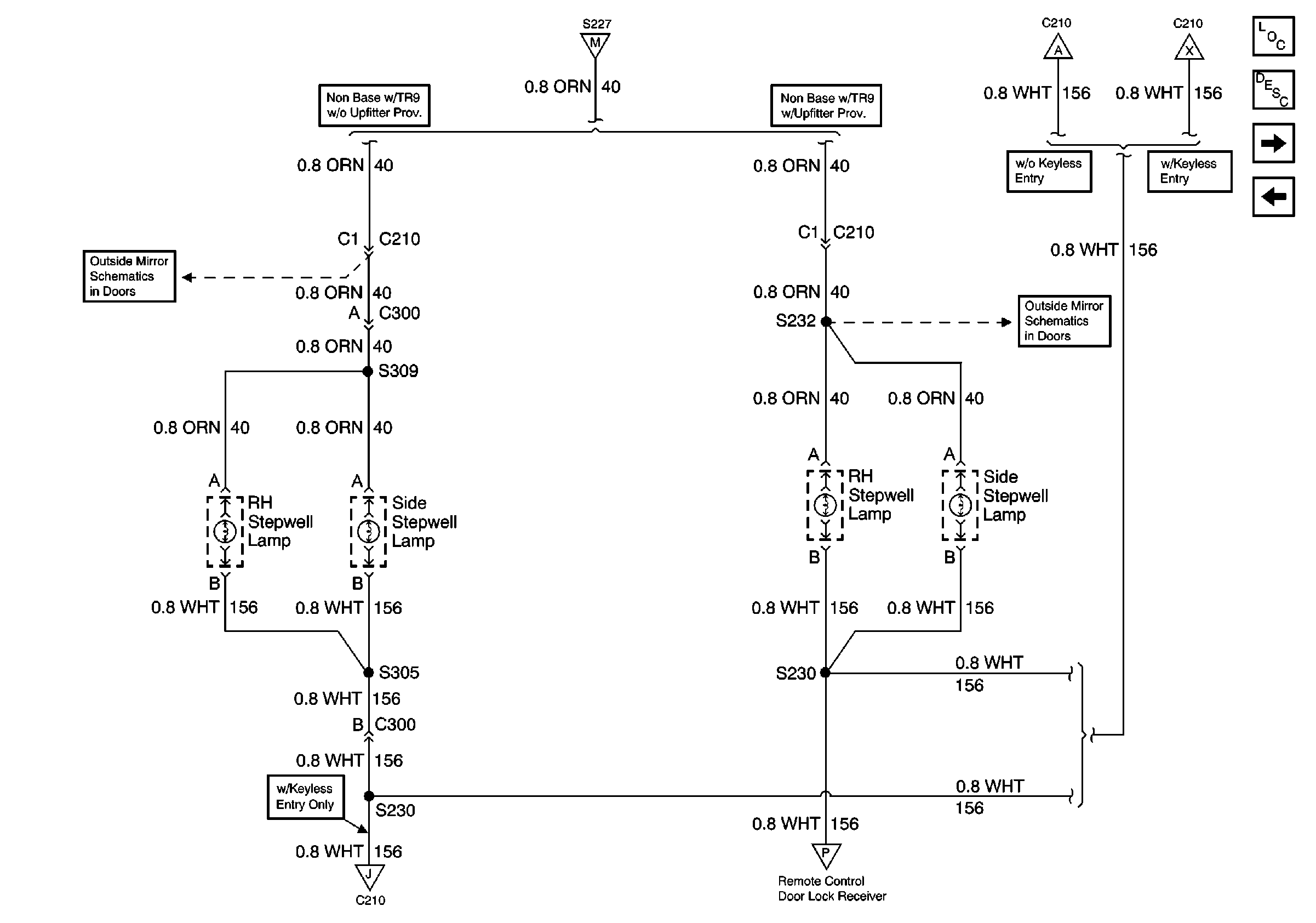
🢒 Stepwell Lamps
Stepwell Lamps
Stepwell Lamps
Lighting Systems Components
Interior Lights Circuit Description
Underhood Lamps
Sunshade, Ashtray, And IP Compartment Lamps
CTSY Fuse, G200, G201
CTSY Fuse
PWR ACCY, GAUGES, And PARK LPS Fuses
PWR ACCY, GAUGES, PARK LPS Fuses (w/Keyless Entry)
CTSY Fuse, G200, G201
PWR ACCY, GAUGES, And PARK LPS Fuses
PWR ACCY, GAUGES, PARK LPS Fuses (w/Keyless Entry)