GM Service Manual Online
For 1990-2009 cars only

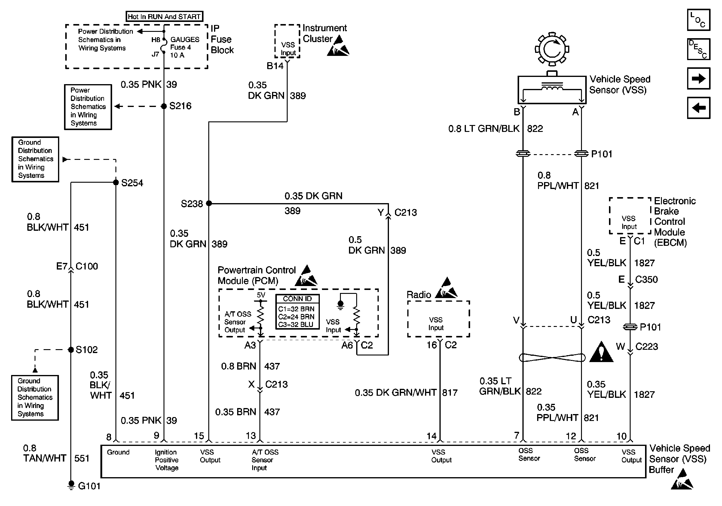
Refer to Engine Controls Schematics

VSS Controls


Object Number: 493289  Size: FS
Engine Controls Components
Powertrain Control Module Description
4L80-E Solenoid Controls
Cruise Control, APP Module
IGN A, IGN B Fuses, and Ignition Switch
GAUGES Fuse
Handling ESD Sensitive Parts Notice
Handling ESD Sensitive Parts Notice
Handling ESD Sensitive Parts Notice
Handling ESD Sensitive Parts Notice
Engine Controls Schematic Icons
G101 (Diesel Engine)
G101 (Diesel Engine)
.

Circuit Description

The speed sensor circuit consists of a magnetic induction type sensor, a vehicle speed sensor buffer module and wiring. The magnetic reluctor pressed on the output shaft induces an alternating current in the sensor. The A/C voltage signal is transmitted to the buffer. The buffer compensates for various axle ratios tire sizes and converts the signal into a square wave for use by the speedometer, the cruise control, the antilock brake, and the PCM. The buffer sends the following two different signals to the PCM:

    •  A VSS signal
    • An output shaft speed signal for the automatic transmission

Conditions for Running the DTC

The vehicle speed is more than 32 km/h (20 mph).

Conditions for Setting the DTC

The VSS buffer calculated speed is less than half of the transmission calculated speed.

or

    • The VSS buffer calculated speed is more than the transmission calculated speed by 32 km/h (20 mph).
    • All of the conditions must be met for 2 seconds.

Action Taken When the DTC Sets

    • The PCM will not illuminate the malfunction indicator lamp (MIL).
    • The PCM records the operating conditions at the time the diagnostic fails. This information is stored in the Failure Records.

Conditions for Clearing the MIL/DTC

    • A history DTC clears after 40 consecutive warm-up cycles, if this or any other emission related diagnostic does not report any failures.
    • The scan tool Clear Info function was used.

Diagnostic Aids

Check the connections at the VSS buffer and the PCM. Refer to Diagnostic Trouble Code (DTC) List/Type in Automatic Transmission 4L80-E if DTC P0722 or DTC P0723 is also set.

Test Description

Numbers below refer to step numbers on the diagnostic table:

  1. Tests for B+ at VSS buffer.

  2. Tests for proper ground path for VSS signal buffer.

  3. Ensures that the replacement PCM, which utilizes an electrically erasable programmable read only memory (EEPROM), is programmed when installed.

Step

Action

Values

Yes

No

1

Important: Before clearing the DTCs, use the scan tool Capture Info to save the Freeze Frame and Failure Records for reference. The data in the control module is deleted once the Clear Info function is used.

Did you perform the Powertrain On-Board Diagnostic (OBD) System Check?

--

Go to Step 2

Go to Powertrain On Board Diagnostic (OBD) System Check

2

  1. Install scan tool.
  2. Raise the drive wheels.
  3. Turn ON the engine.
  4. Place the transmission in any drive range.

With the drive wheels rotating, does the vehicle speed reading on the scan tool increase as the drive wheel speed increases?

--

Go to Step 7

Go to Step 3

3

  1. Place the transmission in park.
  2. Backprobe the VSS buffer module ignition feed circuit with a J 35616-200 unpowered test lamp connected to ground.

Is test lamp ON?

--

Go to Step 4

Go to Step 8

4

Backprobe the VSS buffer module ignition feed circuit to the ground circuit with a unpowered test lamp.

Is the test lamp ON?

--

Go to Step 5

Go to Step 9

5

  1. Backprobe the VSS buffer module at the VSS input circuit (C7) to the other VSS input circuit (C12) with a DMM on the AC scale.
  2. Place the transmission in any drive range with the drive wheels rotating.

Does the voltage increase on the DMM as the drive wheel speed increases?

--

Go to Step 6

Go to Step 10

6

Does the scan tool display a transmission output speed (mph) increase as the drive wheel speed increases?

--

Go to Step 13

Go to Step 12

7

DTC is intermittent. If no additional DTCs are stored, refer to Diagnostic Aids. If additional DTCs are stored refer to those tables first.

Are any additional DTCs stored?

--

Go to the applicable DTC table

Go to Diagnostic Aids

8

Repair the open in the ignition feed circuit. Refer to Wiring Repairs in Wiring Systems.

Is the action complete?

--

Go to Step 18

--

9

Repair the open in the ground circuit. Refer to Wiring Repairs in Wiring Systems.

Is the action complete?

--

Go to Step 18

--

10

Check the complete VSS input circuit for an open or short to ground. Refer to Wiring Repairs in Wiring Systems.

Did you perform a repair?

--

Go to Step 18

Go to Step 11

11

  1. Check for a poor connection at the VSS sensor.
  2. If a problem is found, repair the problem as necessary. Refer to Wiring Repairs in Wiring Systems.

Did you perform a repair?

--

Go to Step 18

Go to Step 15

12

  1. Backprobe the VSS buffer module at the VSS output circuit (C15) with a DMM connected to ground.
  2. Place the transmission in any drive range with the drive wheels rotating.

Is there voltage present?

--

Go to Step 13

Go to Step 16

13

  1. Inspect the VSS output circuit for the following conditions:
  2. • An open
    • A short to ground
    • A short to voltage
  3. Repair the VSS output circuit as necessary. Refer to Wiring Repairs in Wiring Systems.

Did you perform a repair?

--

Go to Step 18

Go to Step 14

14

  1. Inspect VSS output circuit for poor connections at the PCM.
  2. Repair as necessary. Refer to Wiring Repairs in Wiring Systems.

Did you perform a repair?

--

Go to Step 18

Go to Step 17

15

Replace the vehicle speed sensor (VSS). Refer to Vehicle Speed Sensor Replacement .

Is the action complete?

--

Go to Step 18

--

16

Replace VSS buffer module. Refer to Vehicle Speed Sensor Buffer Replacement in Body and Accessories.

Is the action complete?

--

Go to Step 18

--

17

Important: The new PCM must be programmed.

Replace the PCM. Refer to Powertrain Control Module Replacement/Programming .

Is the action complete?

--

Go to Step 18

--

18

  1. Use the scan tool in order to clear the DTCs.
  2. Start the engine.
  3. Allow the engine to idle until the engine reaches the normal operating temperature.
  4. Select DTC and the Specific DTC function.
  5. Enter the DTC number that was set.
  6. Operate the vehicle within the Conditions for Setting this DTC until the scan tool indicates the diagnostic Ran.

Does the scan tool indicate the diagnostic Passed?

--

Go to Step 19

Go to Step 2

19

Does the scan tool display any additional undiagnosed DTCs?

--

Go to the applicable DTC table

System OK