GM Service Manual Online
For 1990-2009 cars only
Figure 1:

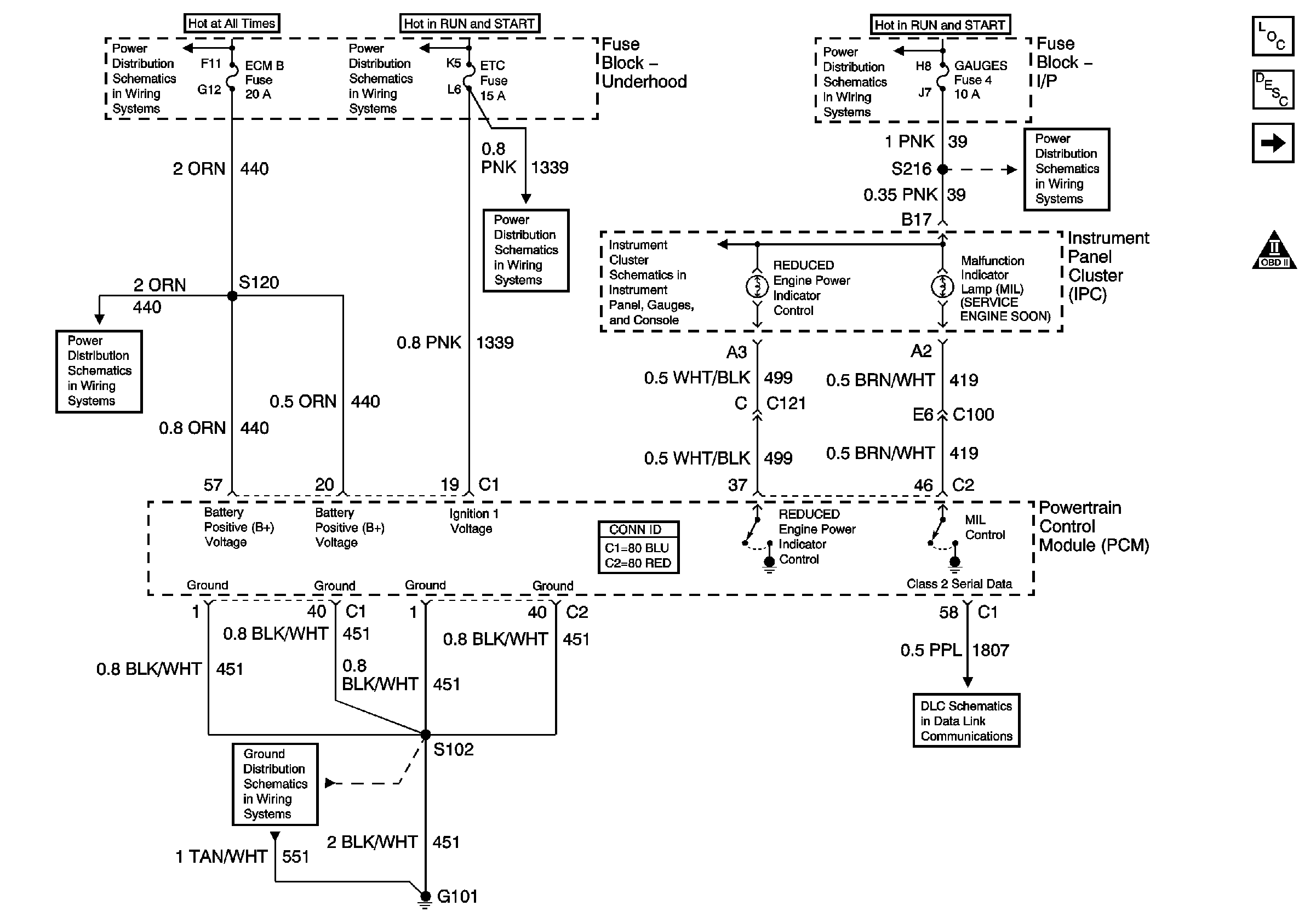
Power, Ground, MIL and DLC


Object Number: 760433  Size: FS
Master Electrical Component List
Powertrain Control Module Description
Ignition Controls: CKP and CMP Sensors and KS
OBD II Symbol Description Notice
Battery, Auxiliary Battery, and Underhood Fuse/Relay Center
Ignition A, Ignition B Fuses, and Ignition Switch
Ignition A, Ignition B Fuses, and Ignition Switch
Gauges Fuse
ECM 1 and Ignition E Fuses (8.1L)
ECM B, Horn, and A/C Fuses
Indicators 1 of 2 (Gas)
G101 (Gasoline Engines)
Data Link Communications
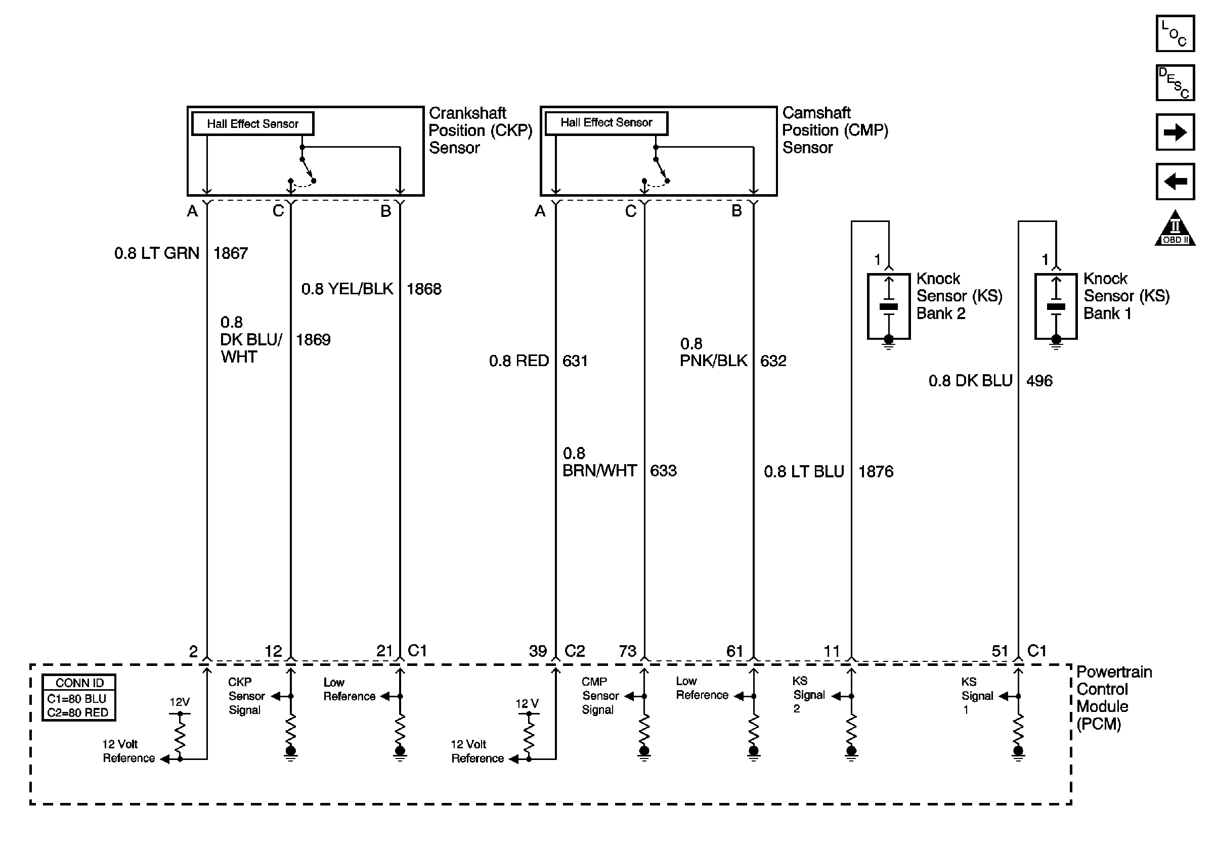
Figure 2:

Ignition Controls: CKP and CMP Sensors and KS


Object Number: 657777  Size: FS
Master Electrical Component List
Powertrain Control Module Description
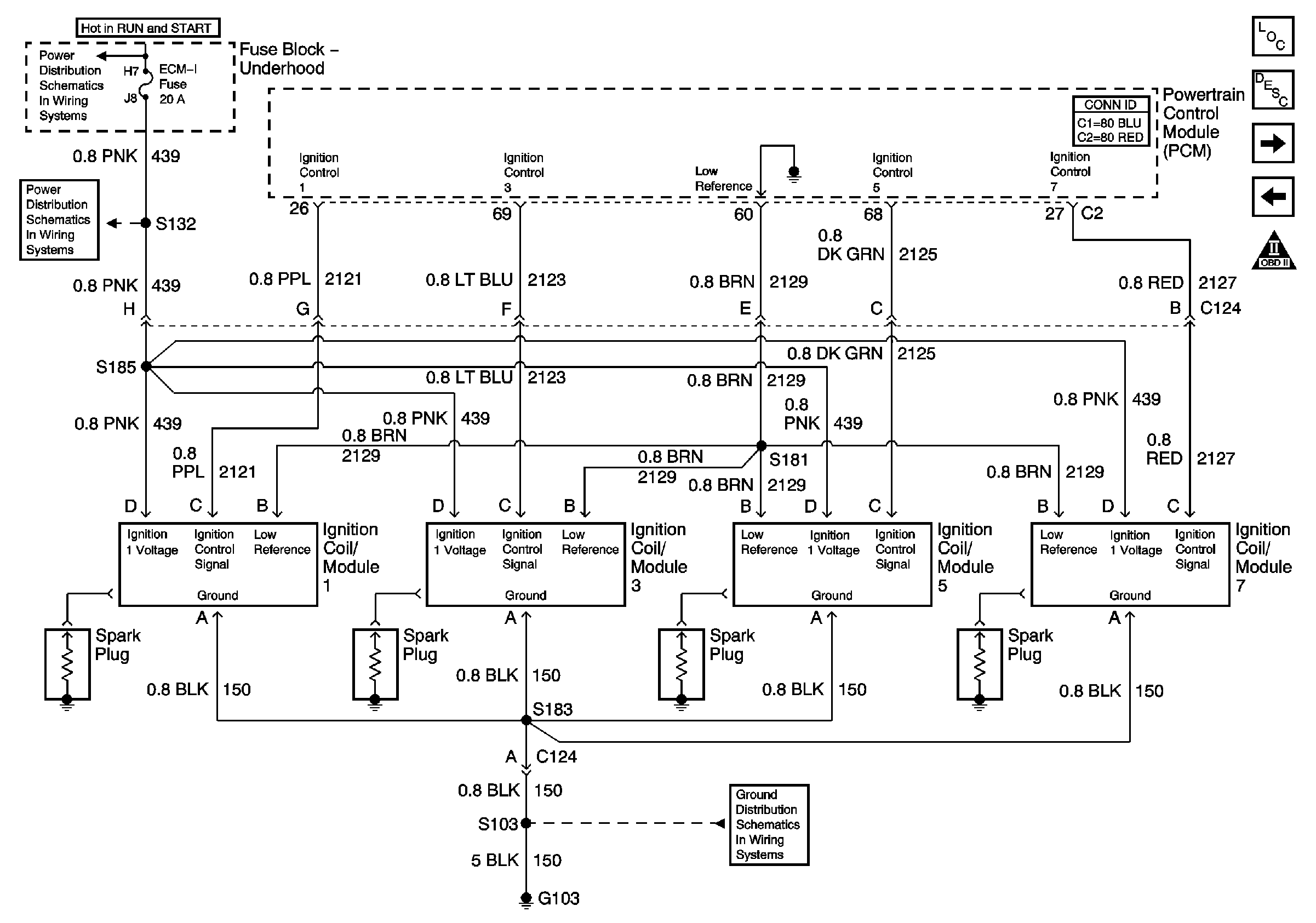
Ignition Controls: Odd Ignition Coils
Power, Ground, MIL and DLC
OBD II Symbol Description Notice
Figure 3:

Ignition Controls: Odd Ignition Coils


Object Number: 760439  Size: FS
Master Electrical Component List
Electronic Ignition (EI) System Description
Ignition Controls: Even Ignition Coils
Ignition Controls: CKP and CMP Sensors and KS
OBD II Symbol Description Notice
Ignition A, Ignition B Fuses, and Ignition Switch
ECM 1 and Ignition E Fuses (8.1L)
G103 (8.1L Engine)
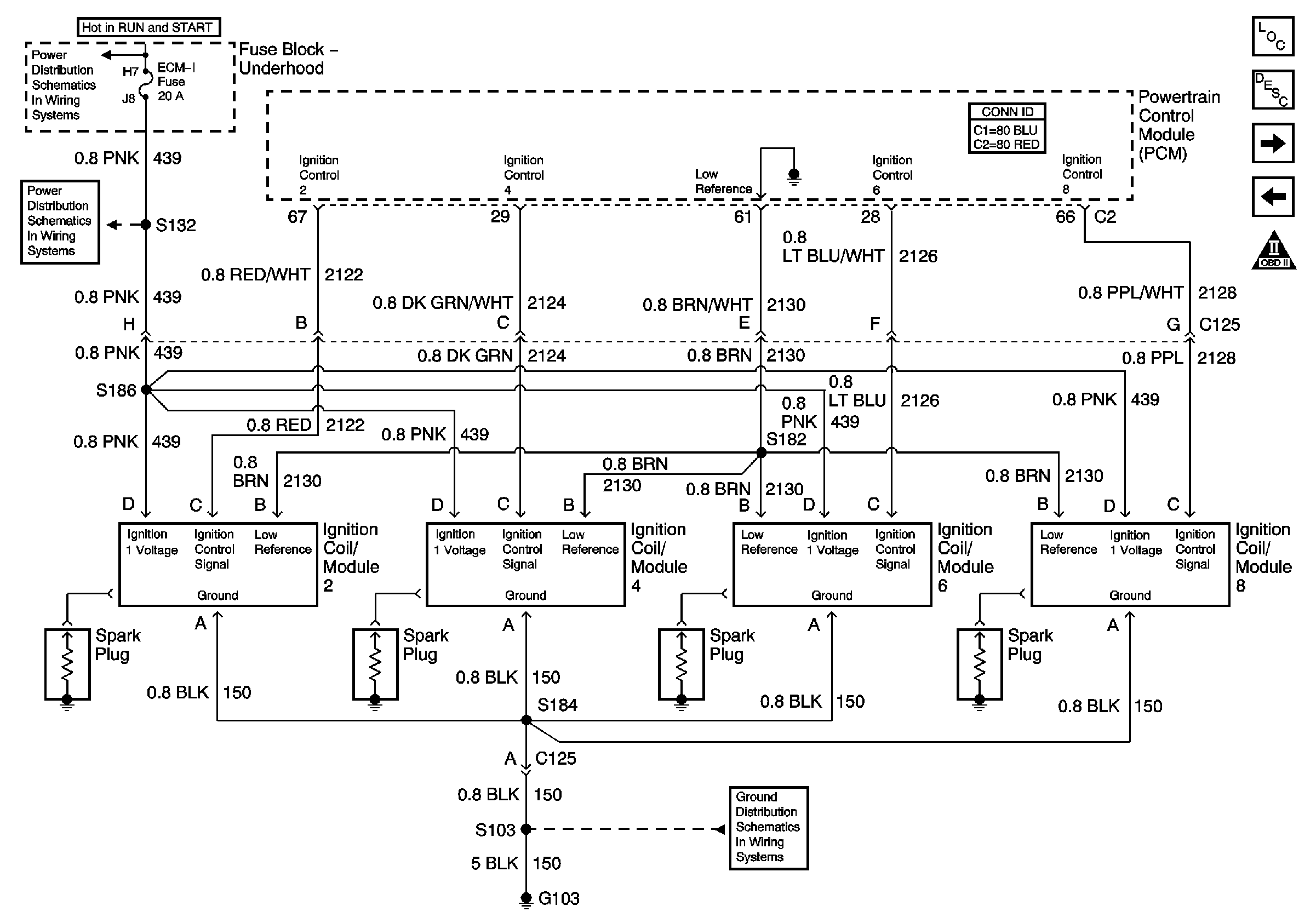
Figure 4:

Ignition Controls: Even Ignition Coils


Object Number: 760440  Size: FS
Master Electrical Component List
Electronic Ignition (EI) System Description
Fuel Pump Controls
Ignition Controls: Odd Ignition Coils
OBD II Symbol Description Notice
Ignition A, Ignition B Fuses, and Ignition Switch
ECM 1 and Ignition E Fuses (8.1L)
G103 (8.1L Engine)
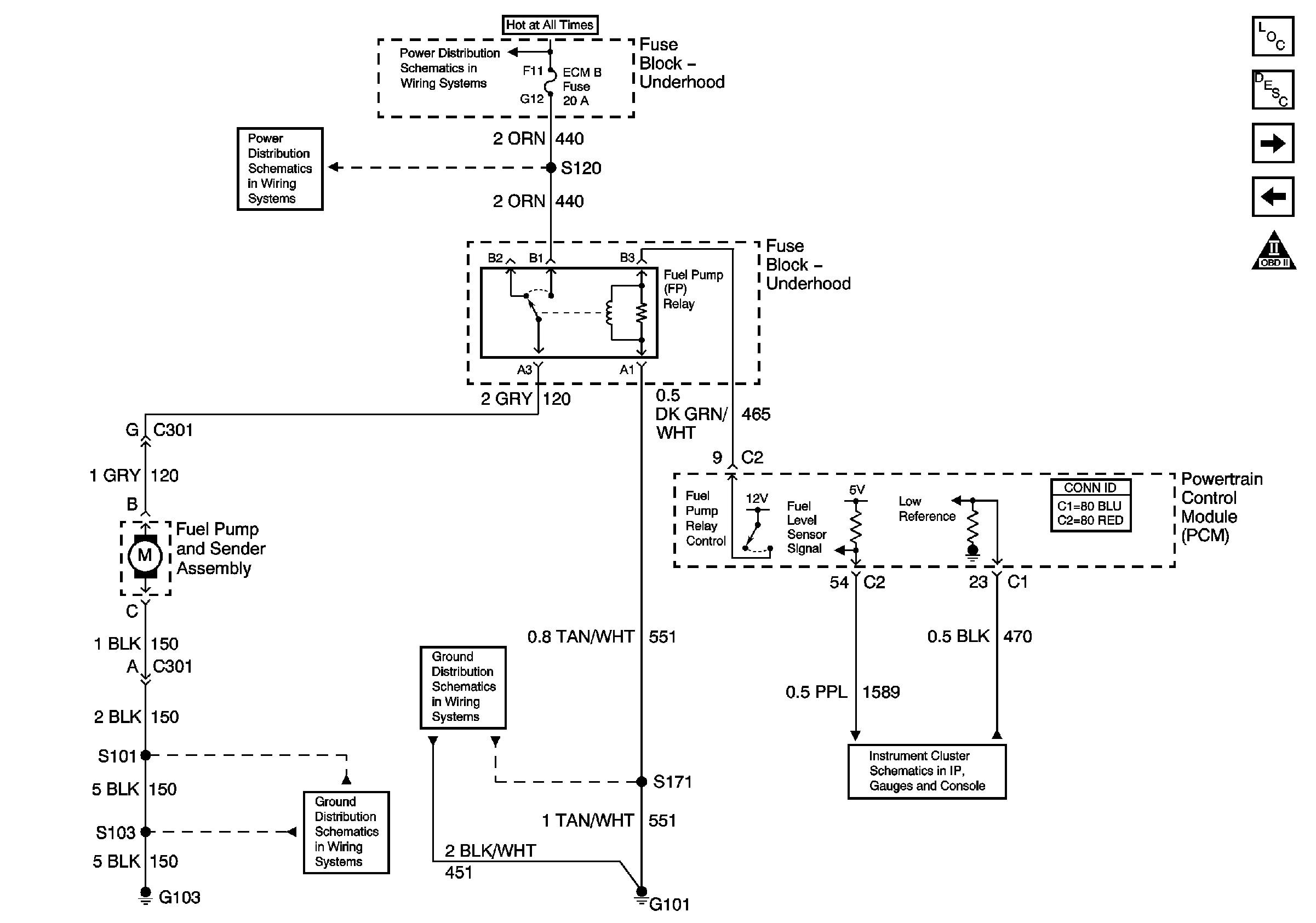
Figure 5:

Fuel Pump Controls


Object Number: 760442  Size: FS
Master Electrical Component List
Fuel System Description
Fuel Injector Controls
Ignition Controls: Even Ignition Coils
OBD II Symbol Description Notice
Battery, Auxiliary Battery, and Underhood Fuse/Relay Center
ECM B, Horn, and A/C Fuses
G101 (Gasoline Engines)
G103 (8.1L Engine)
Gauges
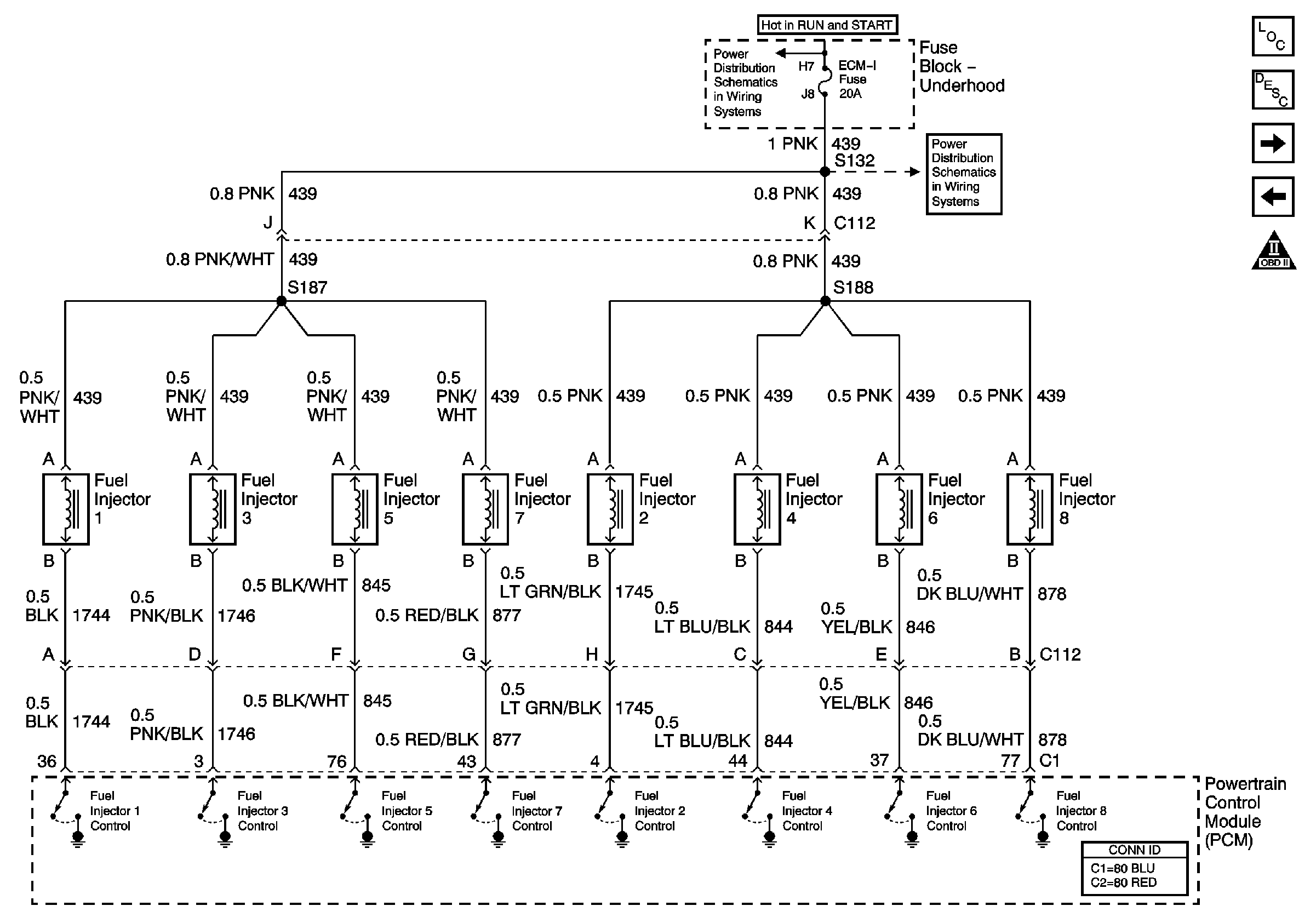
Figure 6:

Fuel Injector Controls


Object Number: 657773  Size: FS
Master Electrical Component List
Fuel System Description
Sensor Controls: EGR, Fuel Tank Pressure Sensor, MAP, IAT, ECT
Fuel Pump Controls
OBD II Symbol Description Notice
Ignition A, Ignition B Fuses, and Ignition Switch
ECM 1 and Ignition E Fuses (8.1L)
Figure 7:

Sensor Controls: EGR, Fuel Tank Pressure Sensor, MAP, IAT, ECT


Object Number: 657769  Size: FS
Master Electrical Component List
Powertrain Control Module Description
Sensor Controls: MAF and EVAP
Fuel Injector Controls
OBD II Symbol Description Notice
Gauges
Figure 8:

Sensor Controls: MAF and EVAP


Object Number: 760449  Size: FS
Master Electrical Component List
Evaporative Emission Control System Description
TAC, APP and TP Sensor
Sensor Controls: EGR, Fuel Tank Pressure Sensor, MAP, IAT, ECT
OBD II Symbol Description Notice
Ignition A, Ignition B Fuses, and Ignition Switch
Engine 1 Fuse (4.3L, 5.0L, and 5.7L)
G101 (Gasoline Engines)
Figure 9:

TAC, APP and TP Sensor


Object Number: 760454  Size: FS
Master Electrical Component List
Powertrain Control Module Description
Heated Oxygen Sensors
Sensor Controls: MAF and EVAP
OBD II Symbol Description Notice
ABS, Blower, AIR and Rear Blower Fuses
ABS, Blower, AIR and Rear Blower Fuses
G101 (Gasoline Engines)
Figure 10:

Heated Oxygen Sensors


Object Number: 760458  Size: FS
Master Electrical Component List
Powertrain Control Module Description
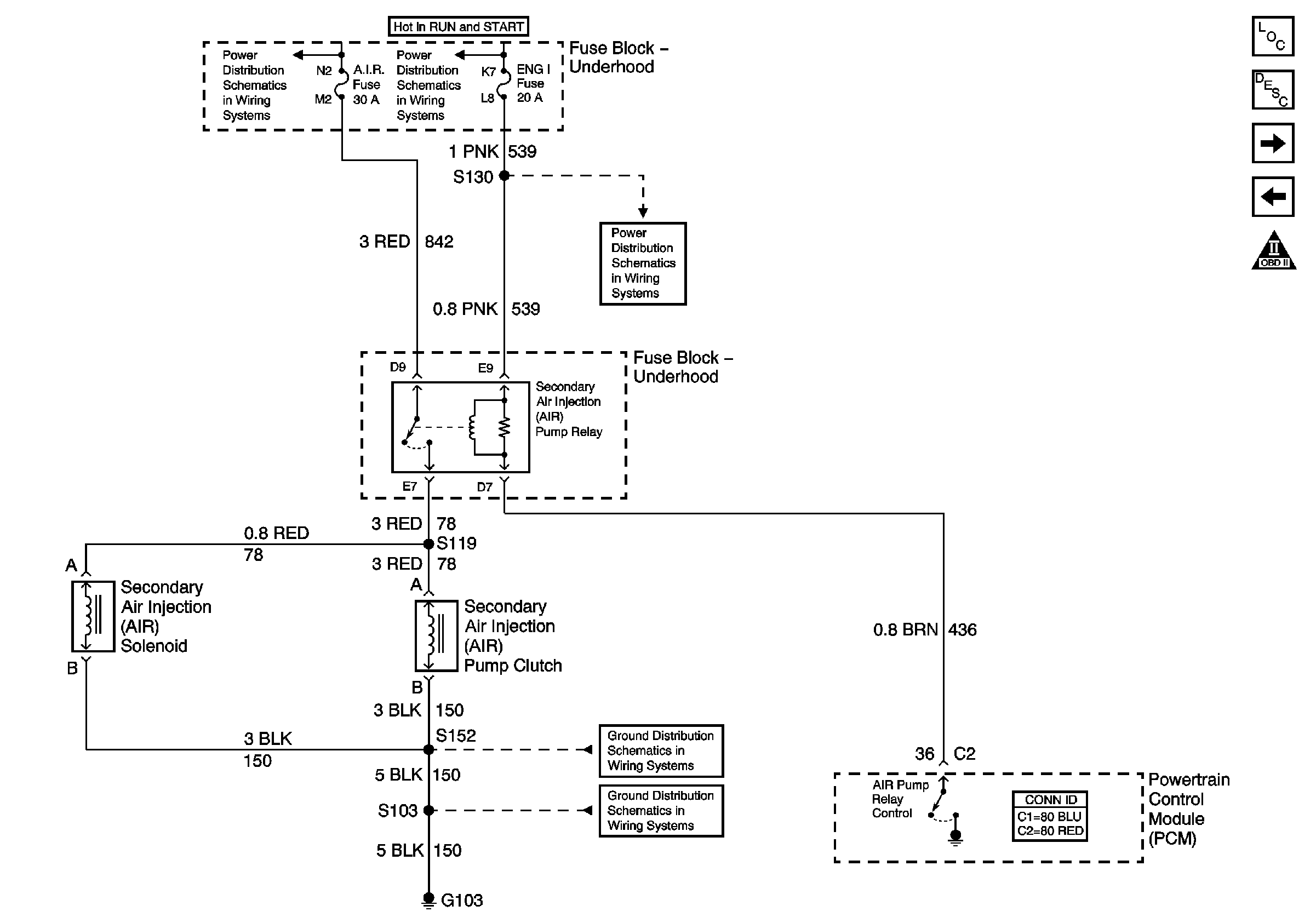
Secondary AIR Controls
TAC, APP and TP Sensor
OBD II Symbol Description Notice
Engine 1 Fuse (4.3L, 5.0L, and 5.7L)
Ignition A, Ignition B Fuses, and Ignition Switch
G103 (4.3L, 5.0L, and 5.7L Engines)
Figure 11:

Secondary AIR Controls


Object Number: 760461  Size: FS
Master Electrical Component List
Powertrain Control Module Description
Automatic Transmission Control References 4L80-E
Heated Oxygen Sensors
OBD II Symbol Description Notice
Battery, Auxiliary Battery, and Underhood Fuse/Relay Center
Ignition A, Ignition B Fuses, and Ignition Switch
Engine 1 Fuse (4.3L, 5.0L, and 5.7L)
G103 (8.1L Engine)
Figure 12:

Automatic Transmission Control References 4L80-E


Object Number: 657755  Size: FS
Master Electrical Component List
Powertrain Control Module Description
VSS, Charging System and HVAC References
Secondary AIR Controls
OBD II Symbol Description Notice
Solenoid and TCC/Stoplamp Controls
Sensor, Solenoid and GND Controls
Figure 13:

VSS, Charging System and HVAC References


Object Number: 657756  Size: FS
Master Electrical Component List
Powertrain Control Module Description
Automatic Transmission Control References 4L80-E
OBD II Symbol Description Notice
Engine Controls Schematic Icons
Gauges
Wheel Speed Sensors, VSS and Brake Pressure Switch
Charging System: Gasoline Engines
A/C Fuses; ECM-B, IGN-E, Compressor Clutch, A/C Compressor Low PressurE Cutout Switch, G101, G103 (Gasoline Engines)
A/C Fuses; ECM-B, IGN-E, Compressor Clutch, A/C Compressor Low PressurE Cutout Switch, G101, G103 (Gasoline Engines)