GM Service Manual Online
For 1990-2009 cars only

Exterior Lights Schematics Domestic

Figure 1:

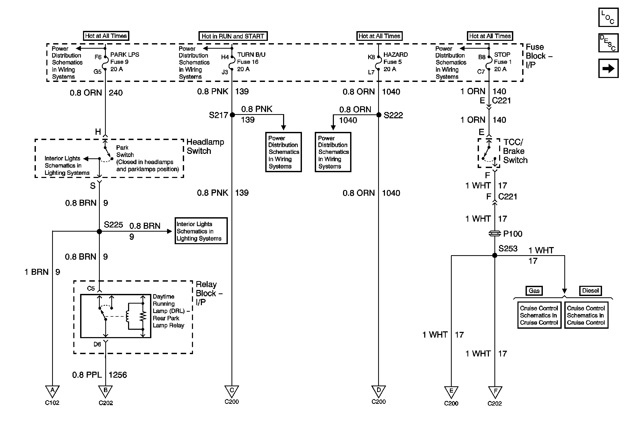
PARK LPS, TURN B/U, HAZARD, STOP Fuses


Object Number: 661791  Size: FS
Master Electrical Component List
Exterior Lighting Systems Description and Operation
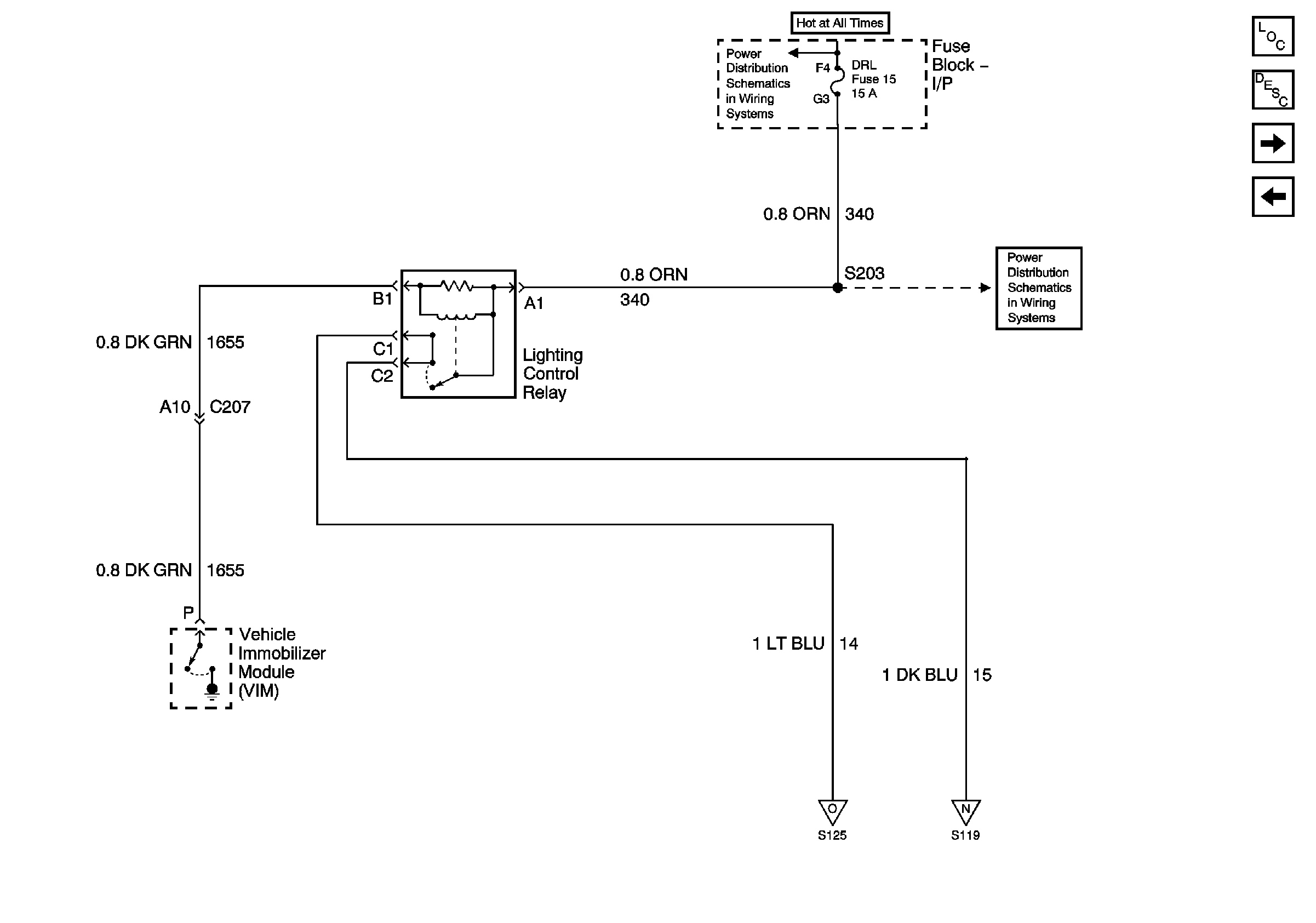
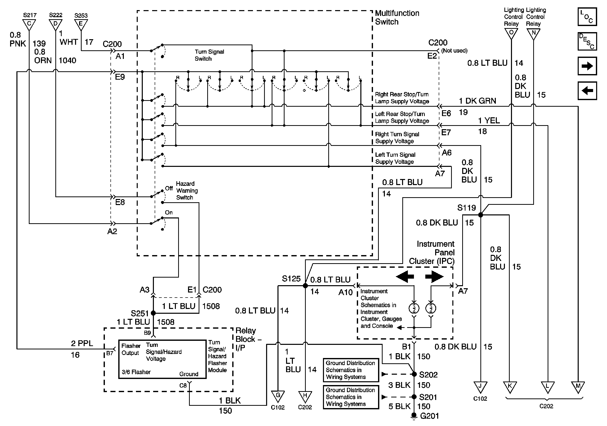
Hazard Warning Switch, Turn/Hazard Lamp Flasher
Lighting and Battery Fuses
Lighting and Battery Fuses
Lighting and Battery Fuses
PWR ACCY, GAUGES, and PARK LPS Fuses
PWR ACCY, GAUGES, and PARK LPS Fuses
Courtesy, Air Bags, and Turn Backup Fuses
Power Windows, Heated Mirrors, Rear Defogger, and Hazard Fuses
4.3L, 5.0L and 5.7L Engines
6.5L Diesel Engine
8.1L Engine
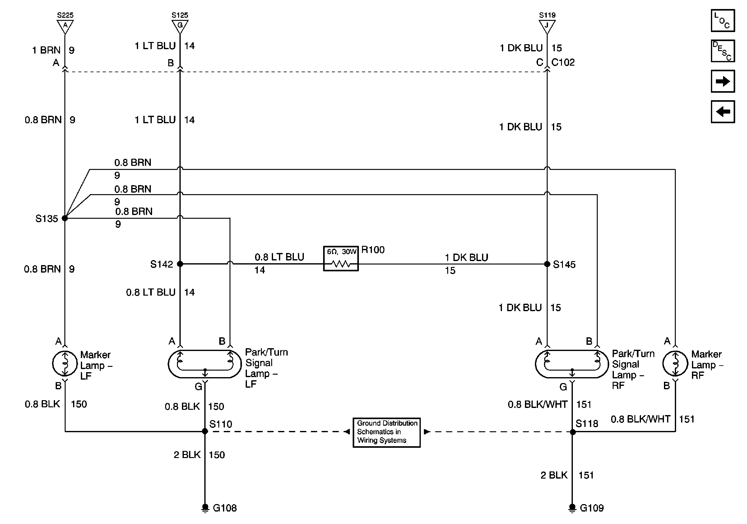
Front Side Marker Lamps, Front Park and Turn Signal Lamps
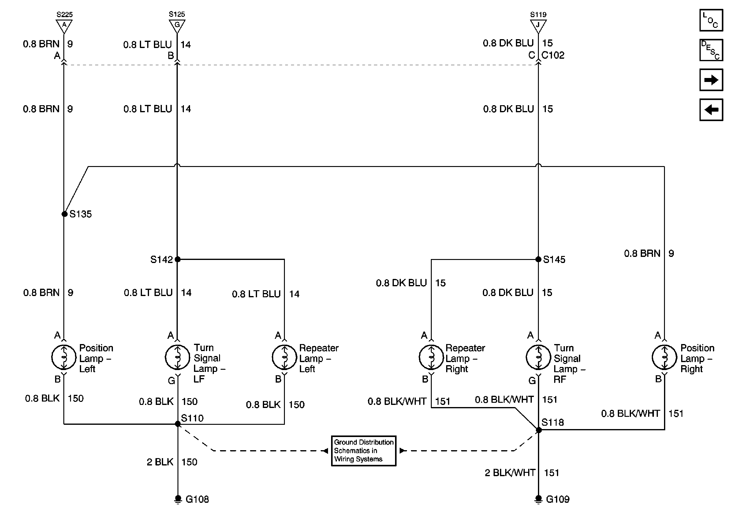
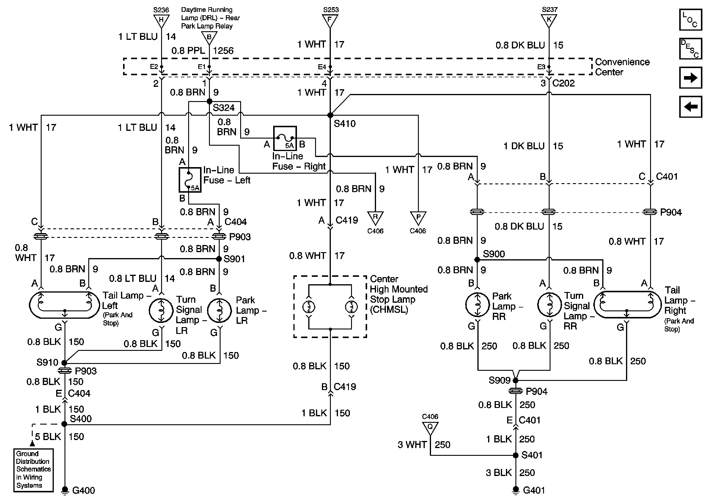
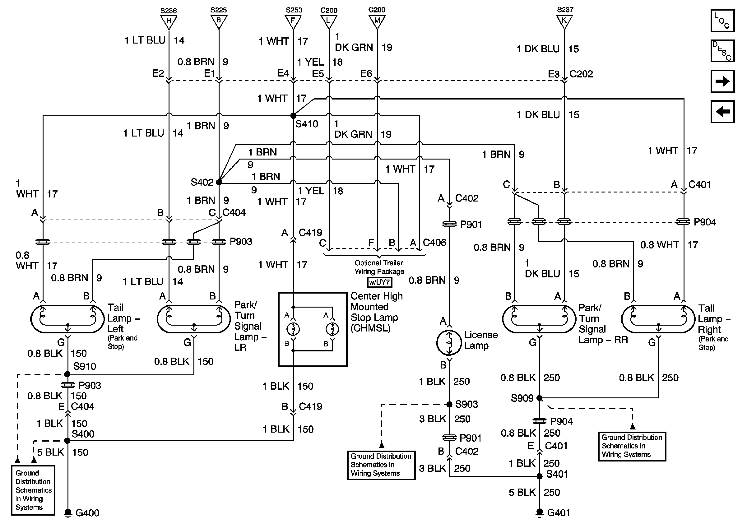
Tail Lamps, Rear Park and Turn Signal Lamps, Center High Mounted Stoplamps, License Lamp
Hazard Warning Switch, Turn/Hazard Lamp Flasher
Hazard Warning Switch, Turn/Hazard Lamp Flasher
Hazard Warning Switch, Turn/Hazard Lamp Flasher
Tail Lamps, Rear Park and Turn Signal Lamps, Center High Mounted Stoplamps, License Lamp
Figure 2:

Hazard Warning Switch, Turn/Hazard Lamp Flasher


Object Number: 661794  Size: FS
Master Electrical Component List
Exterior Lighting Systems Description and Operation
Front Side Marker Lamps, Front Park and Turn Signal Lamps
PARK LPS, TURN B/U, HAZARD, STOP Fuses
PARK LPS, TURN B/U, HAZARD, STOP Fuses
Headlamp Switch, Instrument Cluster, Park/Neutral Position Switch
Components through S202 and S205 to G201
G201
Front Side Marker Lamps, Front Park and Turn Signal Lamps
Tail Lamps, Rear Park and Turn Signal Lamps, Center High Mounted Stoplamps, License Lamp
Front Side Marker Lamps, Front Park and Turn Signal Lamps
Tail Lamps, Rear Park and Turn Signal Lamps, Center High Mounted Stoplamps, License Lamp
Figure 3:

Front Side Marker Lamps, Front Park and Turn Signal Lamps


Object Number: 661797  Size: FS
Master Electrical Component List
Exterior Lighting Systems Description and Operation
Front Side Marker Lamps, Front Park and Turn Signal Lamps (Composite)
Hazard Warning Switch, Turn/Hazard Lamp Flasher
PARK LPS, TURN B/U, HAZARD, STOP Fuses
Hazard Warning Switch, Turn/Hazard Lamp Flasher
Hazard Warning Switch, Turn/Hazard Lamp Flasher
G108 and G109 (Domestic)
Figure 4:

Front Side Marker Lamps, Front Park and Turn Signal Lamps (Composite)


Object Number: 661798  Size: FS
Master Electrical Component List
Exterior Lighting Systems Description and Operation
Tail Lamps, Rear Park and Turn Signal Lamps, Center High Mounted Stoplamps, License Lamp
Front Side Marker Lamps, Front Park and Turn Signal Lamps
PARK LPS, TURN B/U, HAZARD, STOP Fuses
Hazard Warning Switch, Turn/Hazard Lamp Flasher
Hazard Warning Switch, Turn/Hazard Lamp Flasher
G108 and G109 (Domestic)
Figure 5:

Tail Lamps, Rear Park and Turn Signal Lamps, Center High Mounted Stop lamps, License Lamp


Object Number: 661800  Size: FS
Master Electrical Component List
Exterior Lighting Systems Description and Operation
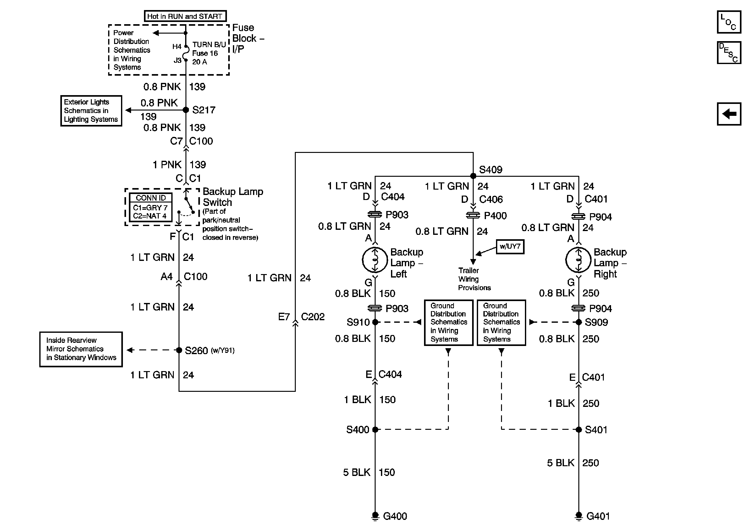
Backup Lamps
Front Side Marker Lamps, Front Park and Turn Signal Lamps (Composite)
Hazard Warning Switch, Turn/Hazard Lamp Flasher
PARK LPS, TURN B/U, HAZARD, STOP Fuses
PARK LPS, TURN B/U, HAZARD, STOP Fuses
Hazard Warning Switch, Turn/Hazard Lamp Flasher
Hazard Warning Switch, Turn/Hazard Lamp Flasher
Hazard Warning Switch, Turn/Hazard Lamp Flasher
G400
G401
G401
Figure 6:

Backup Lamps


Object Number: 662274  Size: FS
Master Electrical Component List
Exterior Lighting Systems Description and Operation
Tail Lamps, Rear Park and Turn Signal Lamps, Center High Mounted Stoplamps, License Lamp
Ignition A, Ignition B Fuses, and Ignition Switch
PARK LPS, TURN B/U, HAZARD, STOP Fuses
G400
G401
Inside Rearview Mirror Schematics

Exterior Lights Schematics Export

Figure 1:

PARK LPS, TURN B/U, HAZARD, and STOP Fuses


Object Number: 661810  Size: FS
Master Electrical Component List
Exterior Lighting Systems Description and Operation
Turn/Hazard Lamp Flasher
Lighting and Battery Fuses
Ignition A, Ignition B Fuses, and Ignition Switch
Lighting and Battery Fuses
PWR ACCY, GAUGES, and PARK LPS Fuses
PWR ACCY, GAUGES, and PARK LPS Fuses
Front Lamps
Rear Lamps
Courtesy, Air Bags, and Turn Backup Fuses
Power Windows, Heated Mirrors, Rear Defogger, and Hazard Fuses
Turn/Hazard Lamp Flasher
Turn/Hazard Lamp Flasher
Turn/Hazard Lamp Flasher
Rear Lamps
4.3L, 5.0L and 5.7L Engines
6.5L Diesel Engine
Figure 2:

Turn/Hazard Lamp Flasher


Object Number: 661818  Size: FS
Master Electrical Component List
Exterior Lighting Systems Description and Operation
Front Lamps
PARK LPS, TURN B/U, HAZARD, and STOP Fuses
PARK LPS, TURN B/U, HAZARD, and STOP Fuses
Theft Deterrent Flasher
Headlamp Switch, Instrument Cluster, Park/Neutral Position Switch
Front Lamps
Rear Lamps
Front Lamps
Rear Lamps
Rear License Plate Lamps
Components through S202 and S205 to G201
G201
Figure 3:

Front Lamps


Object Number: 661822  Size: FS
Master Electrical Component List
Exterior Lighting Systems Description and Operation
Rear Lamps
Turn/Hazard Lamp Flasher
PARK LPS, TURN B/U, HAZARD, and STOP Fuses
Turn/Hazard Lamp Flasher
Turn/Hazard Lamp Flasher
G108 and G109 (Export)
Figure 4:

Rear Lamps


Object Number: 661824  Size: FS
Master Electrical Component List
Exterior Lighting Systems Description and Operation
Rear License Plate Lamps
Front Lamps
Turn/Hazard Lamp Flasher
PARK LPS, TURN B/U, HAZARD, and STOP Fuses
PARK LPS, TURN B/U, HAZARD, and STOP Fuses
Turn/Hazard Lamp Flasher
Rear License Plate Lamps
G400
Rear License Plate Lamps
Figure 5:

Rear License Plate Lamps


Object Number: 661825  Size: FS
Master Electrical Component List
Exterior Lighting Systems Description and Operation
Theft Deterrent Flasher
Rear Lamps
Rear Lamps
Turn/Hazard Lamp Flasher
Turn/Hazard Lamp Flasher
Rear Lamps
Rear Lamps
G401
Figure 6:

Theft Deterrent Flasher


Object Number: 661826  Size: FS
Master Electrical Component List
Exterior Lighting Systems Description and Operation
Backup Lamps
Rear License Plate Lamps
Lighting and Battery Fuses
Park Lamps, Security, and DRL Fuses
Turn/Hazard Lamp Flasher
Turn/Hazard Lamp Flasher
Figure 7:

Backup Lamps


Object Number: 662278  Size: FS
Master Electrical Component List
Exterior Lighting Systems Description and Operation
Theft Deterrent Flasher
Ignition A, Ignition B Fuses, and Ignition Switch
PARK LPS, TURN B/U, HAZARD, STOP Fuses
G401