GM Service Manual Online
For 1990-2009 cars only
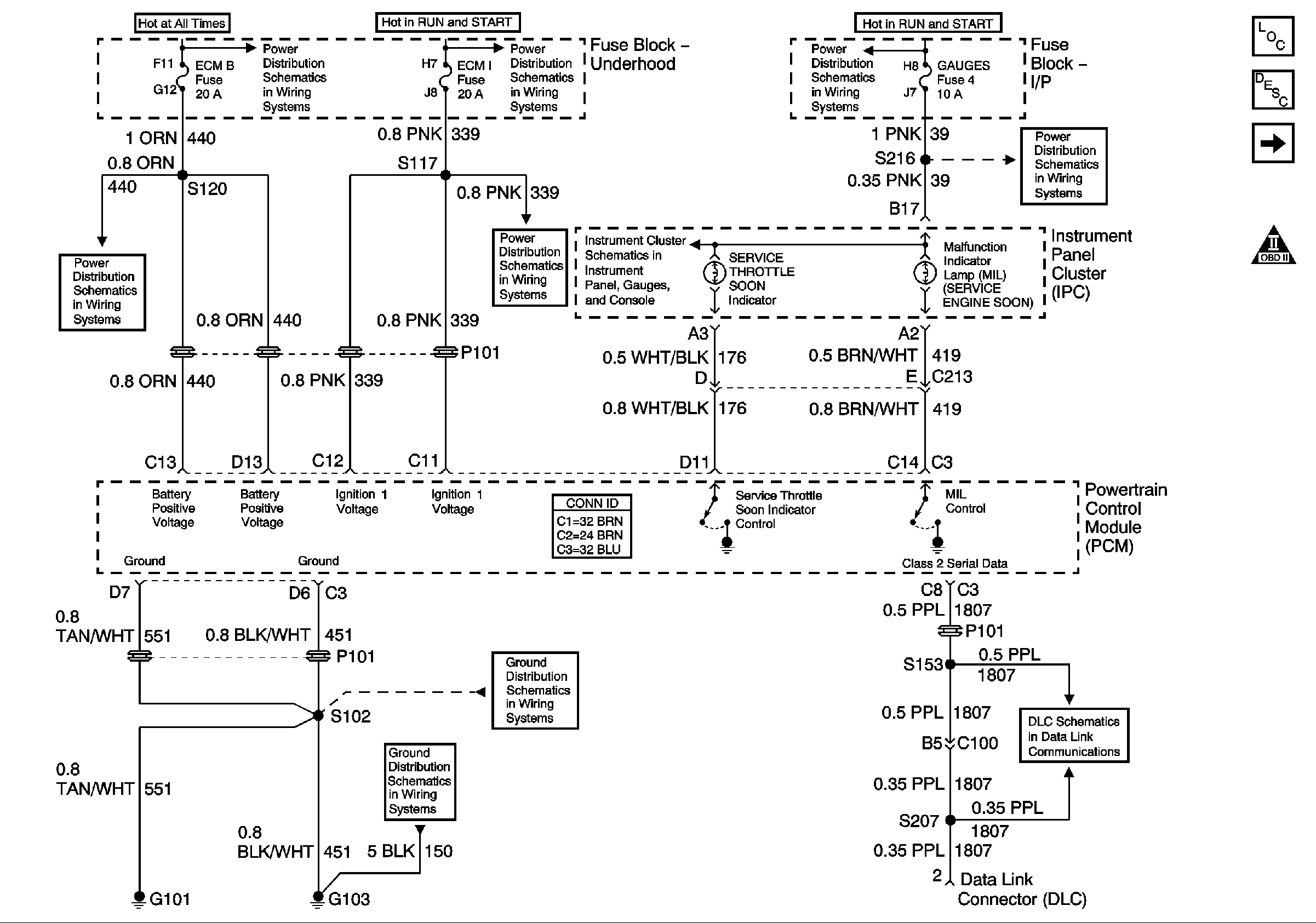
Figure 1:

Module Power, Ground, Serial Data and MIL


Object Number: 759710  Size: FS
Master Electrical Component List
Powertrain Control Module Description
Engine Data Sensors: Wastegate Controls, Boost Pressure Sensor, IAT, ECT
OBD II Symbol Description Notice
Battery, Auxiliary Battery, and Underhood Fuse/Relay Center
Ignition A, Ignition B Fuses, and Ignition Switch
Ignition A, Ignition B Fuses, and Ignition Switch
ECM B, Horn, and A/C Fuses
ECM 1 and Ignition E Fuses (6.5L)
Indicators 1 of 2 - Diesel
Gages Fuse
G103 - 6.5L Diesel Engine
G101 - Diesel Engine
Data Link Connector (DLC)
Figure 2:

Engine Data Sensors: Wastegate Controls, Boost Pressure Sensor, IAT, ECT


Object Number: 759717  Size: FS
Master Electrical Component List
Powertrain Control Module Description
Engine Data Sensors: Accelerator Pedal Position Sensor
Module Power, Ground, Serial Data and MIL
OBD II Symbol Description Notice
Ignition A, Ignition B Fuses, and Ignition Switch
ECM 1 and Ignition E Fuses (6.5L)
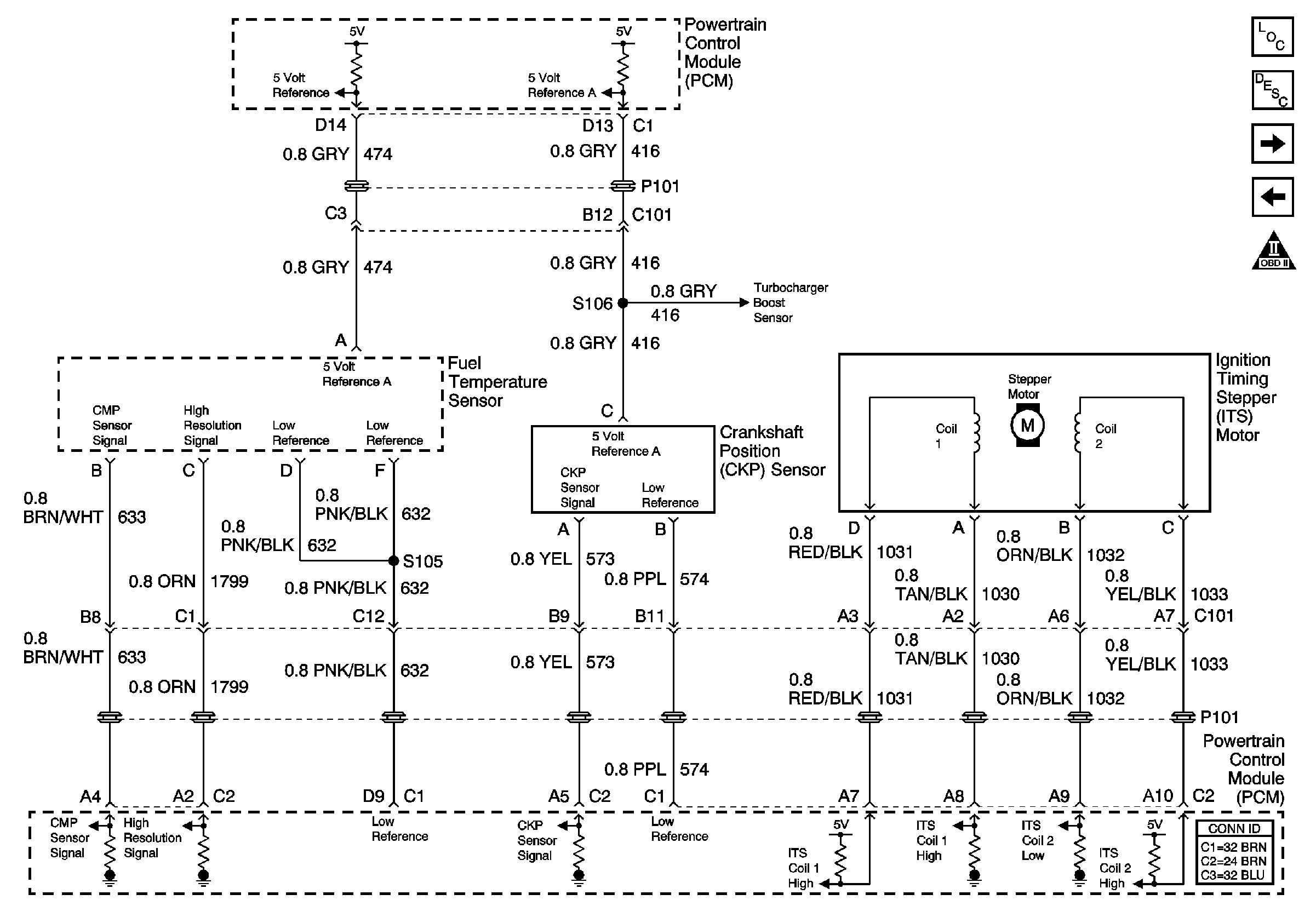
Engine Data Sensors: CMP, CKP and ITS Motor
Sensor, Solenoid and GND Controls
Figure 3:

Engine Data Sensors: Accelerator Pedal Position Sensor


Object Number: 759718  Size: FS
Master Electrical Component List
Powertrain Control Module Description
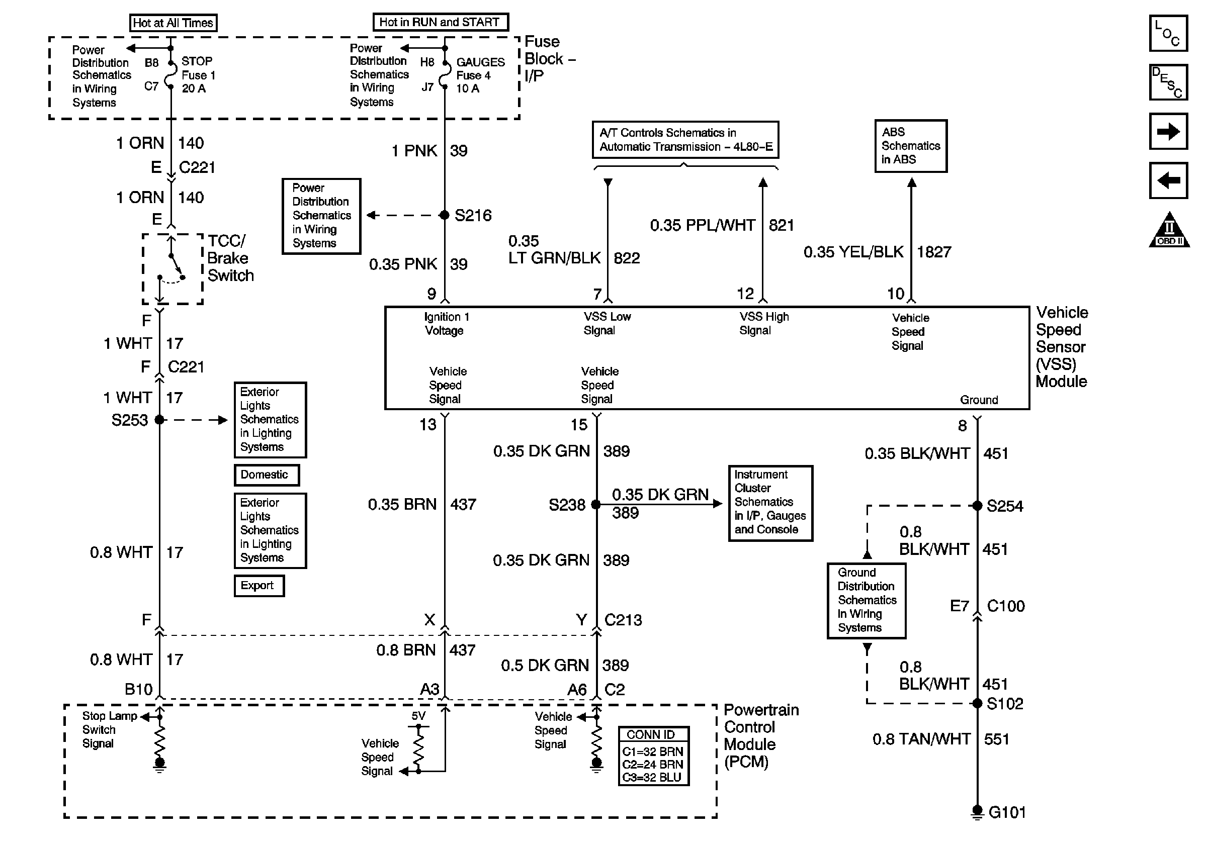
Engine Data Sensors: VSS Controls
Engine Data Sensors: Wastegate Controls, Boost Pressure Sensor, IAT, ECT
OBD II Symbol Description Notice
Figure 4:

Engine Data Sensors: VSS Controls


Object Number: 759720  Size: FS
Master Electrical Component List
Powertrain Control Module Description
Engine Data Sensors: CMP, CKP and ITS Motor
Engine Data Sensors: Accelerator Pedal Position Sensor
OBD II Symbol Description Notice
Lighting and Battery Fuses
Ignition A, Ignition B Fuses, and Ignition Switch
Gages Fuse
VSS and Sensor Controls
Wheel Speed Sensors, VSS and Brake Pressure Switch
PARK LPS, TURN B/U, HAZARD and STOP Fuses
PARK LPS, TURN B/U, HAZARD and STOP Fuses
Gages
G101 - Diesel Engine
Figure 5:

Engine Data Sensors: CMP, CKP and ITS Motor


Object Number: 759715  Size: FS
Master Electrical Component List
Powertrain Control Module Description
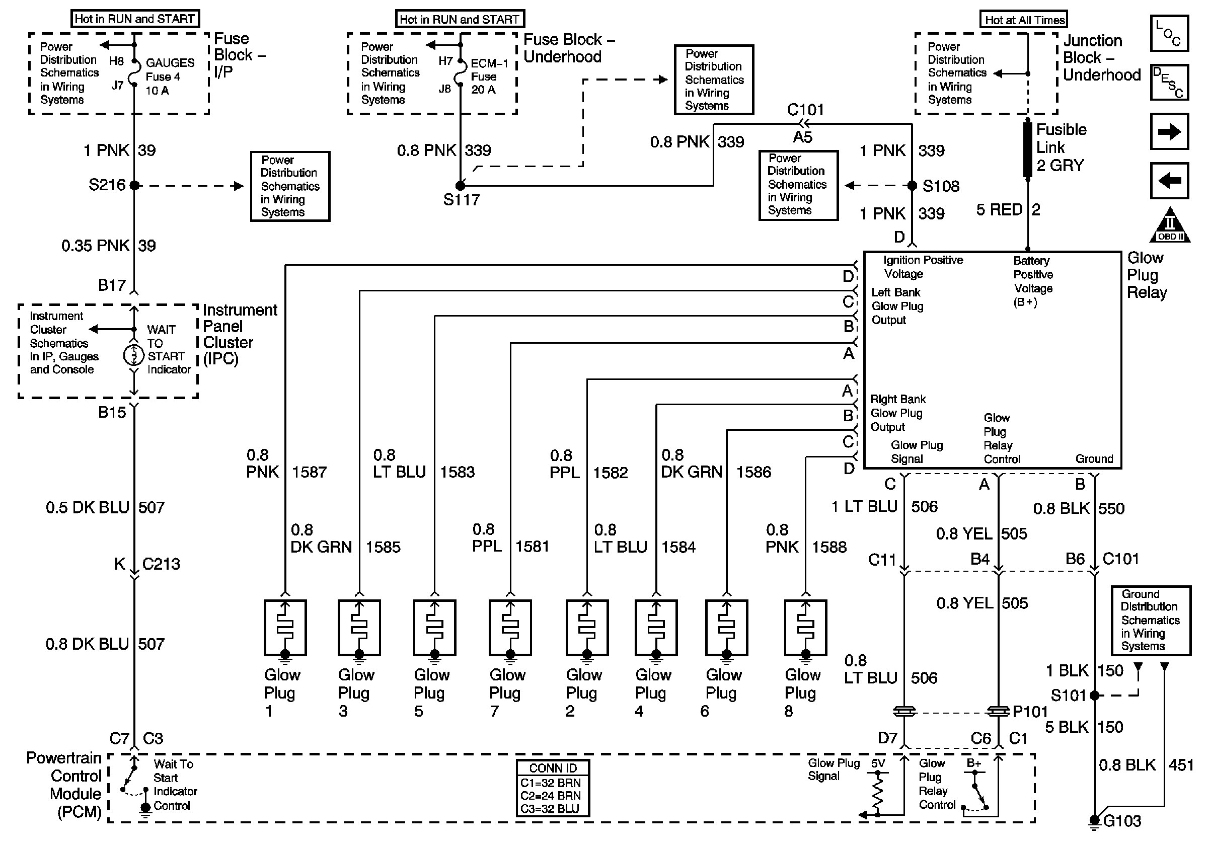
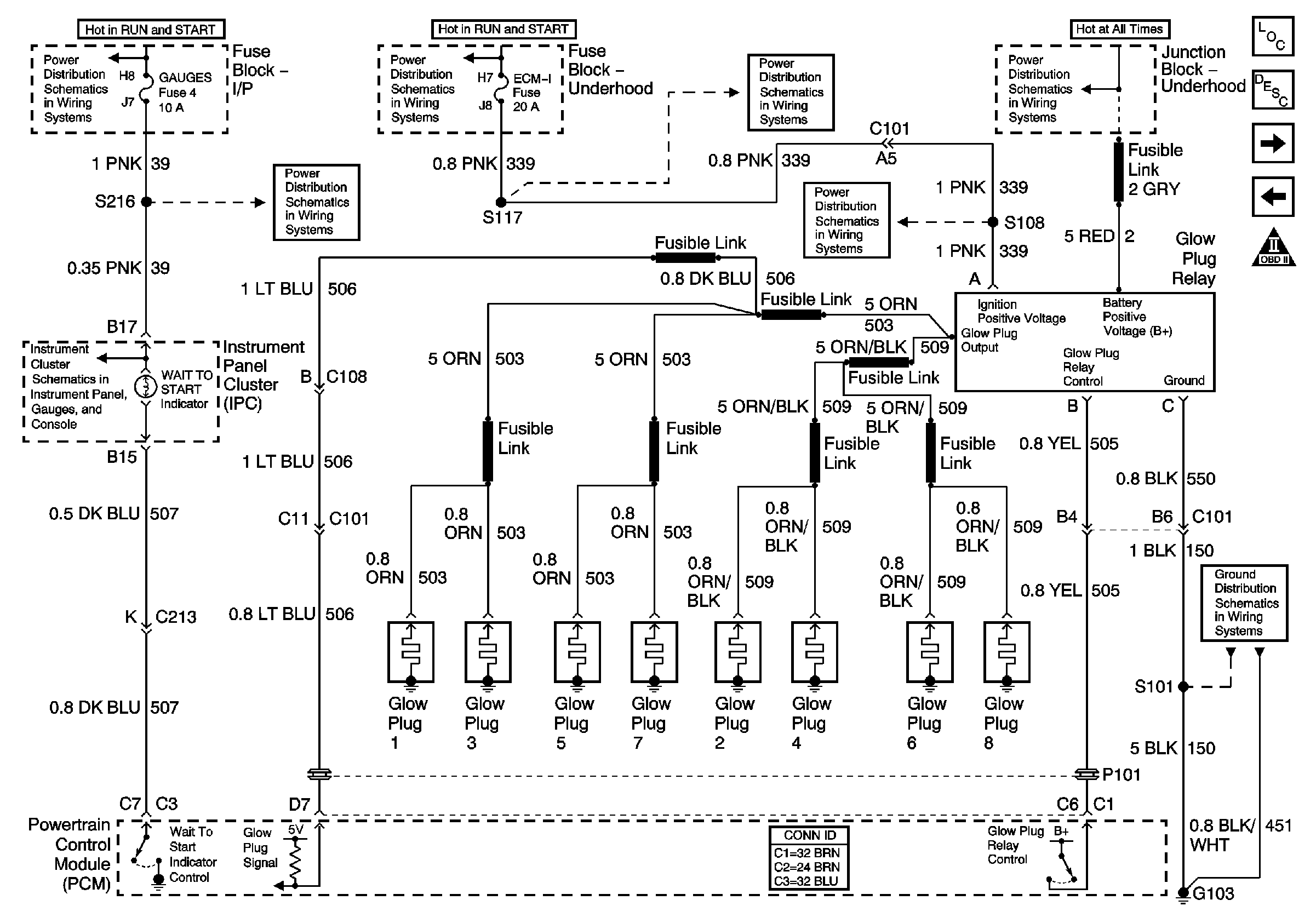
Engine Data Sensors: Glow Plug Controls-Federal Emissions
Engine Data Sensors: VSS Controls
OBD II Symbol Description Notice
Engine Data Sensors: Wastegate Controls, Boost Pressure Sensor, IAT, ECT
Figure 6:

Engine Data Sensors: Glow Plug Controls--Federal Emissions


Object Number: 759711  Size: FS
Master Electrical Component List
Powertrain Control Module Description
Engine Data Sensors: Glow Plug Controls-California Emissions
Engine Data Sensors: CMP, CKP and ITS Motor
OBD II Symbol Description Notice
Ignition A, Ignition B Fuses, and Ignition Switch
Ignition A, Ignition B Fuses, and Ignition Switch
ECM 1 and Ignition E Fuses (6.5L)
Battery, Auxiliary Battery, and Underhood Fuse/Relay Center
Gages Fuse
ECM 1 and Ignition E Fuses (6.5L)
Indicators 1 of 2 - Diesel
G103 - 6.5L Diesel Engine
Figure 7:

Engine Data Sensors: Glow Plug Controls--California Emissions


Object Number: 759712  Size: FS
Master Electrical Component List
Powertrain Control Module Description
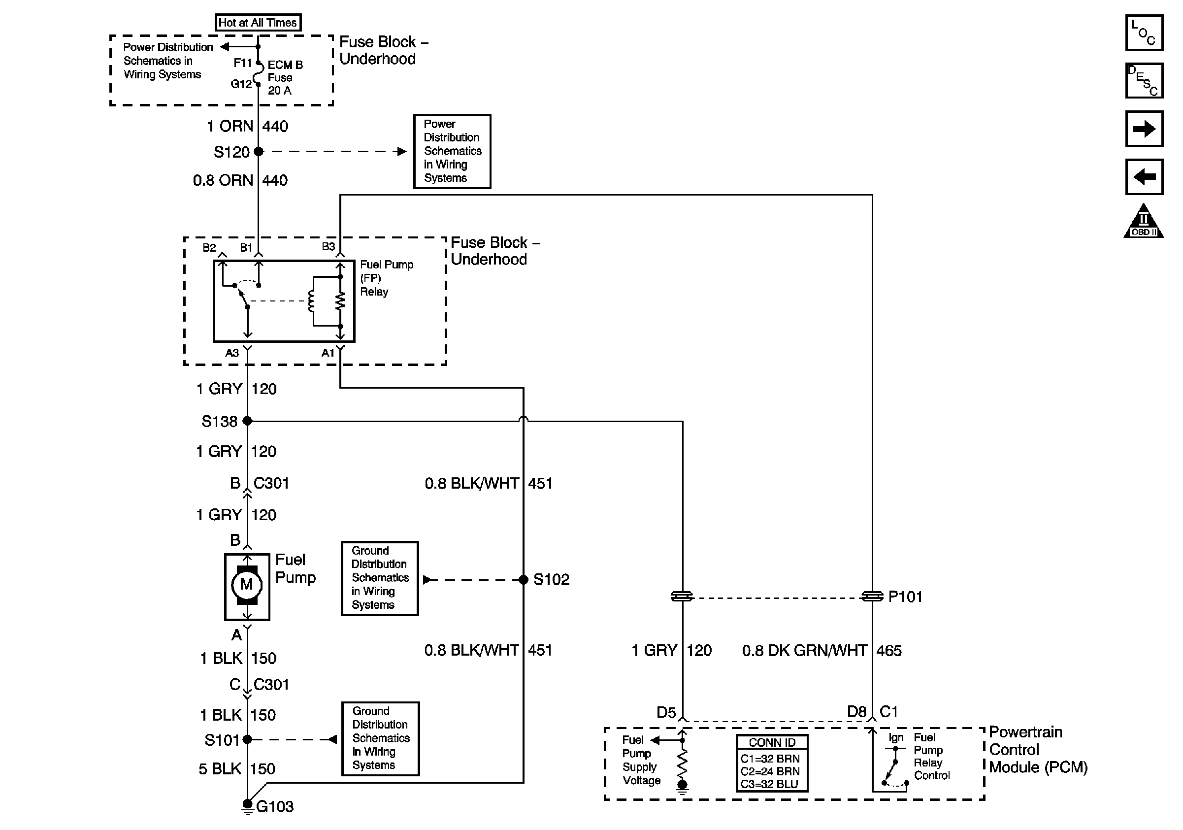
Fuel Controls: Fuel Pump Controls
Engine Data Sensors: Glow Plug Controls-Federal Emissions
OBD II Symbol Description Notice
Ignition A, Ignition B Fuses, and Ignition Switch
Ignition A, Ignition B Fuses, and Ignition Switch
ECM 1 and Ignition E Fuses (6.5L)
Battery, Auxiliary Battery, and Underhood Fuse/Relay Center
Gages Fuse
ECM 1 and Ignition E Fuses (6.5L)
Indicators 1 of 2 - Diesel
G103 - 6.5L Diesel Engine
Figure 8:

Fuel Controls: Fuel Pump Controls


Object Number: 759713  Size: FS
Master Electrical Component List
Powertrain Control Module Description
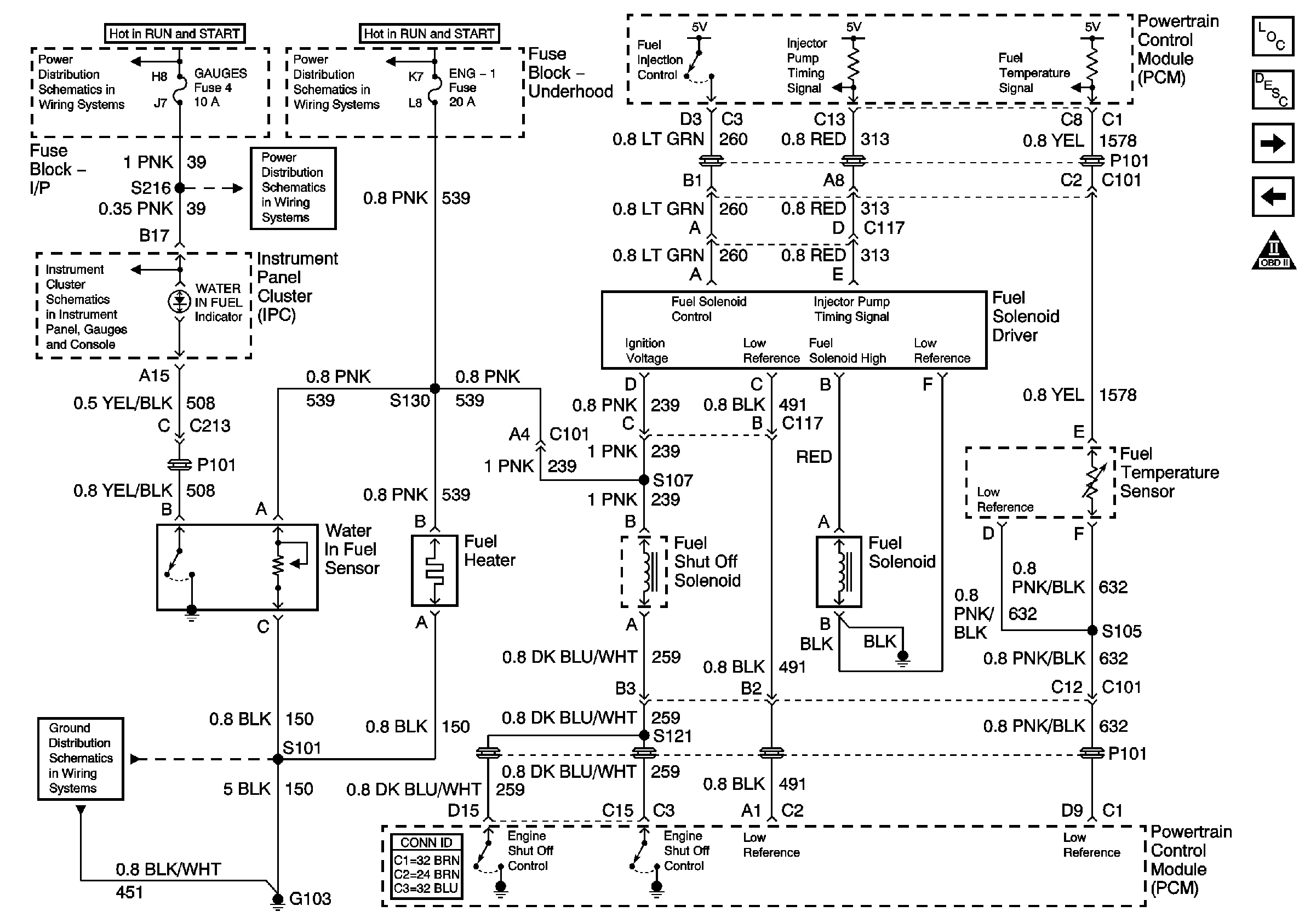
Fuel Controls: Fuel Solenoid, Water in Fuel and Temperature Sensors
Engine Data Sensors: Glow Plug Controls-California Emissions
OBD II Symbol Description Notice
Battery, Auxiliary Battery, and Underhood Fuse/Relay Center
ECM B, Horn, and A/C Fuses
G101 - Diesel Engine
G103 - 6.5L Diesel Engine
Figure 9:

Fuel Controls: Fuel Solenoid, Water in Fuel and Temperature Sensors


Object Number: 759714  Size: FS
Master Electrical Component List
Powertrain Control Module Description
Controlled/Monitored Subsystem References
Fuel Controls: Fuel Pump Controls
OBD II Symbol Description Notice
Ignition A, Ignition B Fuses, and Ignition Switch
Ignition A, Ignition B Fuses, and Ignition Switch
Indicators 1 of 2 - Diesel
Gages Fuse
G103 - 6.5L Diesel Engine
Figure 10:

Controlled/Monitored Subsystem References


Object Number: 759722  Size: FS
Master Electrical Component List
Powertrain Control Module Description
Transmission Controls
Fuel Controls: Fuel Solenoid, Water in Fuel and Temperature Sensors
OBD II Symbol Description Notice
6.5L Diesel Engine
(A/C Fuses; ECM-B, IGN-E, Compressor Clutch, G101, G103 (6.5L Diesel)
(A/C Fuses; ECM-B, IGN-E, Compressor Clutch, G101, G103 (6.5L Diesel)
Figure 11:

Transmission Controls


Object Number: 759721  Size: FS
Master Electrical Component List
Powertrain Control Module Description
Controlled/Monitored Subsystem References
OBD II Symbol Description Notice
PWR, Solenoids and TCC/Brake Switch Controls
Sensor, Solenoid and GND Controls