GM Service Manual Online
For 1990-2009 cars only
Makes
🢒
Chevrolet
🢒
2002
🢒
Express
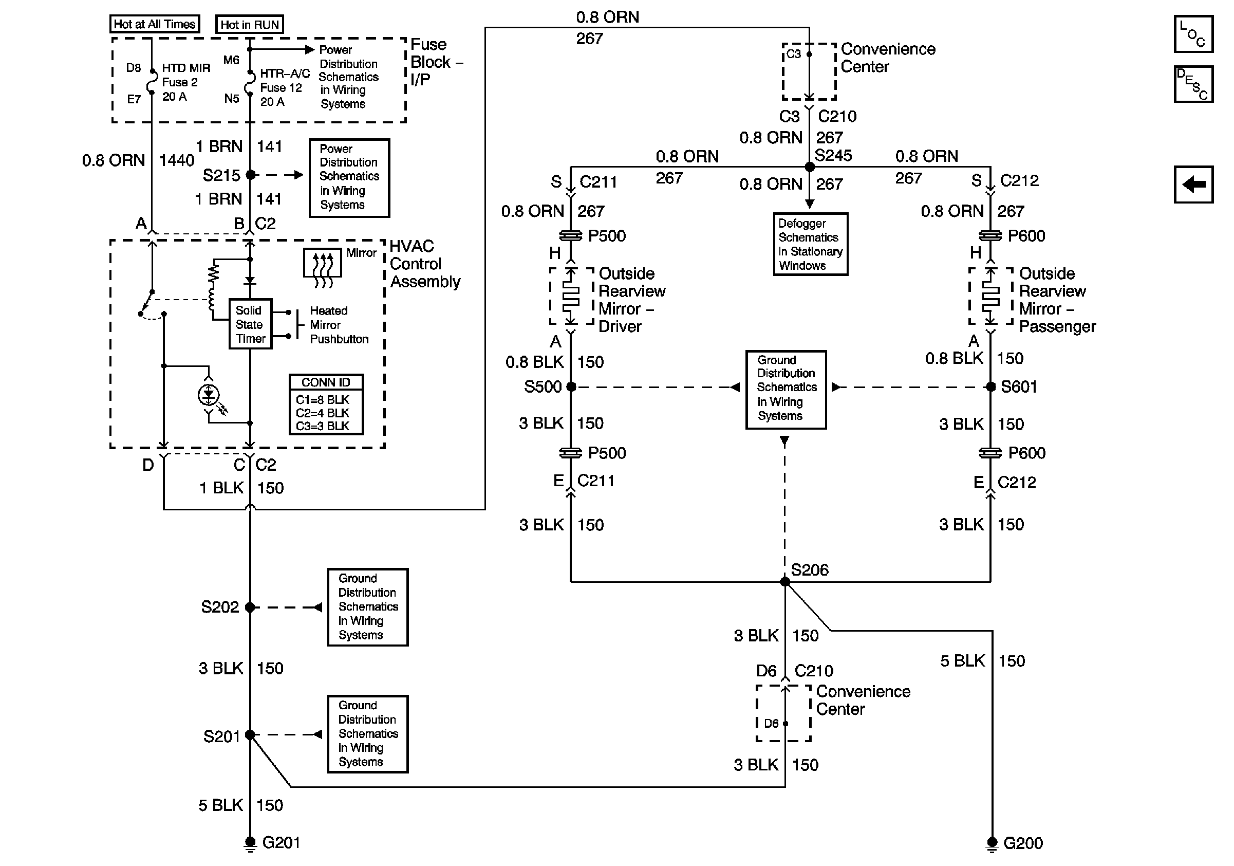
🢒 Heated Outside Mirrors
Heated Outside Mirrors
Heated Outside Mirrors
Master Electrical Component List
Outside Mirror Description and Operation
Power Mirror Switch and Motors
Ignition A, Ignition B Fuses, and Ignition Switch
Cruise, Heater A/C, and Brake Fuses
Components through S202 and S205 to G201
G201
G200
Rear Window Defogger Relay