GM Service Manual Online
For 1990-2009 cars only
Makes
🢒
Chevrolet
🢒
2002
🢒
Express
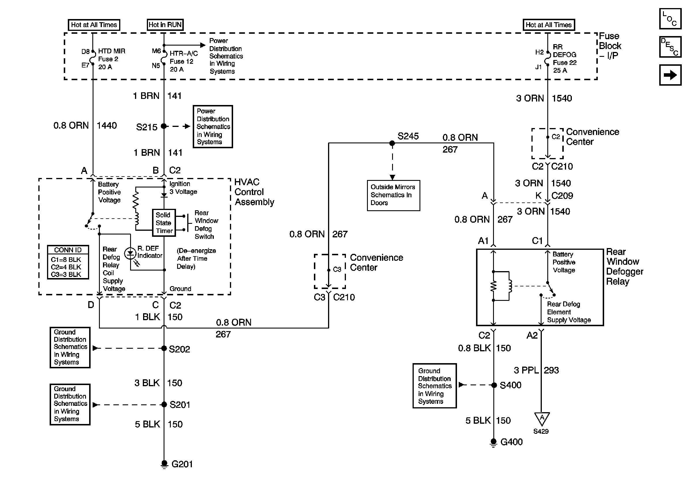
🢒 Rear Window Defogger Relay
Rear Window Defogger Relay
Rear Window Defogger Relay
Master Electrical Component List
Rear Window Defogger Description and Operation
Rear Window Defoggers
Ignition A, Ignition B Fuses, and Ignition Switch
Cruise, Heater A/C, and Brake Fuses
G201
Components through S202 and S205 to G201
G400
Heated Outside Mirrors
Rear Window Defoggers