GM Service Manual Online
For 1990-2009 cars only
Makes
🢒
Chevrolet
🢒
2002
🢒
Express
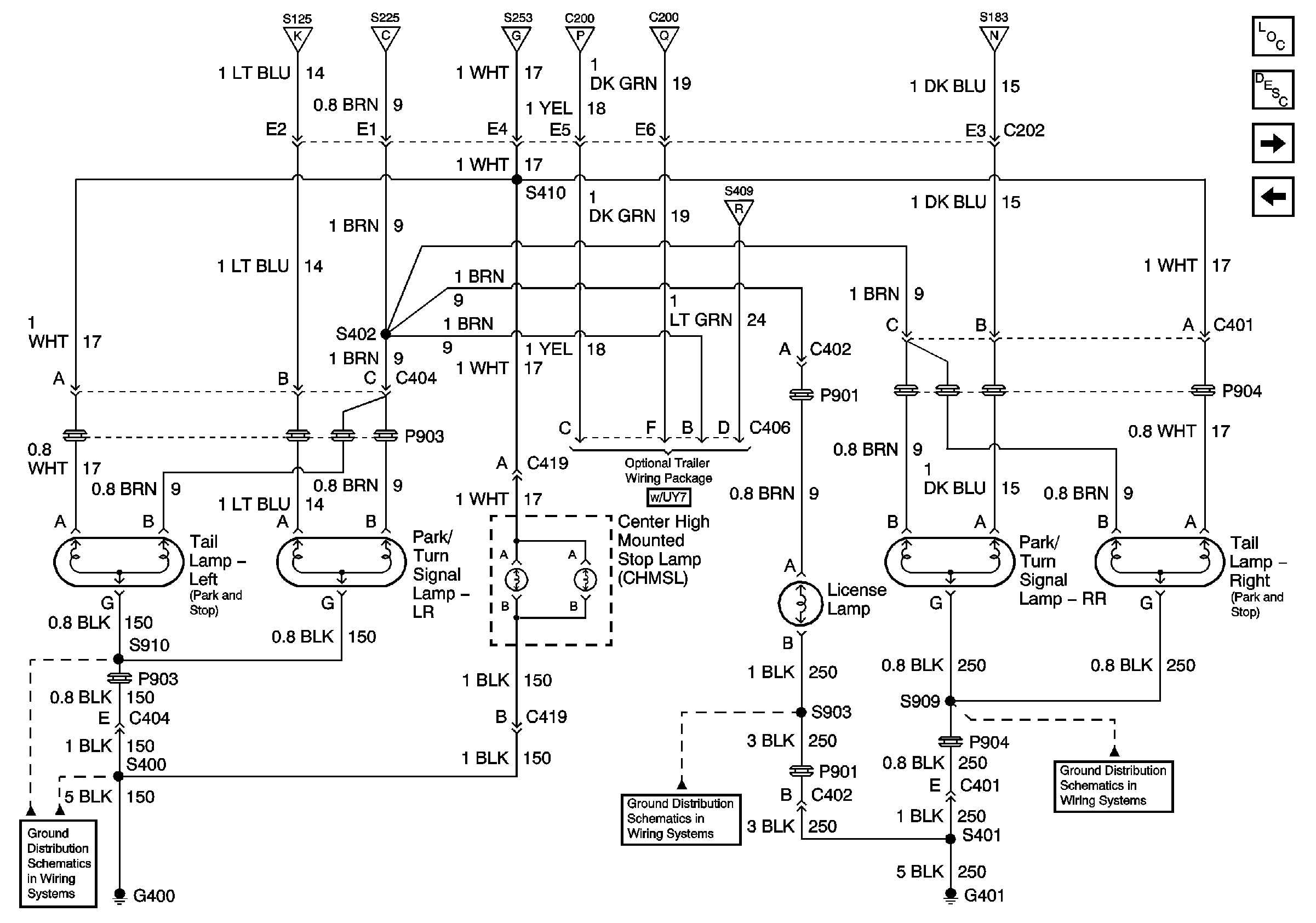
🢒 Tail Lamps, Rear Park and Turn Signal Lamps, Center High Mounted Stoplamps, License Lamp
Tail Lamps, Rear Park and Turn Signal Lamps, Center High Mounted Stoplamps, License Lamp
Tail Lamps, Rear Park and Turn Signal Lamps, Center High Mounted Stop lamps, License Lamp
Master Electrical Component List
Exterior Lighting Systems Description and Operation
Backup Lamps
Front Side Marker Lamps, Front Park and Turn Signal Lamps - Composite
Hazard Warning Switch, Turn/Hazard Lamp Flasher
PARK LPS, TURN B/U, HAZARD and STOP Fuses
PARK LPS, TURN B/U, HAZARD and STOP Fuses
Hazard Warning Switch, Turn/Hazard Lamp Flasher
Hazard Warning Switch, Turn/Hazard Lamp Flasher
Backup Lamps
Hazard Warning Switch, Turn/Hazard Lamp Flasher
G400
G401
G401