GM Service Manual Online
For 1990-2009 cars only
Figure 1:

Dome and Courtesy Lamp Switch Signals and Door Latch Assemblies


Object Number: 1576882  Size: FS
Master Electrical Component List
Interior Lighting Systems Description and Operation
Control Module References
Courtesy Lamps (YF7)
I/P Dimming Supply Voltage - 1 of 3 and LED Dimming Supply Voltage
Park Lamp Relay Control and Front Park Lamps
Headlamps
G302
G347 - 1 of 3
G347 - 2 of 3
G347 - 1 of 3
G402 - Passenger/Cargo and G403 - PRP
Figure 2:

Courtesy Lamps (YF7)


Object Number: 1576883  Size: FS
Master Electrical Component List
Interior Lighting Systems Description and Operation
Control Module References
Courtesy Lamps (w/o YF7) - 1 of 2
Dome and Courtesy Lamp Switch Signals and Door Latch Assemblies
B+ Bus - Body Fuse Block
G302
B+ Bus - Underhood Fuse Block - Gas
G302
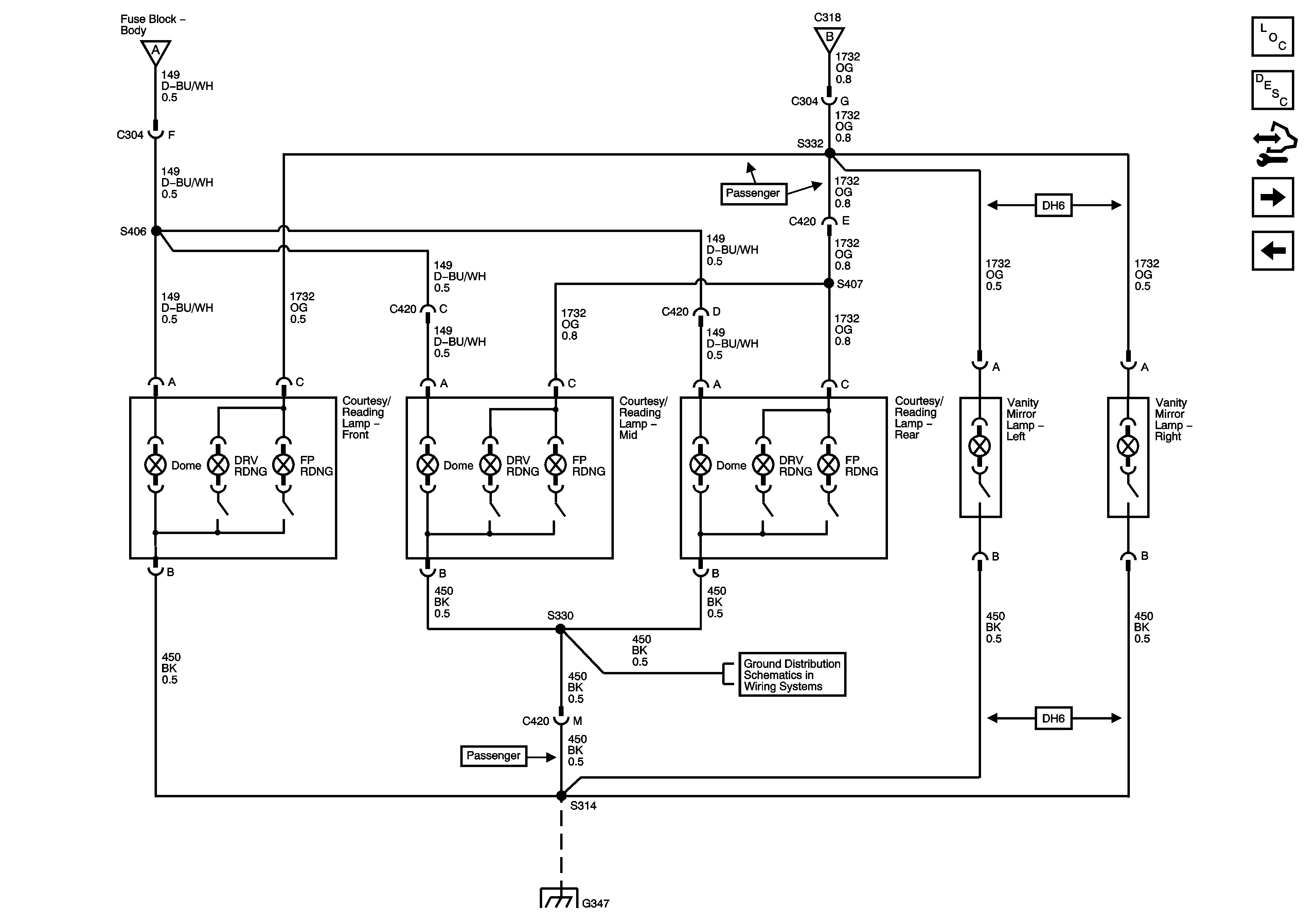
Figure 3:

Courtesy Lamps (w/o YF7) 1 of 2


Object Number: 1576885  Size: FS
Master Electrical Component List
Interior Lighting Systems Description and Operation
Control Module References
Courtesy Lamps (w/o YF7) - 2 of 2
Courtesy Lamps (YF7)
B+ Bus - Underhood Fuse Block - Gas
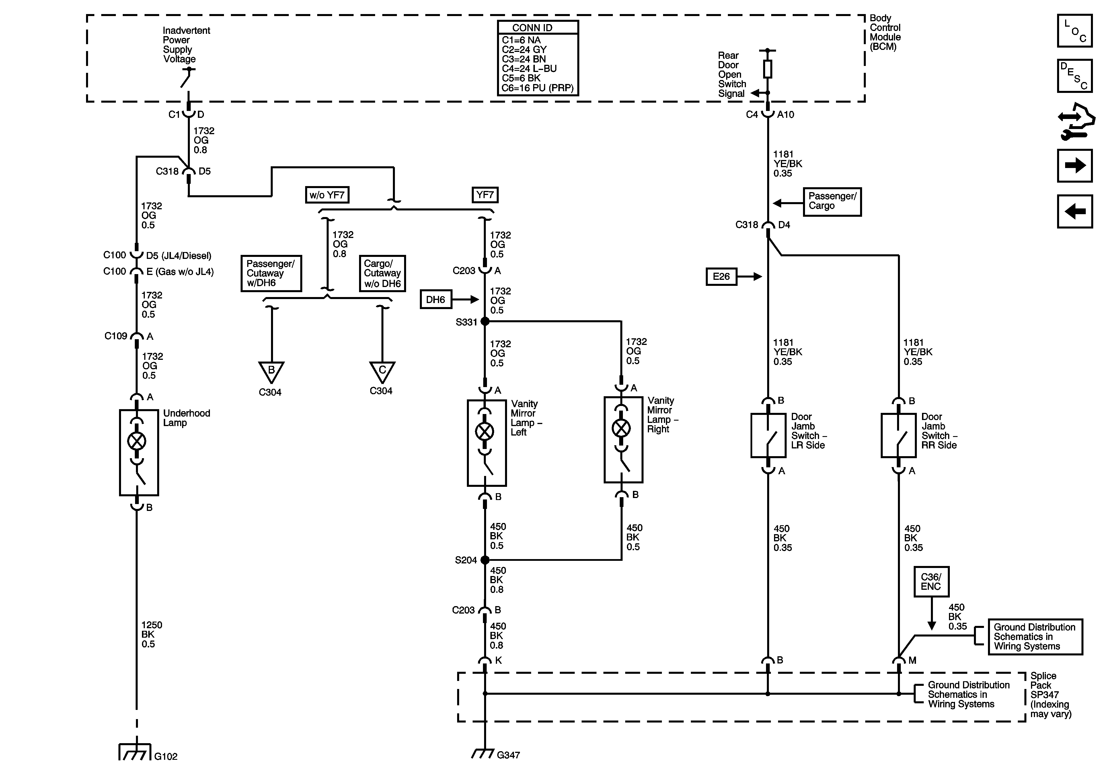
Underhood/Vanity Lamps and Door Jamb Switches
Courtesy Lamps (w/o YF7) - 2 of 2
G401 - Passenger/Cargo
G347 - 3 of 3
Figure 4:

Courtesy Lamps (w/o YF7) 2 of 2


Object Number: 1576887  Size: FS
Master Electrical Component List
Interior Lighting Systems Description and Operation
Control Module References
Underhood/Vanity Lamps and Door Jamb Switches
Courtesy Lamps (w/o YF7) - 1 of 2
Underhood/Vanity Lamps and Door Jamb Switches
Courtesy Lamps (w/o YF7) - 1 of 2
G347 - 3 of 3
G347 - 3 of 3
Figure 5:

Underhood/Vanity Lamps and Door Jamb Switches


Object Number: 1576888  Size: FS
Master Electrical Component List
Interior Lighting Systems Description and Operation
Control Module References
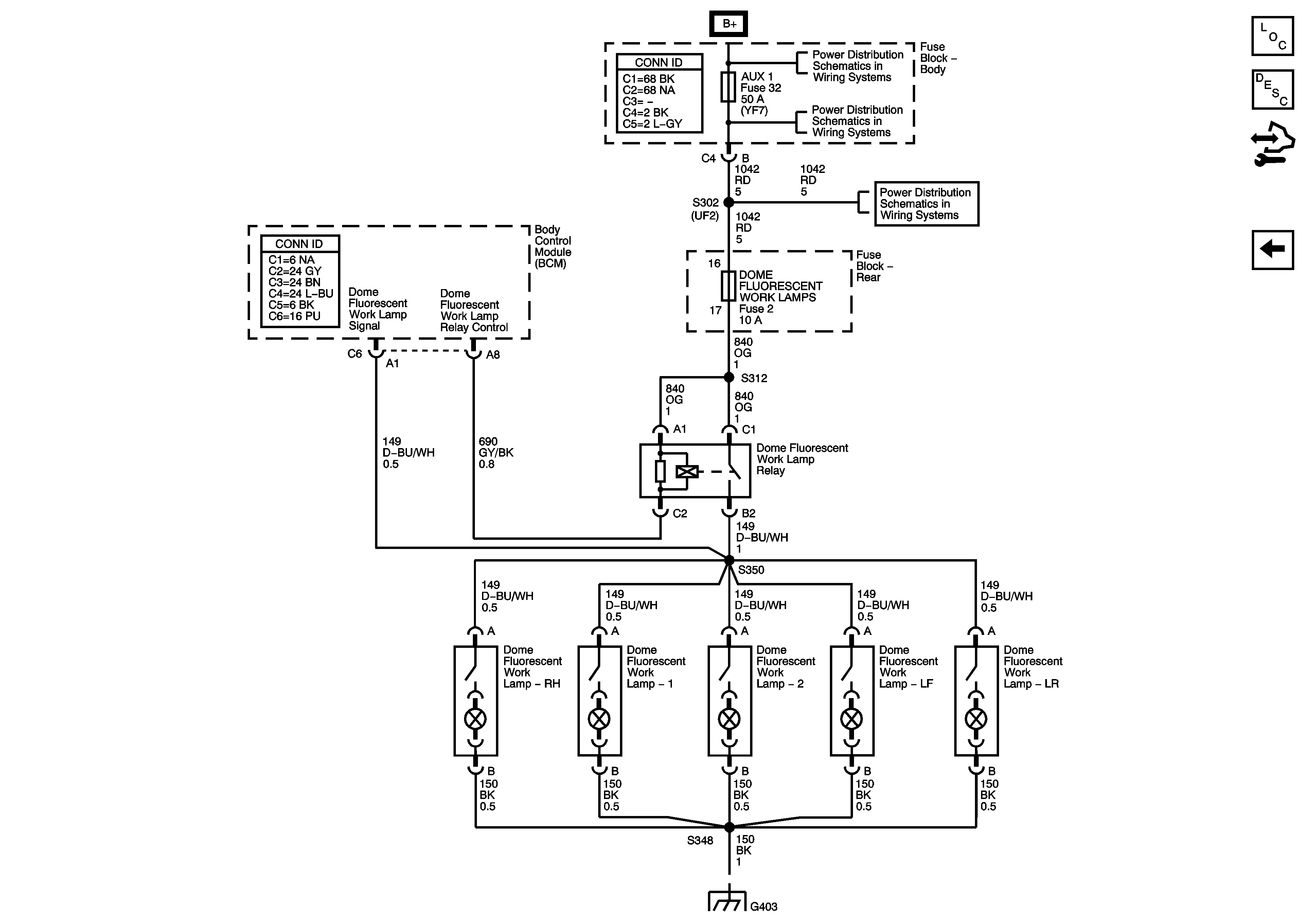
Dome Fluorescent Work Lamps - PRP (UF2)
Courtesy Lamps (w/o YF7) - 2 of 2
Courtesy Lamps (w/o YF7) - 2 of 2
Courtesy Lamps (w/o YF7) - 1 of 2
G102
G347 - 2 of 3
G347 - 2 of 3
Figure 6:

Dome Fluorescent Work Lamps - PRP (UF2)


Object Number: 1576890  Size: FS
Master Electrical Component List
Interior Lighting Systems Description and Operation
Control Module References
Underhood/Vanity Lamps and Door Jamb Switches
B+ Bus - Body Fuse Block
AUX 1, OSRVM, REAR BLWR and SPARE Fuses
DOME FLUORESCENT WORK LAMPS and PANEL ACTUATOR Fuses
G402 - Passenger/Cargo and G403 - PRP