GM Service Manual Online
For 1990-2009 cars only
Figure 1:

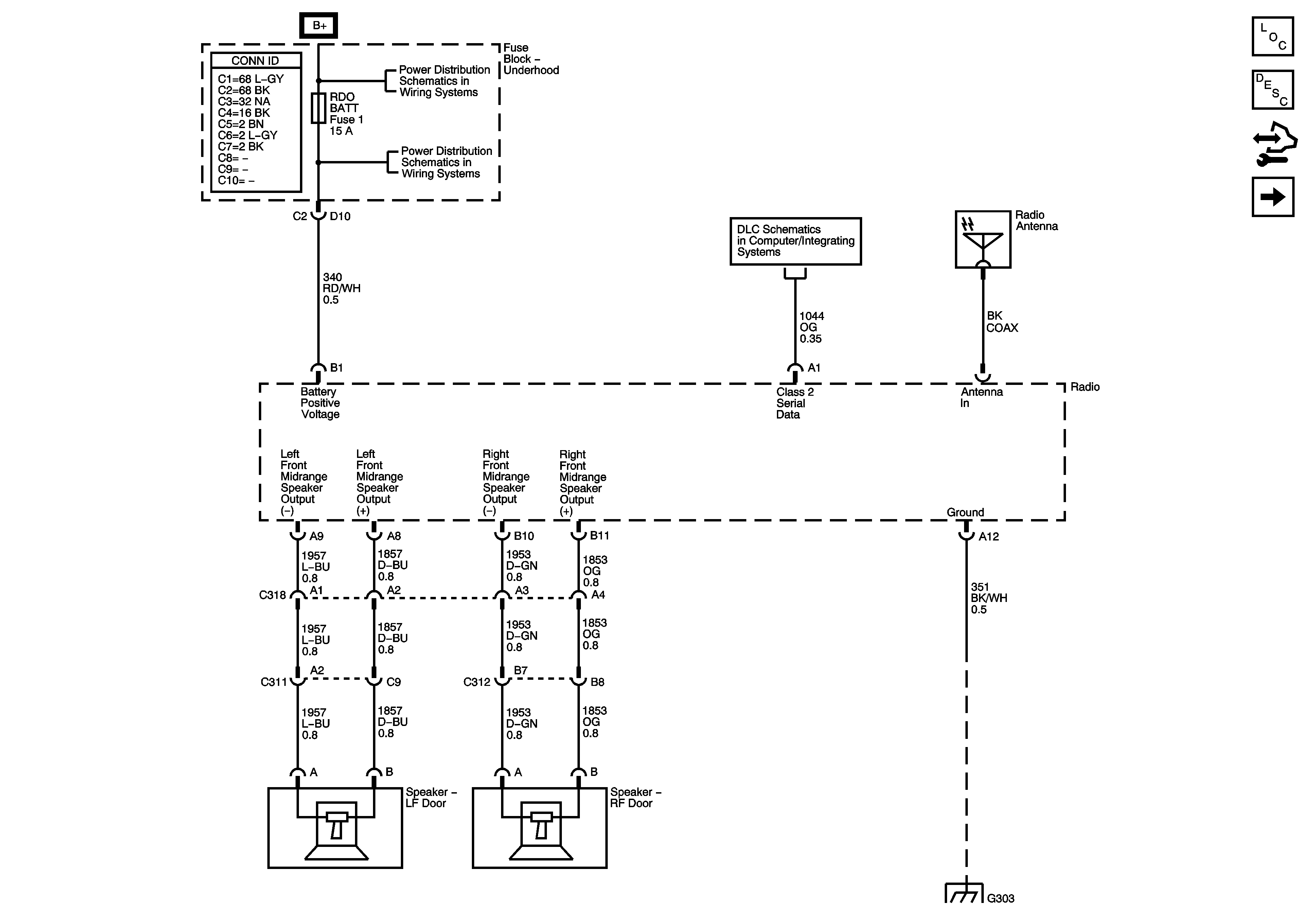
Power, Ground, Serial Data, Antenna, and Front Speaker Outputs


Object Number: 1576899  Size: FS
Master Electrical Component List
Radio/Audio System Description and Operation
Control Module References
Rear Speaker Outputs (UK6)
B+ Bus - Underhood Fuse Block - Gas
HAZRD, RDO BATT, RFA, REAR DEF/HTD MIR, TBC, TBC 2, TBC 3, TBC 4, TRLR STOP/TRN Fuses and PWR SEAT Circuit Breaker
Power, Ground, DLC, and Splice Pack SP200
G303
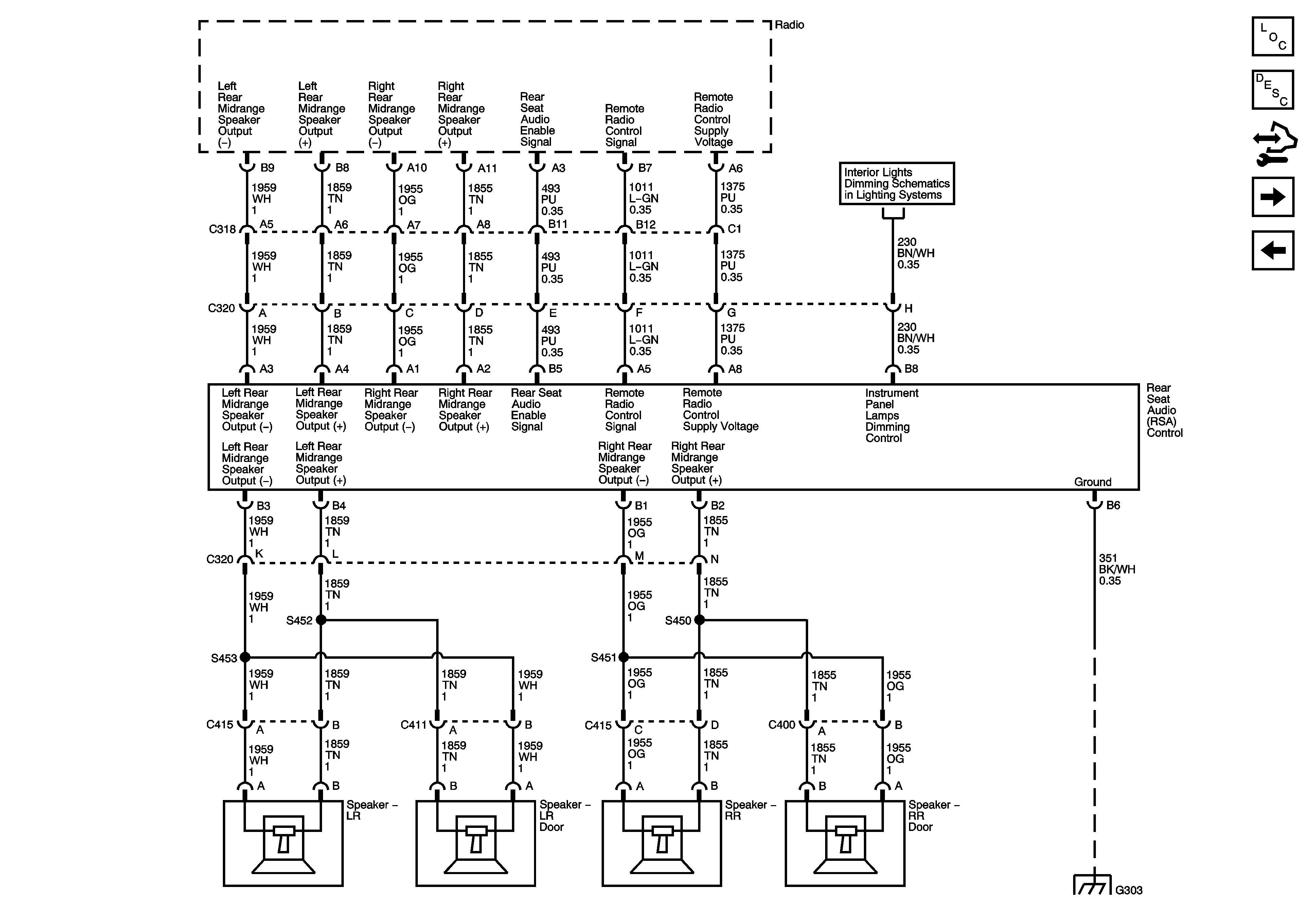
Figure 2:

Rear Speaker Outputs (UK6)


Object Number: 1576901  Size: FS
Master Electrical Component List
Radio/Audio System Description and Operation
Control Module References
Rear Speaker Outputs (w/o UK6)
Power, Ground, Serial Data, Antenna, and Front Speaker Outputs
I/P Dimming Supply Voltage - 2 of 3
G303
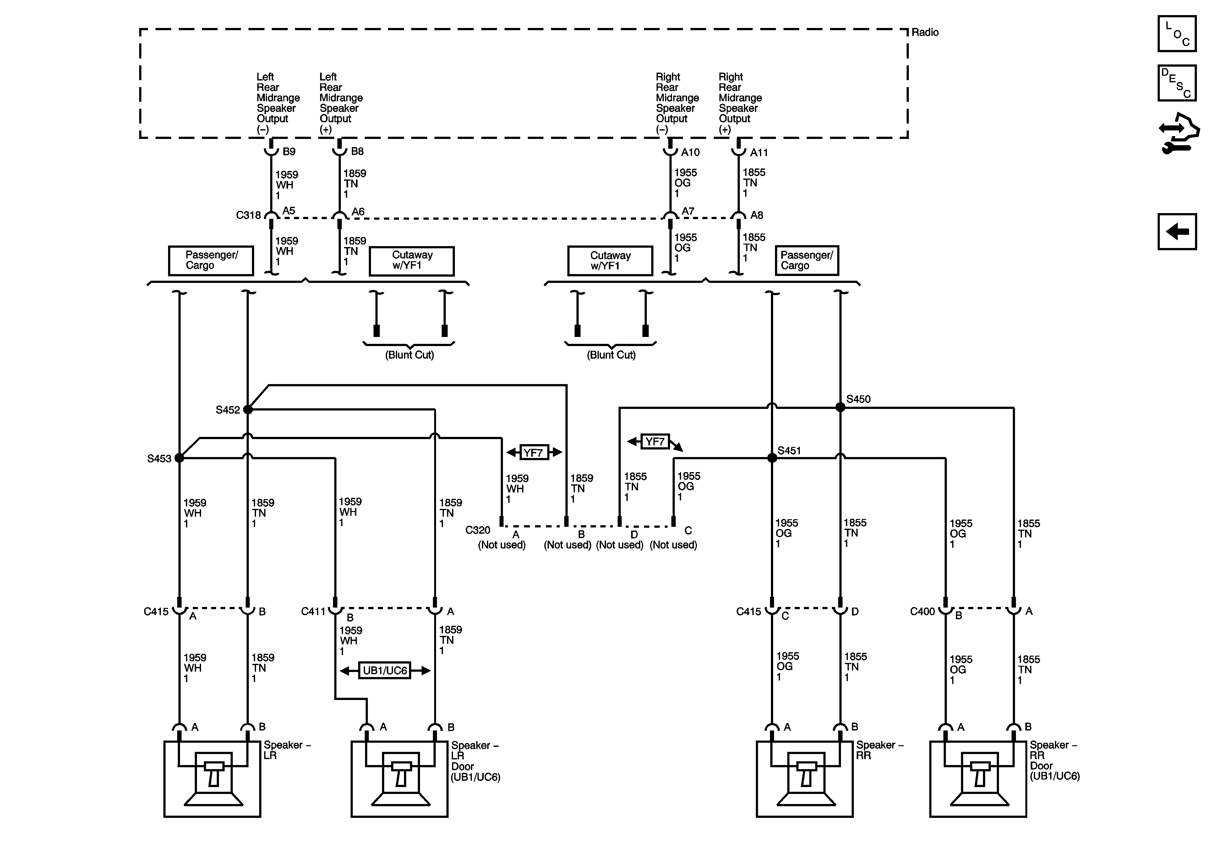
Figure 3:

Rear Speaker Outputs (w/o UK6)


Object Number: 1576902  Size: FS
Master Electrical Component List
Radio/Audio System Description and Operation
Control Module References
Rear Speaker Outputs (UK6)