GM Service Manual Online
For 1990-2009 cars only
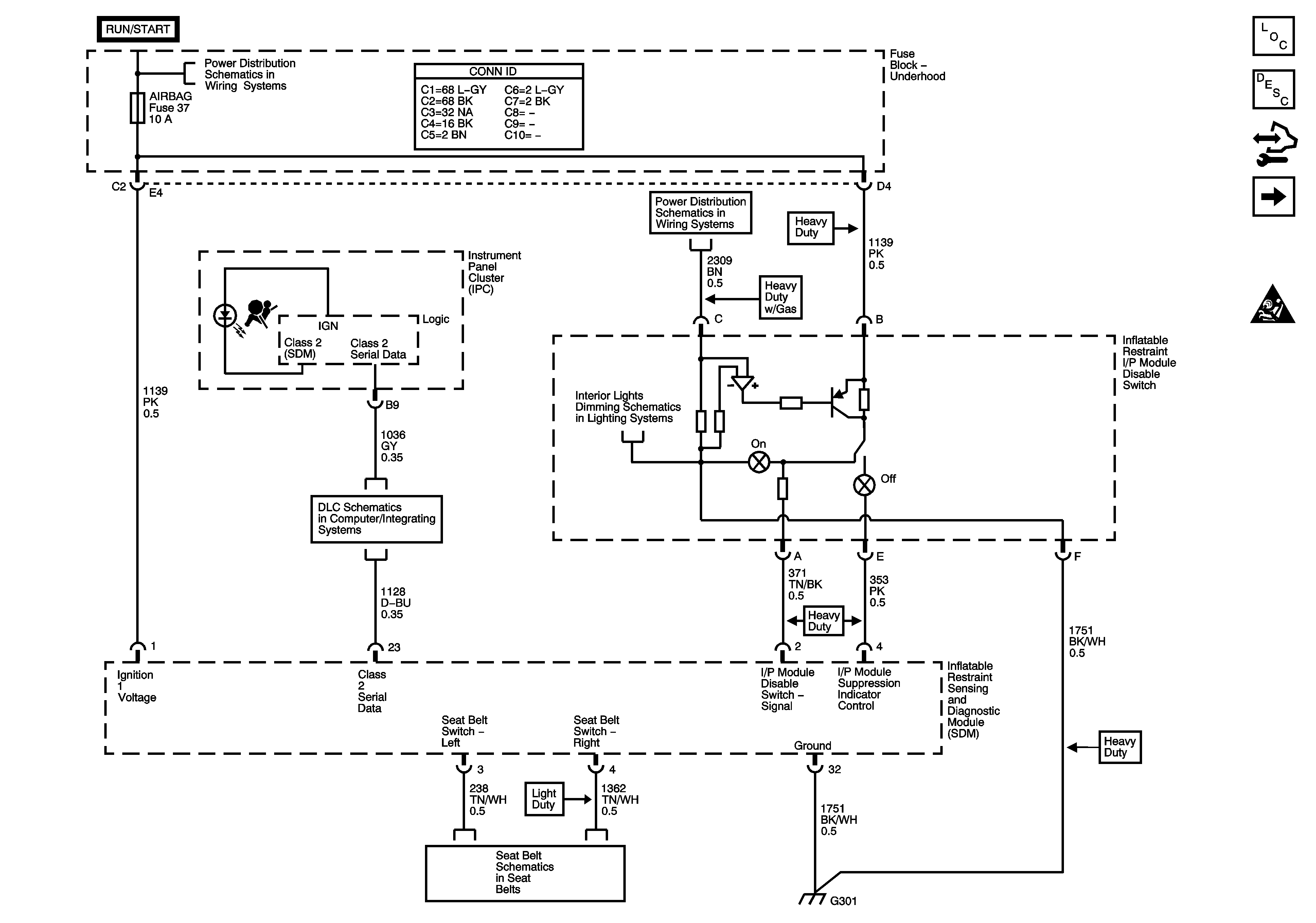
Figure 1:

Module Power, Ground, Serial Data, Indicator and Disable Switch


Object Number: 1580829  Size: FS
Master Electrical Component List
SIR System Description and Operation
Control Module References
Air Bag Modules, Pretensioners and Position Sensors
SIR Caution for Zoning
Ignition Switch - ACCY/RUN, RUN/START Bus Bars and IGN B Fuse
FRT PRK, LT REAR PRK, RT REAR PRK, TRLR PRK, UPFTR PRK LAMPS Fuses and PWR WNDW Circuit Breaker
I/P Dimming Supply Voltage - 1 of 3 and LED Dimming Supply Voltage
Power, Ground, DLC, and Splice Pack SP200
Seat Belt Schematics
Figure 2:

Air Bag Modules, Pretensioners and Position Sensors


Object Number: 1580831  Size: FS
Master Electrical Component List
SIR System Description and Operation
Control Module References
Passenger Presence System - Light Duty w/o YF7
Module Power, Ground, Serial Data, Indicator and Disable Switch
SIR Caution for Zoning
SIR Schematic Icons
SIR Schematic Icons
SIR Schematic Icons
SIR Schematic Icons
SIR Schematic Icons
SIR Schematic Icons
Figure 3:

Passenger Presence System - Light Duty w/o YF7


Object Number: 1580833  Size: FS
Master Electrical Component List
SIR System Description and Operation
Control Module References
Air Bag Modules, Pretensioners and Position Sensors
SIR Caution for Zoning
G303