GM Service Manual Online
For 1990-2009 cars only
Makes
🢒
Chevrolet
🢒
2006
🢒
Express
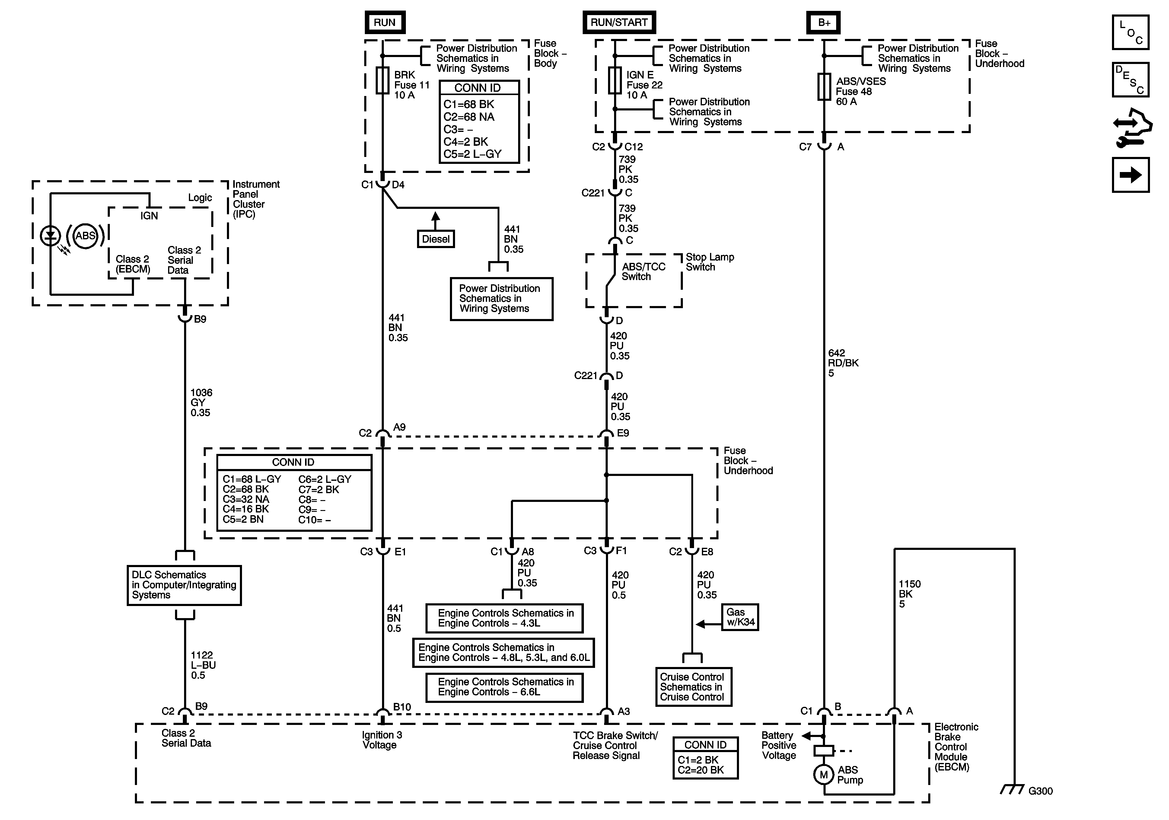
🢒 Power, Ground, Serial Data, Indicator, and Stop Lamp Switch (w/o JL4)
Power, Ground, Serial Data, Indicator, and Stop Lamp Switch (w/o JL4)
Power, Ground, Serial Data, Indicator, and Stop Lamp Switch (w/o JL4)
Master Electrical Component List
ABS Description and Operation (W/O JL4)
Control Module References
Wheel Speed Sensors and VSS (w/o JL4)
Ignition Switch - ACCY/RUN/START, RUN, START Bus Bars and IGN A Fuse
Ignition Switch - ACCY/RUN, RUN/START Bus Bars and IGN B Fuse
AIRBAG, IGN E, ISRVM, SPARE and TBC IGN 1 Fuses
Ignition Switch - ACCY/RUN, RUN/START Bus Bars and IGN B Fuse
Power, Ground, DLC, and Splice Pack SP200
Controlled/Monitored Subsystem and Transmission References
Fuel Controls - EVAP and Device Controls
Controlled/Monitored Subsystem References
Gas - w/o JL4