GM Service Manual Online
For 1990-2009 cars only
Makes
🢒
Chevrolet
🢒
2006
🢒
Express
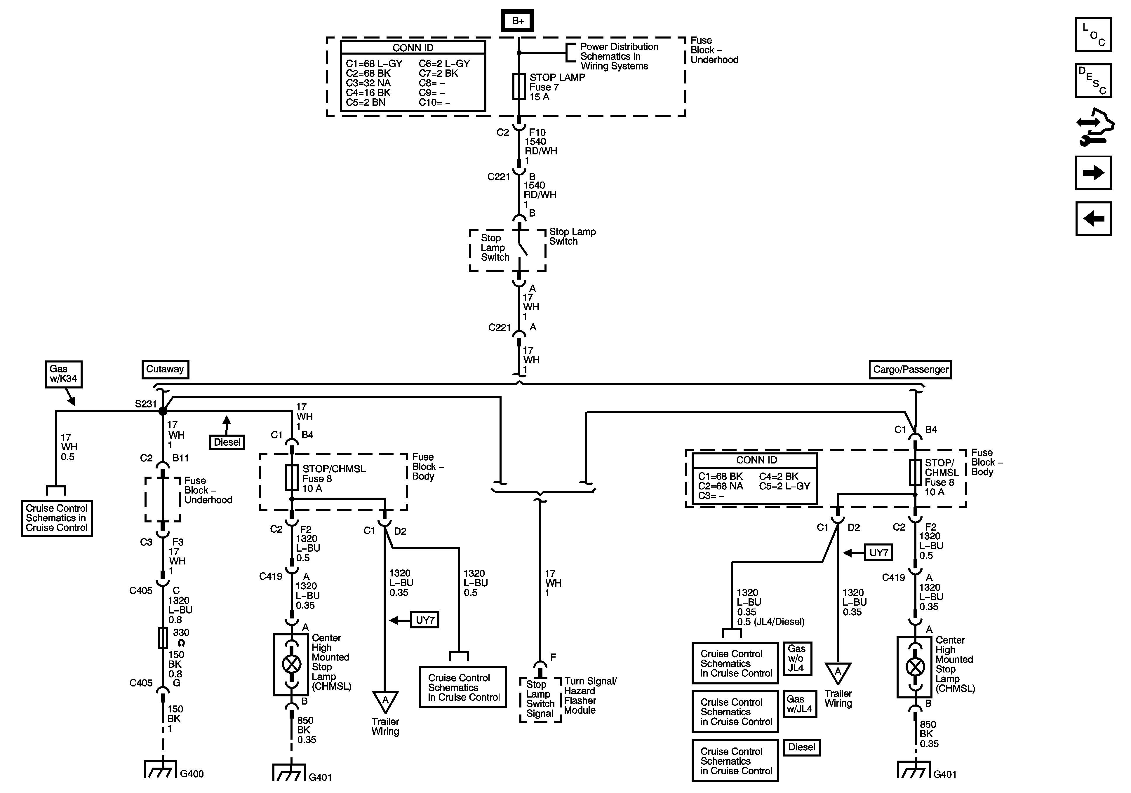
🢒 Stop Lamp Switch
Stop Lamp Switch
Stop Lamp Switch
Master Electrical Component List
Exterior Lighting Systems Description and Operation
Control Module References
Turn Signals
Hazard and Turn Signal Switches
B+ Bus - Underhood Fuse Block - Gas
Gas - w/o JL4
G400
G401 - Passenger/Cargo
Backup Lamps and Trailer Wiring
Diesel
Gas - w/o JL4
Gas - JL4
Diesel
Backup Lamps and Trailer Wiring
G401 - Passenger/Cargo