GM Service Manual Online
For 1990-2009 cars only
Makes
🢒
Chevrolet
🢒
2006
🢒
Express
🢒 Gas - JL4
Gas - JL4
Gas - JL4
Master Electrical Component List
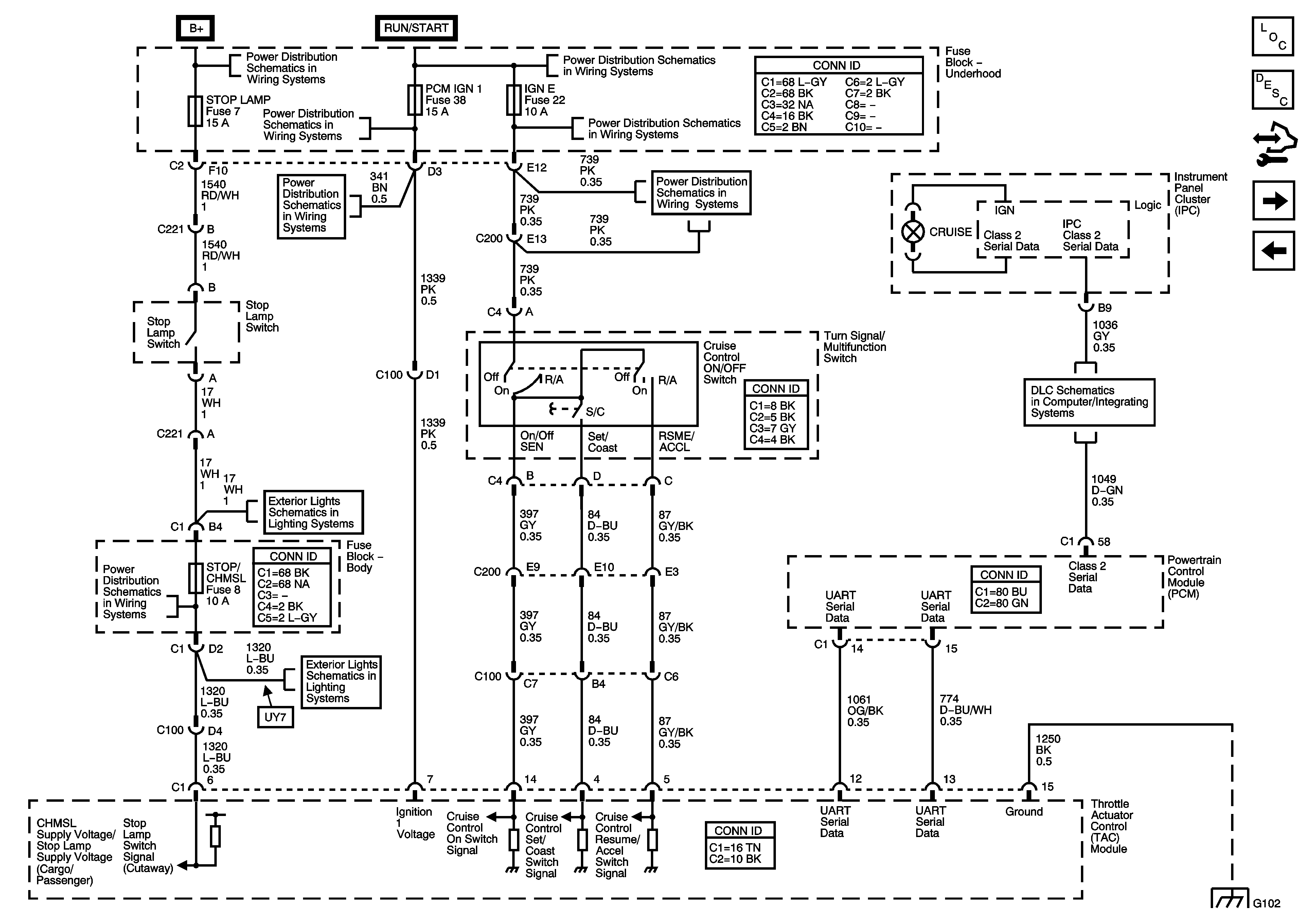
Cruise Control Description and Operation (With Throttle Actuator Control)
Control Module References
Diesel
Gas - w/o JL4
B+ Bus - Underhood Fuse Block - Gas
BTSI, BTSI BCK/UP, ECM/TCM/GLOW PLUG CNTRL MDL IGN 1, FUEL HTR, O2 SNSR A, O2 SNSR B, PCM IGN 1, SPARE and TRLR BCK/UP Fuses
BTSI, BTSI BCK/UP, ECM/TCM/GLOW PLUG CNTRL MDL IGN 1, FUEL HTR, O2 SNSR A, O2 SNSR B, PCM IGN 1, SPARE and TRLR BCK/UP Fuses
Ignition Switch - ACCY/RUN, RUN/START Bus Bars and IGN B Fuse
AIRBAG, IGN E, ISRVM, SPARE and TBC IGN 1 Fuses
AIRBAG, IGN E, ISRVM, SPARE and TBC IGN 1 Fuses
Power, Ground, DLC, and Splice Pack SP200
DRV PWR TRN MIR, PASS TRN MIR and STOP/CHMSL Fuses
Stop Lamp Switch
Stop Lamp Switch
G102