GM Service Manual Online
For 1990-2009 cars only
Figure 1:

G103, G105, G107, and G108


Object Number: 1558362  Size: FS
Master Electrical Component List
Control Module References
G109
Figure 2:

G109


Object Number: 1558363  Size: FS
Master Electrical Component List
Control Module References
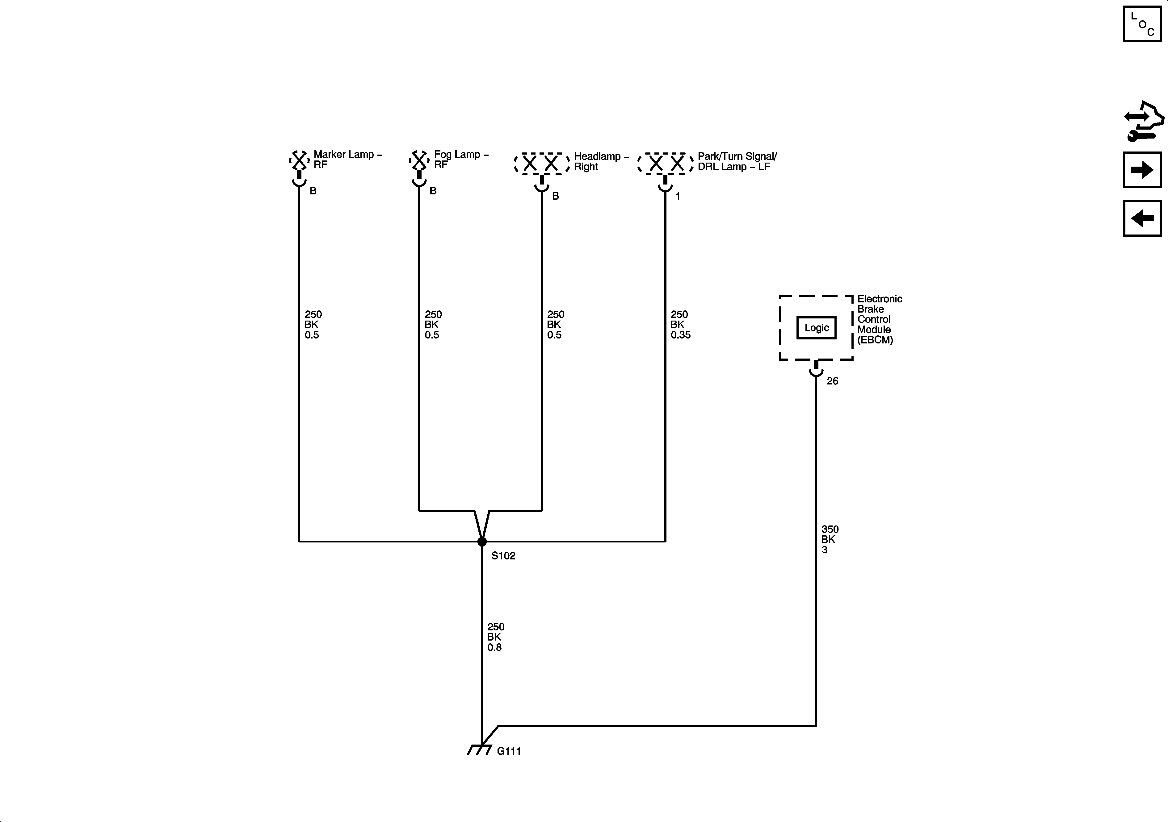
G111
G103, G105, G017, and G108
Figure 3:

G111


Object Number: 1558364  Size: FS
Master Electrical Component List
Control Module References
G201 and G203
G109
Figure 4:

G201 and G203


Object Number: 1558365  Size: FS
Master Electrical Component List
Control Module References
G301 and G306
G111
Power and Grounding Schematic Icons
Power and Grounding Schematic Icons
Figure 5:

G301 and G306


Object Number: 1558366  Size: FS
Master Electrical Component List
Control Module References
G302
G201 and G203
Figure 6:

G302


Object Number: 1558367  Size: FS
Master Electrical Component List
Control Module References
G401 and G403
G301 and G306
Figure 7:

G401 and G403


Object Number: 1558368  Size: FS
Master Electrical Component List
Control Module References
G402
G302
Figure 8:

G402


Object Number: 1558369  Size: FS
Master Electrical Component List
Control Module References
G401 and G403