GM Service Manual Online
For 1990-2009 cars only
Makes
🢒
Chevrolet
🢒
2006
🢒
HHR
🢒
Engine
🢒
Engine Controls - 2.2L (L61)
🢒 Power Distribution Schematics
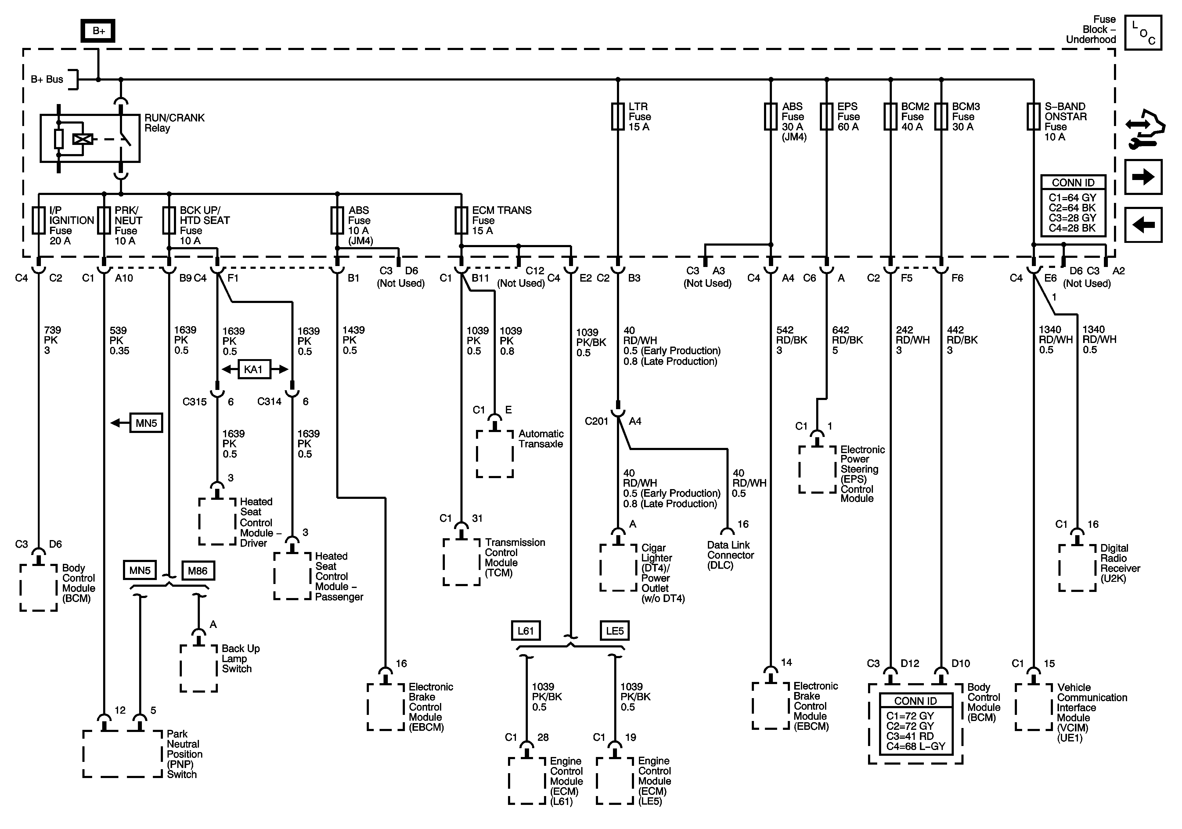
Figure
1:
Underhood Fuse Block B+ Bus
Master Electrical Component List
Control Module References
Underhood Fuse Block - RUN / CRANK Relay, I/P IGNITION, PRK / NEUT, BCK UP / HTD SEAT, ABS (10A), ECM TRANS, LTR, ABS (30A), EPS, BCM 2, BCM 3, and S-BAND ONSTAR Fuses
Body Control Module - RAP, DRIVERS DOOR UNLOCK PCB, DOOR UNLOCK PCB, DOOR LOCK PCB and INTERIOR LAMPS PCB Relays, RDO, PWR WINDW, DR LCK, INT LIGHT, ECM / TCM, SDM, S ROOF and SPARE Fuses
Figure
2:
Underhood Fuse Block - RUN / CRANK Relay, I/P IGNITION, PRK / NEUT, BCK UP / HTD SEAT, ABS (10A), ECM TRANS, LTR, ABS (30A), EPS, BCM 2, S-BAND ONSTAR Fuses
Master Electrical Component List
Control Module References
Underhood Fuse Block - LIFTGATE RELEASE, POWERTRAIN Relay, LIFTGATE / SUNROOF, EMISSION, INJ IGN MOD and ECM Fuses
Underhood Fuse Block - B+ Bus
Underhood Fuse Block - B+ Bus
Figure
3:
Underhood Fuse Block - LIFTGATE RELEASE, POWERTRAIN Relay, LIFTGATE / SUNROOF, EMISSION, INJ IGN MOD and ECM Fuses
Master Electrical Component List
Control Module References
Underhood Fuse Block - LOW BEAM, HIGH BEAM Relays, RT LO BEAM, LT LO BEAM, LT HI BEAM, RT HI BEAM, and HTD SEAT Fuses
Underhood Fuse Block - RUN / CRANK Relay, I/P IGNITION, PRK / NEUT, BCK UP / HTD SEAT, ABS (10A), ECM TRANS, LTR, ABS (30A), EPS, BCM 2, BCM 3, and S-BAND ONSTAR Fuses
Underhood Fuse Block - B+ Bus
Figure
4:
Underhood Fuse Block - LOW BEAM, HIGH BEAM Relays, RT LO BEAM, LT LO BEAM, LT HI BEAM, RT HI BEAM and HTD SEAT Fuses
Master Electrical Component List
Control Module References
Underhood Fuse Block - ABS (20A), CNSTR VENT, PWR OUTLET and MIR Fuses, PWR SEATS Circuit Breaker
Underhood Fuse Block - LIFTGATE RELEASE, POWERTRAIN Relay, LIFTGATE / SUNROOF, EMISSION, INJ IGN MOD and ECM Fuses
Underhood Fuse Block - B+ Bus
Figure
5:
Underhood Fuse Block - ABS (20A), CNSTR VENT, PWR OUTLET and MIR Fuses and POWER SEATS Circuit Breaker
Master Electrical Component List
Control Module References
Body Control Module - RAP, DRIVERS DOOR UNLOCK PCB, DOOR UNLOCK PCB, DOOR LOCK PCB and INTERIOR LAMPS PCB Relays, RDO, PWR WINDW, DR LCK, INT LIGHT, ECM / TCM, SDM, S ROOF and SPARE Fuses
Underhood Fuse Block - LOW BEAM, HIGH BEAM Relays, RT LO BEAM, LT LO BEAM, LT HI BEAM, RT HI BEAM, and HTD SEAT Fuses
Underhood Fuse Block - B+ Bus
Figure
6:
Body Control Module -- RAP, DRIVER DOOR UNLOCK PCB, DOOR UNLOCK PCB, DOOR LOCK PCB, and INTERIOR LAMPS PCB Relays, RDO, PWR WINDW, DR LCK, INT LIGHT, ECM / TCM, SDM, S ROOF and SPARE Fuses
Master Electrical Component List
Control Module References
Body Control Module - BCM 2, HVAC / PK3, CLUSTER, IGN SW, STOP LPS, and AMP Fuses
Underhood Fuse Block - ABS (20A), CNSTR VENT, PWR OUTLET and MIR Fuses, PWR SEATS Circuit Breaker
Power and Grounding Schematic Icons
Underhood Fuse Block - B+ Bus
Figure
7:
Body Control Module -- BCM 2, HVAC/PK3, CLUSTER, IGN SW, STOP LPS, and AMP Fuses
Master Electrical Component List
Control Module References
Body Control Module - RUN / CRANK and HVAC Relays, I/P IGN, BCM3, WPR, AIR BAG, EPS / STR WHL CNTRL and HVAC / IP IGNITION Fuses
Body Control Module - RAP, DRIVERS DOOR UNLOCK PCB, DOOR UNLOCK PCB, DOOR LOCK PCB and INTERIOR LAMPS PCB Relays, RDO, PWR WINDW, DR LCK, INT LIGHT, ECM / TCM, SDM, S ROOF and SPARE Fuses
Underhood Fuse Block - B+ Bus
Figure
8:
Body Control Module -- RUN / CRANK and HVAC Relays, I/P IGN, BCM 3, WPR, AIR BAG, EPS / STR WHL CNTRL and HVAC / IP IGNITION Fuses
Master Electrical Component List
Control Module References
Body Control Module - BCM 2, HVAC / PK3, CLUSTER, IGN SW, STOP LPS, and AMP Fuses
Underhood Fuse Block - B+ Bus
Power and Grounding Schematic Icons
Power and Grounding Schematic Icons