GM Service Manual Online
For 1990-2009 cars only
Makes
🢒
Chevrolet
🢒
2006
🢒
HHR
🢒 Transmission Solenoid and VSS
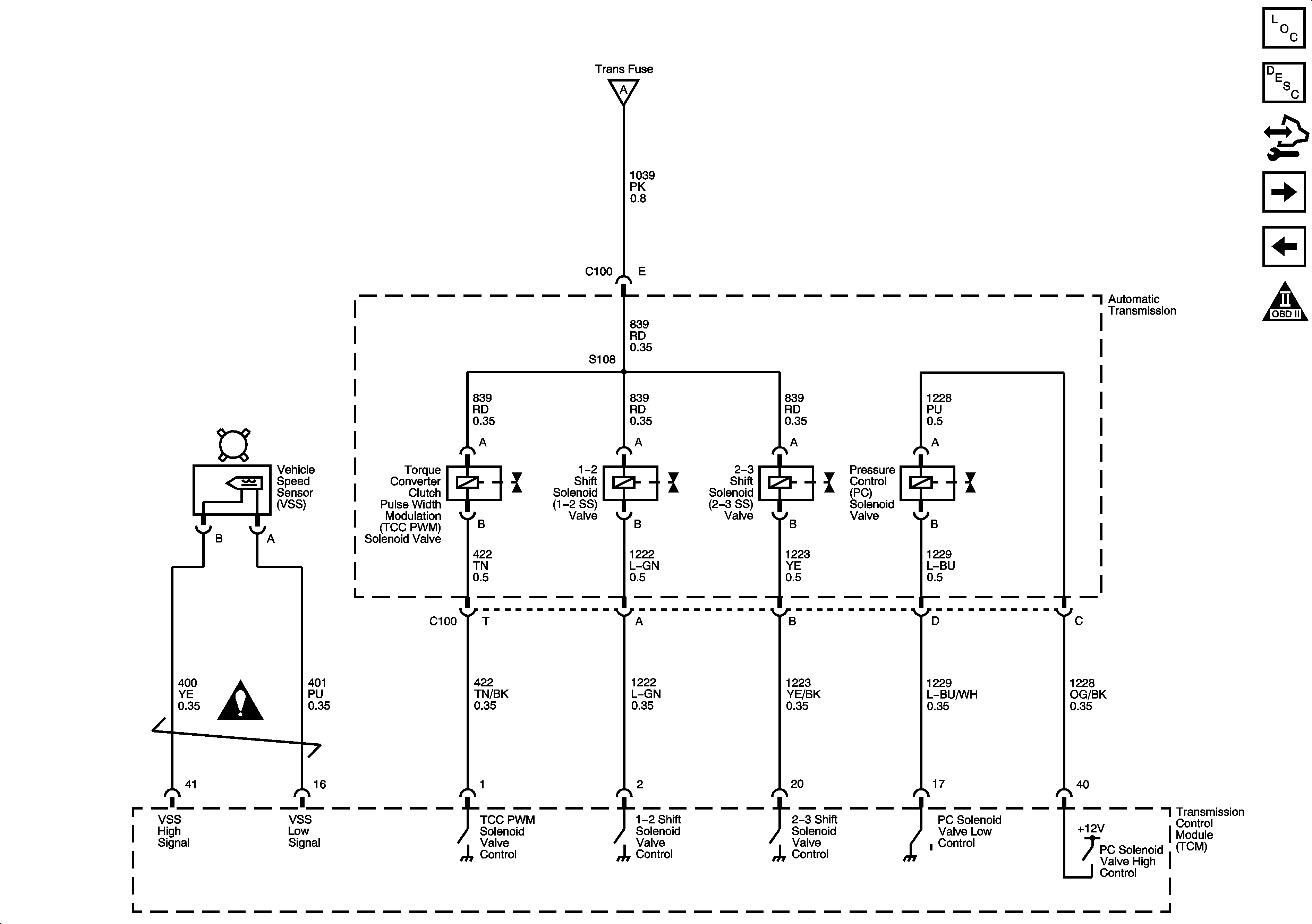
Transmission Solenoid and VSS
Transmission Solenoids and VSS
Master Electrical Component List
Transmission General Description
Control Module References
Transmission Switches, TFT, and A/T ISS Sensors
TCM Power and Ground
Automatic Transmission Schematic Icons
TCM Power and Ground
Automatic Transmission Schematic Icons