GM Service Manual Online
For 1990-2009 cars only
Makes
🢒
Chevrolet
🢒
2006
🢒
HHR
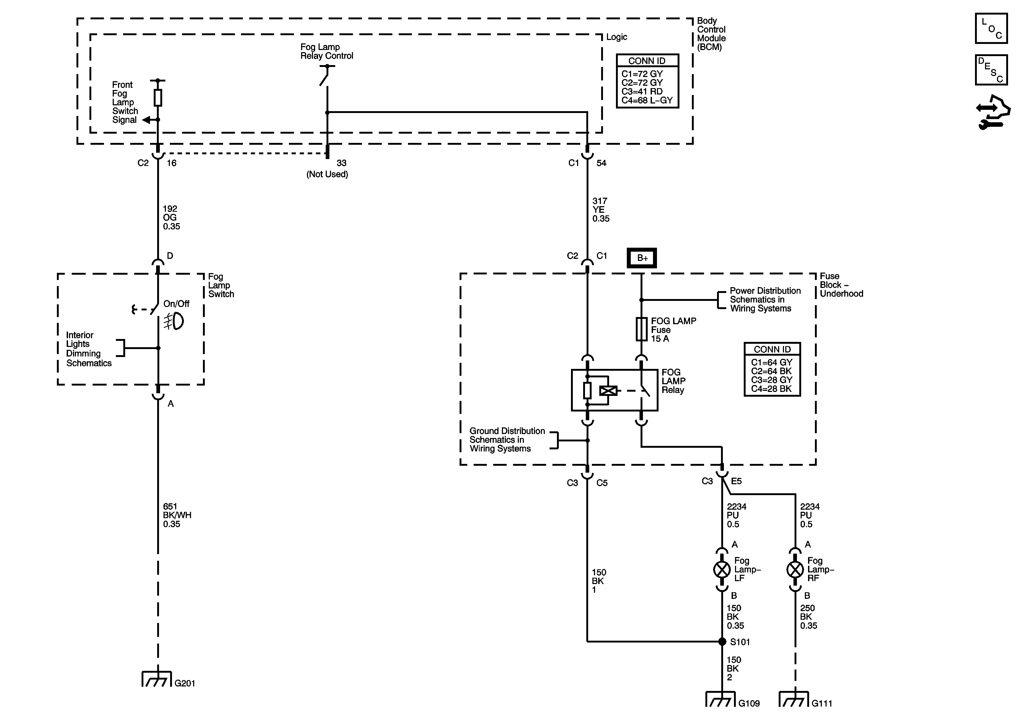
🢒 Fog Lamps
Fog Lamps
Master Electrical Component List
Exterior Lighting Systems Description and Operation
Control Module References
Dimmer Switch, Radio, Hazard, Fog Lamps, Steering Wheel Controls, and Rear Wiper/Washer Switches
Underhood Fuse Block - B+ Bus
G109
G111
G201 and G203
G109