GM Service Manual Online
For 1990-2009 cars only
Makes
🢒
Chevrolet
🢒
2006
🢒
HHR
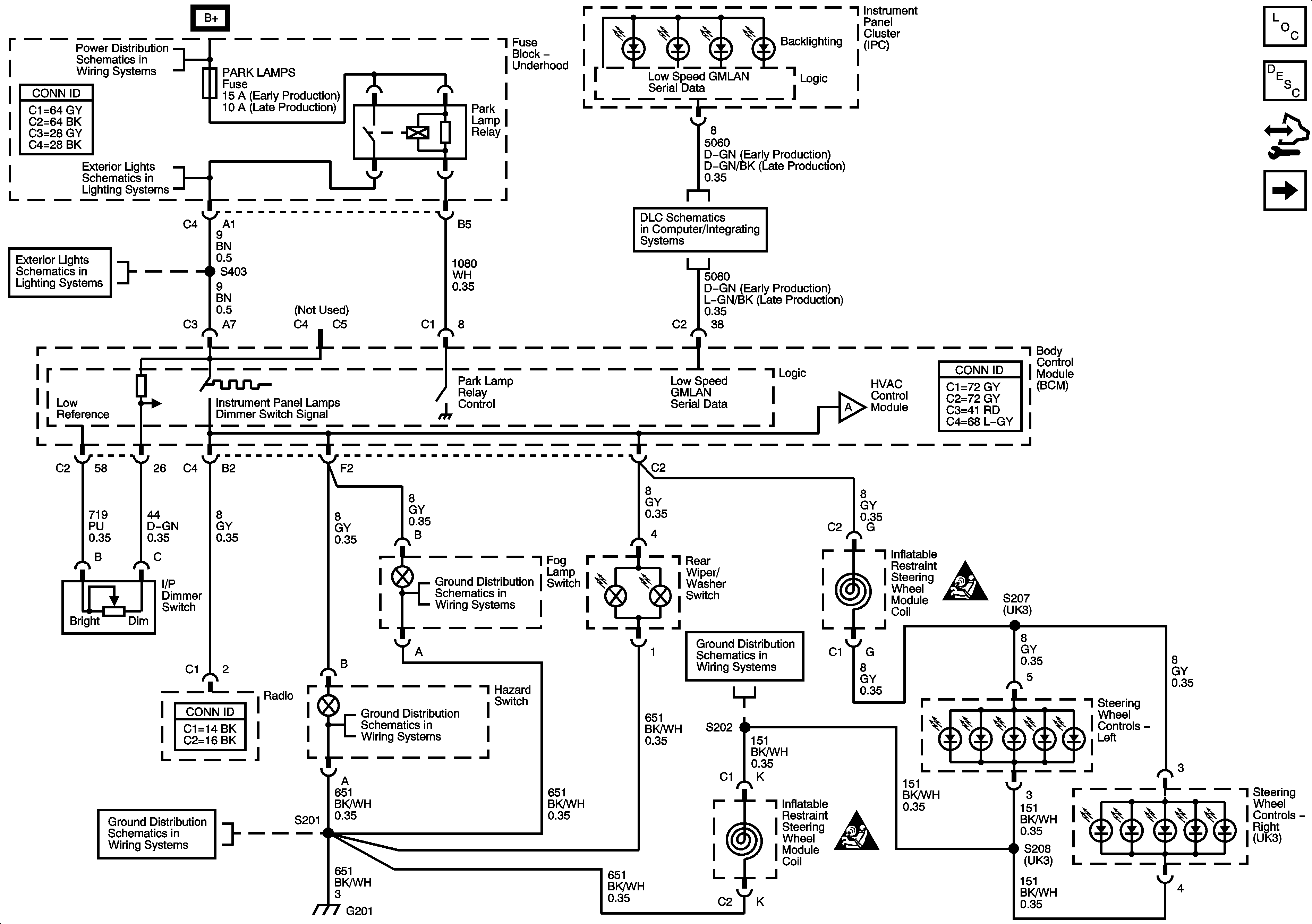
🢒 Dimmer Switch, Radio, Hazard, Fog Lamps, Steering Wheel Controls, and Rear Wiper/Washer Switches
Dimmer Switch, Radio, Hazard, Fog Lamps, Steering Wheel Controls, and Rear Wiper/Washer Switches
Dimmer Switch, Radio, Hazard, Fog Lamp, Steering Wheel Controls, and Rear Wiper/Washer Switches
Master Electrical Component List
Interior Lighting Systems Description and Operation
Control Module References
HVAC Control Module, Console Flood Lamp, A/T Shift Lock Control Solenoid, Door Lock Switch, and Outside Rearview Mirror
Underhood Fuse Block - B+ Bus
Park/Turn Signal/DRL, Tail/Stop and Turn Signal, License and Side Marker Lamps
G201 and G203
G103, G105, G017, and G108
G201 and G203
G201 and G203
Lighting Systems Schematic Icons
Lighting Systems Schematic Icons
HVAC Control Module, Console Flood Lamp, A/T Shift Lock Control Solenoid, Door Lock Switch, and Outside Rearview Mirror
Data Link Connector Schematics
Park/Turn Signal/DRL, Tail/Stop and Turn Signal, License and Side Marker Lamps