GM Service Manual Online
For 1990-2009 cars only

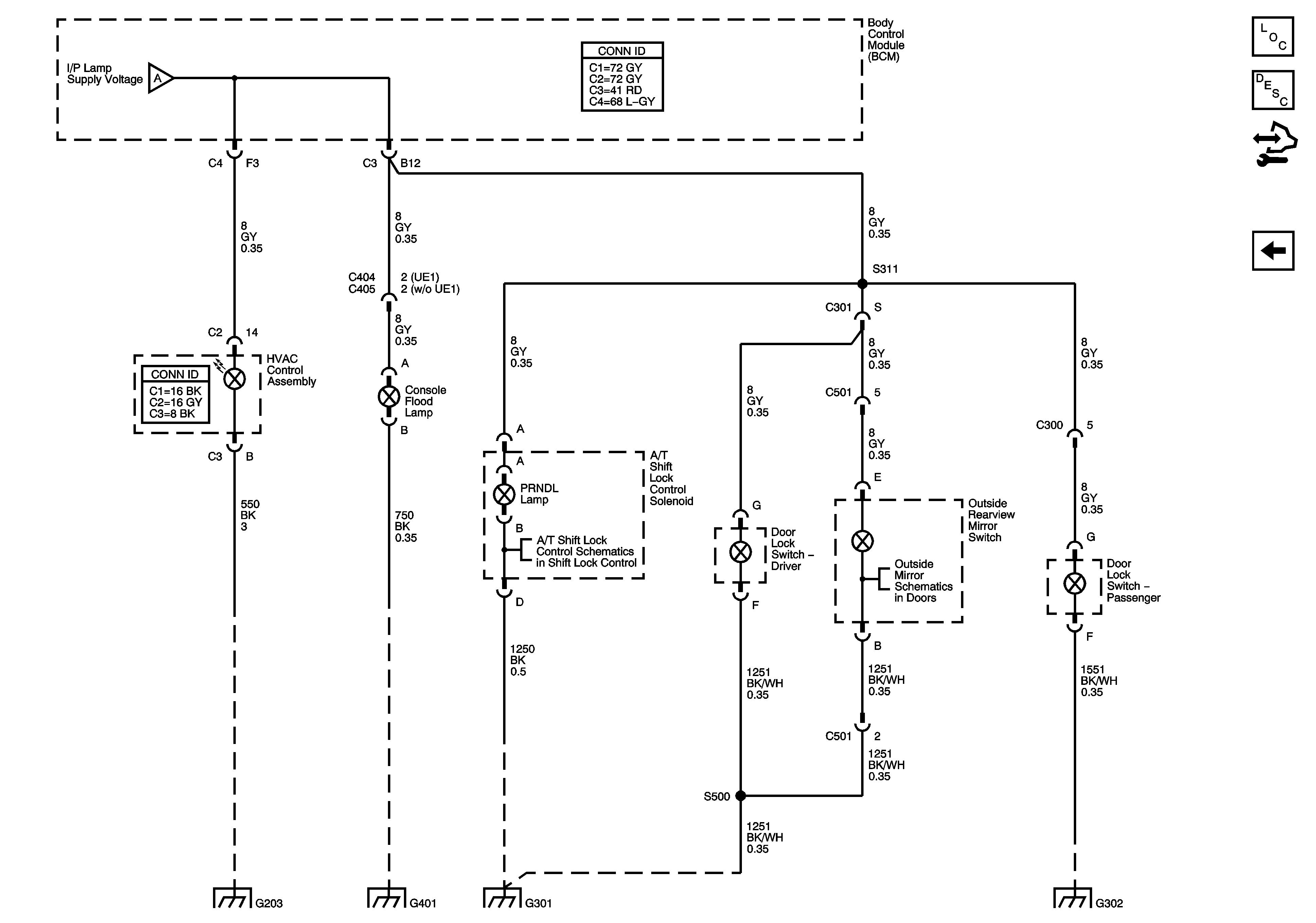
HVAC Control Module, Console Flood Lamp, A/T Shift Lock Control Solenoid, Door Lock Switch, and Outside Rearview Mirror

HVAC Control Module, Console Flood Lamp, A/T Shift Lock Control Solenoid, Door Lock Switches, and Outside Rearview Mirror


Object Number: 1558446  Size: FS
Master Electrical Component List
Interior Lighting Systems Description and Operation
Control Module References
Dimmer Switch, Radio, Hazard, Fog Lamps, Steering Wheel Controls, and Rear Wiper/Washer Switches
Dimmer Switch, Radio, Hazard, Fog Lamps, Steering Wheel Controls, and Rear Wiper/Washer Switches
Shift Lock Control
Outside Rearview Mirror Schematics
Door Lock Indicator Schematics
G201 and G203
G401 and G403
G301 and G306
G302