GM Service Manual Online
For 1990-2009 cars only
Makes
🢒
Chevrolet
🢒
2006
🢒
HHR
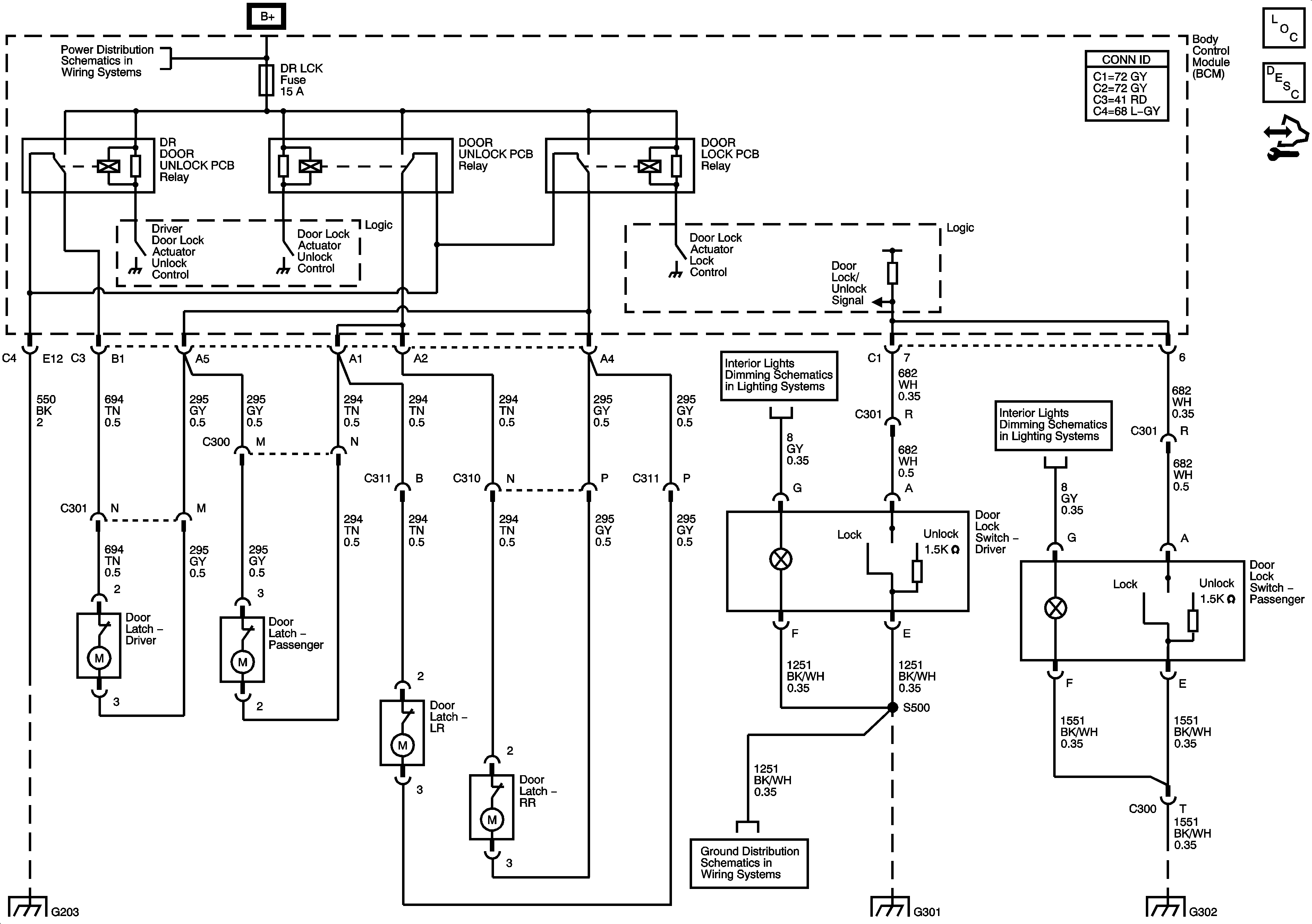
🢒 Door Lock Indicator Schematics
Door Lock Indicator Schematics
Master Electrical Component List
Power Door Locks Description and Operation
Control Module References
Body Control Module - RAP, DRIVERS DOOR UNLOCK PCB, DOOR UNLOCK PCB, DOOR LOCK PCB and INTERIOR LAMPS PCB Relays, RDO, PWR WINDW, DR LCK, INT LIGHT, ECM / TCM, SDM, S ROOF and SPARE Fuses
HVAC Control Module, Console Flood Lamp, A/T Shift Lock Control Solenoid, Door Lock Switch, and Outside Rearview Mirror
HVAC Control Module, Console Flood Lamp, A/T Shift Lock Control Solenoid, Door Lock Switch, and Outside Rearview Mirror
G301 and G306
G201 and G203
G301 and G306
G302