GM Service Manual Online
For 1990-2009 cars only
Makes
🢒
Chevrolet
🢒
2006
🢒
HHR
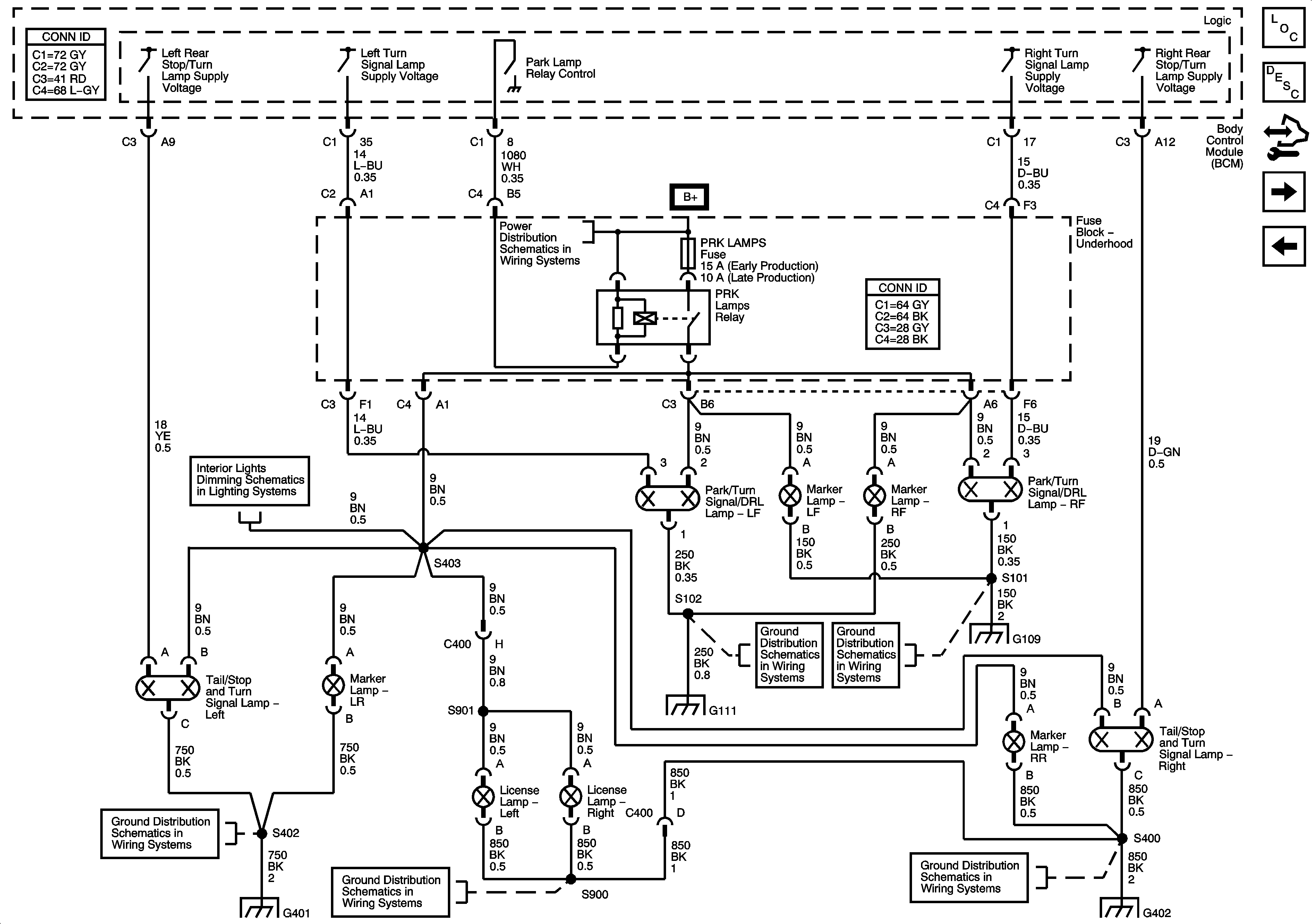
🢒 Park/Turn Signal/DRL, Tail/Stop and Turn Signal, License and Side Marker Lamps
Park/Turn Signal/DRL, Tail/Stop and Turn Signal, License and Side Marker Lamps
Park/Turn Signal/DRL, Tail/Stop and Turn Signal, License, and Side Marker Lamps
Master Electrical Component List
Exterior Lighting Systems Description and Operation
Control Module References
Center High Mounted Stop Lamp, B+
Inputs
G401 and G403
G402
Underhood Fuse Block - B+ Bus
Body Control Module - RUN / CRANK and HVAC Relays, I/P IGN, BCM3, WPR, AIR BAG, EPS / STR WHL CNTRL and HVAC / IP IGNITION Fuses
G109
G402
Dimmer Switch, Radio, Hazard, Fog Lamps, Steering Wheel Controls, and Rear Wiper/Washer Switches
G401 and G403
G402
G111
G109