GM Service Manual Online
For 1990-2009 cars only
Makes
🢒
Chevrolet
🢒
2006
🢒
HHR
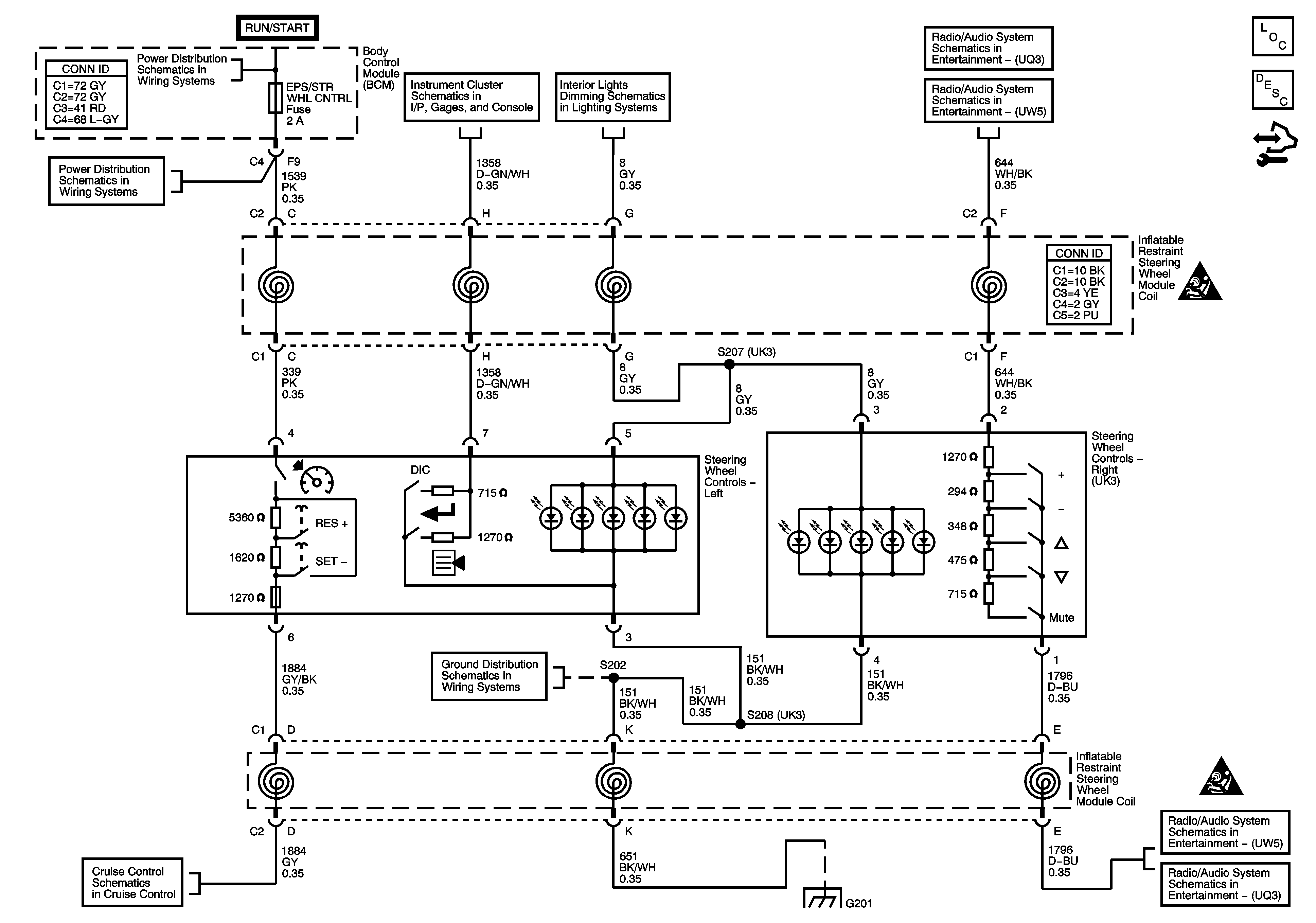
🢒 Steering Wheel Schematic
Steering Wheel Schematic
Master Electrical Component List
Steering Wheel and Column Description and Operation
Control Module References
Body Control Module - RUN / CRANK and HVAC Relays, I/P IGN, BCM3, WPR, AIR BAG, EPS / STR WHL CNTRL and HVAC / IP IGNITION Fuses
Body Control Module - RUN / CRANK and HVAC Relays, I/P IGN, BCM3, WPR, AIR BAG, EPS / STR WHL CNTRL and HVAC / IP IGNITION Fuses
Power, Ground, DIC, Illumination, MIL, and Security Indicator
Dimmer Switch, Radio, Hazard, Fog Lamps, Steering Wheel Controls, and Rear Wiper/Washer Switches
Radio w/ UQ3 (1 of 2)
Radio w/ UW5
Steering Wheel and Column Schematic Icons
Power, Ground, and Switches
G201 and G203
Steering Wheel and Column Schematic Icons
Radio w/ UW5
Radio w/ UQ3 (1 of 2)
G201 and G203