GM Service Manual Online
For 1990-2009 cars only
Makes
🢒
Chevrolet
🢒
2006
🢒
HHR
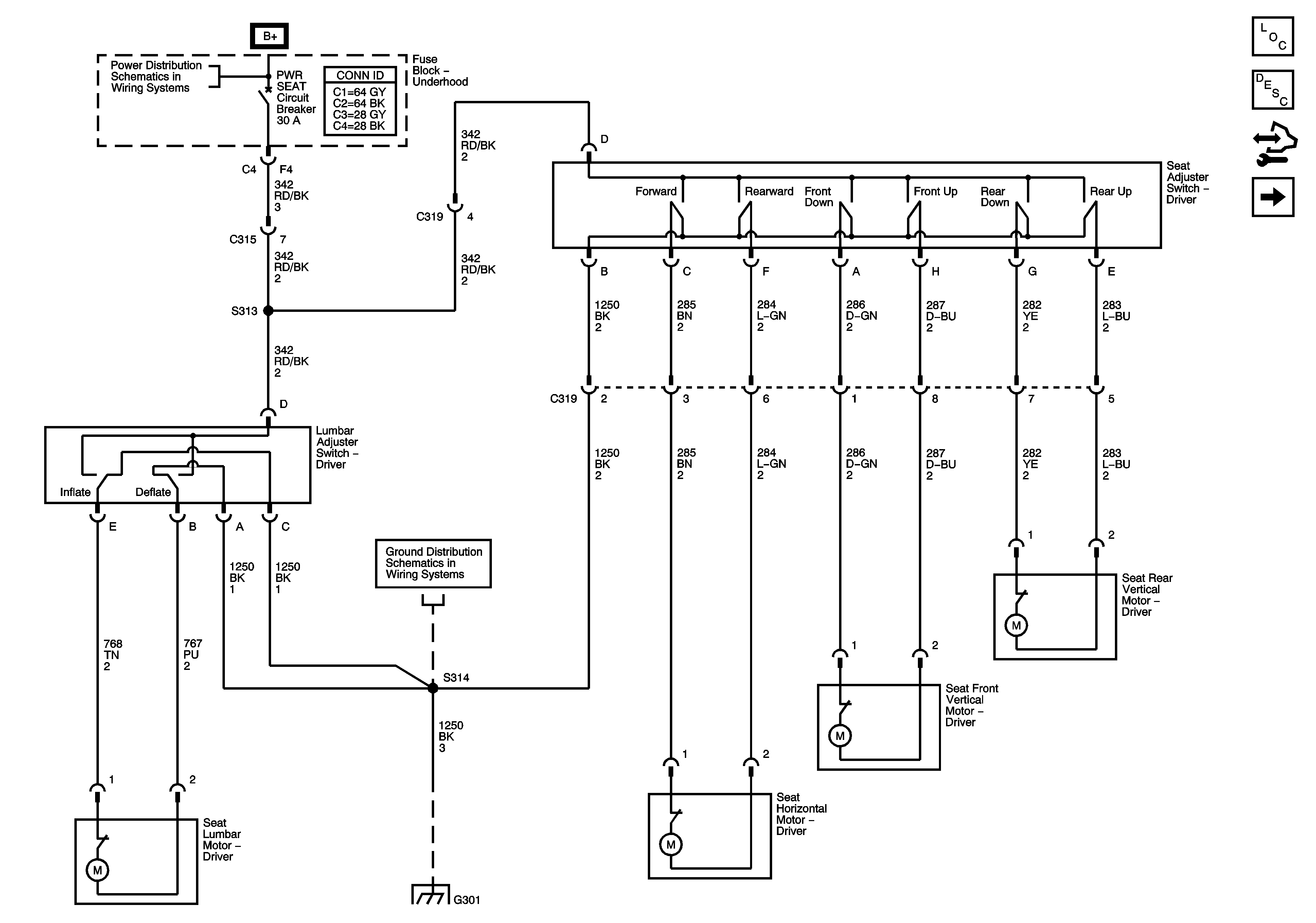
🢒 Power/Lumbar Driver Seat
Power/Lumbar Driver Seat
Lumbar Driver Seat
Master Electrical Component List
Power Seats System Description and Operation
Control Module References
Heated Seat - Driver
Underhood Fuse Block - B+ Bus
G301 and G306
G301 and G306