GM Service Manual Online
For 1990-2009 cars only
Makes
🢒
Chevrolet
🢒
2006
🢒
HHR
🢒 Heated Seat - Driver
Heated Seat - Driver
Heated Seat - Driver
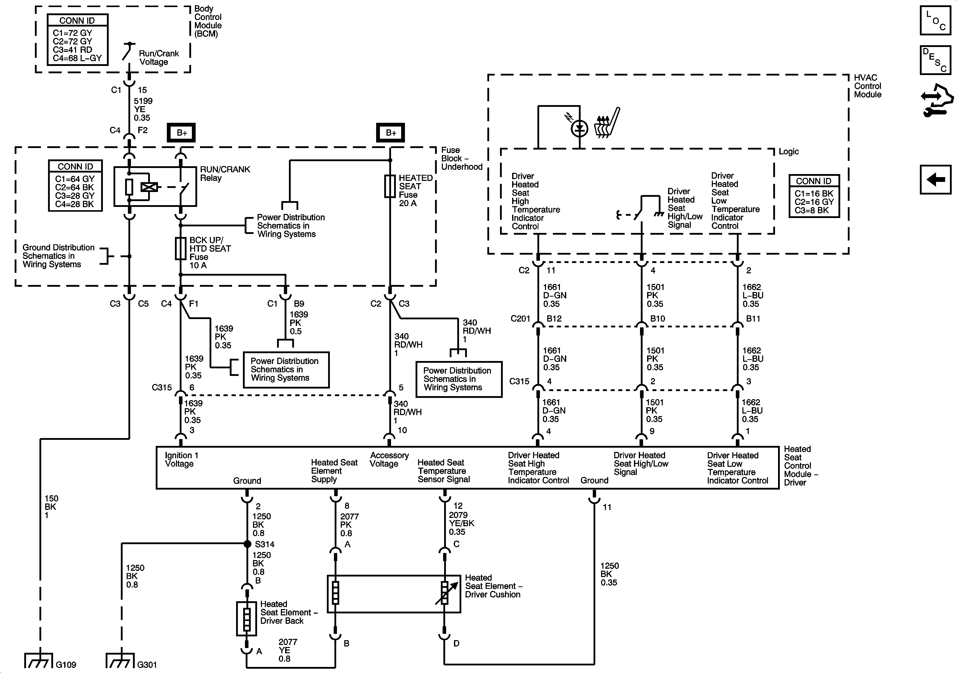
Master Electrical Component List
Heated Seats Description and Operation
Control Module References
Power/Lumbar Driver Seat
G109
Underhood Fuse Block - B+ Bus
Underhood Fuse Block - RUN / CRANK Relay, I/P IGNITION, PRK / NEUT, BCK UP / HTD SEAT, ABS (10A), ECM TRANS, LTR, ABS (30A), EPS, BCM 2, BCM 3, and S-BAND ONSTAR Fuses
Underhood Fuse Block - LOW BEAM, HIGH BEAM Relays, RT LO BEAM, LT LO BEAM, LT HI BEAM, RT HI BEAM, and HTD SEAT Fuses
G301 and G306
G109