GM Service Manual Online
For 1990-2009 cars only
Makes
🢒
Chevrolet
🢒
2007
🢒
HHR
🢒 Inputs
Inputs
Inputs
Master Electrical Component List
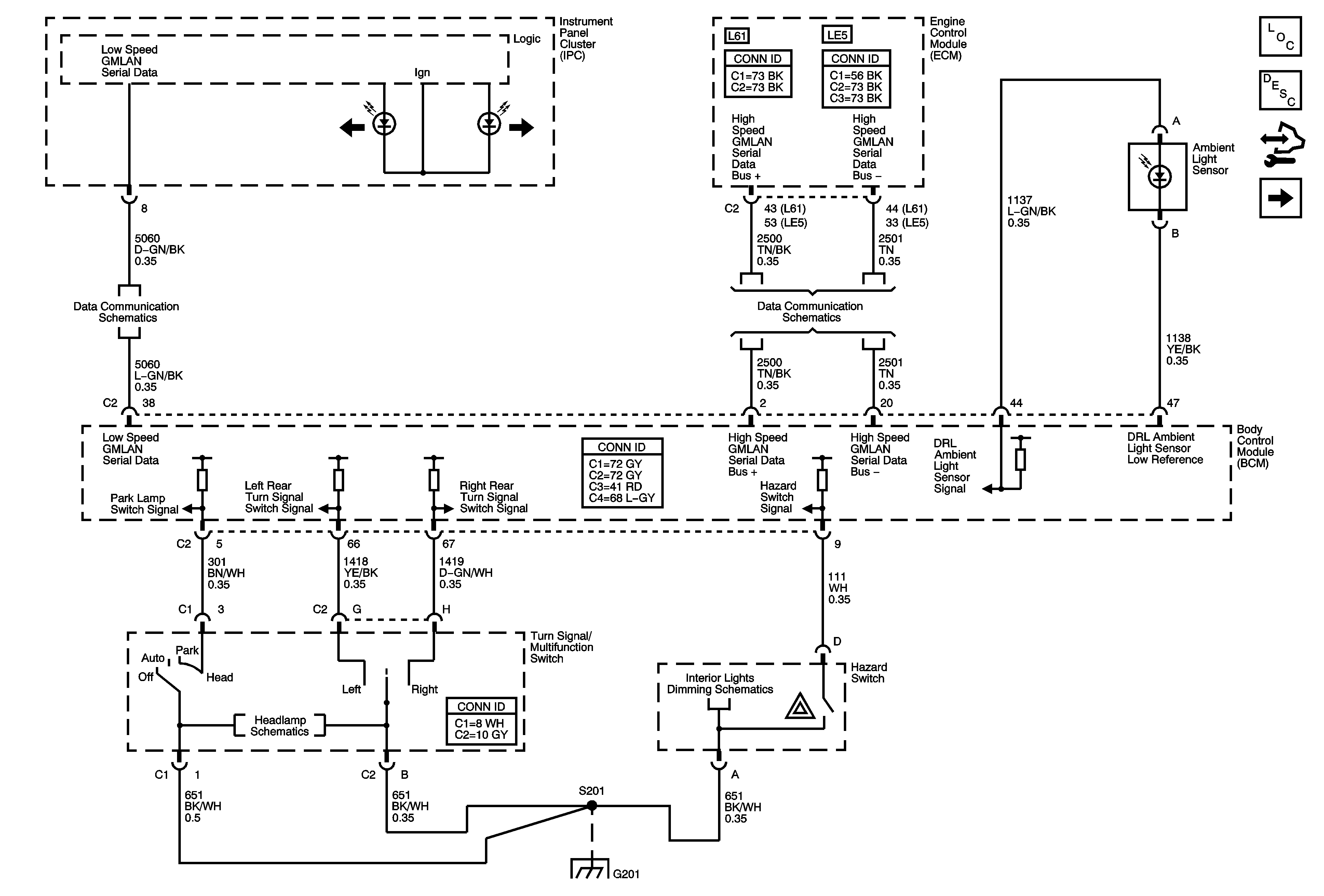
Exterior Lighting Systems Description and Operation
Control Module References
Park/Turn Signal/DRL, License and Side Marker Lamps
DLC Power, Ground, and Low Speed GMLAN
High Speed GMLAN
Headlights/Daytime Running Lights (DRL)
G201, G203
Dimmer Switch, Radio, Hazard, Fog Lamp, Steering Wheel Controls and Rear Wiper/Washer Switches